EasyManua.ls Logo

Panasonic TH-L32X20S

Panasonic TH-L32X20S
82 pages
To Next Page IconTo Next Page
To Next Page IconTo Next Page
To Previous Page IconTo Previous Page
To Previous Page IconTo Previous Page
Loading...
TH-L32X20S
38
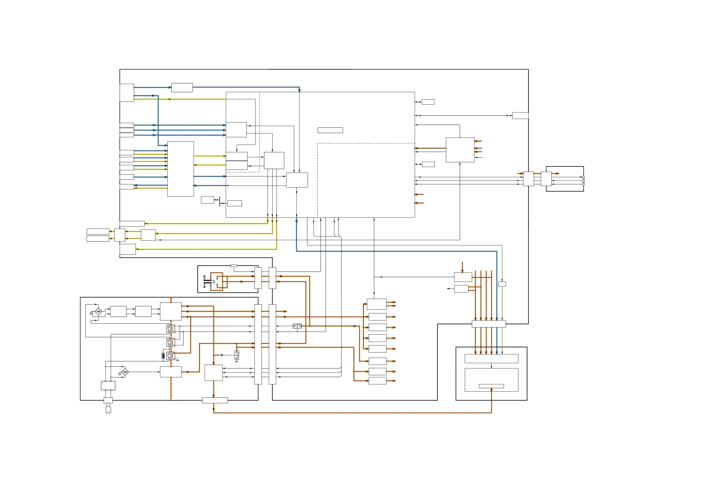
9 Block Diagram
9.1. Main Block Diagram
(LED:7TIMES)
(LED
:
1TIME
S
)
(LED:4TIMES)
(LED:3TIMES)
(LED:9TIMES)
(LED:3T
I
M
ES)
STB5V
TMDS DATA
DCDC
V10
STB_RESET
TUNER5V
INV_SOS
OVP_DET
ERROR DET
TUNER5V
(SIDE)
POWER LED(R)
DTV12V
POWER
CONTROL
LCD PANEL
TUNER6V
STB3.3V
INV_SOS
STB5.8V
DCDC
D/A
RECTIFIER
+5.8VS
SUB5V
PANEL POWER SOS
VOFF2-6V
SUB9V
(SIDE)
DCDC
V
SUB9V
SOUND SOS
STB_RESET
DVDD2.5V
AMP
DCDC
SOUND SOS
STB3.3V
VCON31V
INV_ON
(STM)
(SIDE)
DTV_L/R
DROP
D/A
CONVERTOR
SUB1.2V
STB5V
CONTROL PANEL
DVB_CVBS
R
L/R
HDMI I/F
PFC
CONTROL
V-BOARD
ANALOG-ASIC
Y/PB/PR,
R/G/B/H/V CVBS
VOLTAGE
HDMI3
V/Y/PB/PR
STANDBY
VOLTAGE
RECTIFIER
C.A.T.S. SENSOR
V
DTV12V SENSE
INV_ON
SUB3.3V
PANEL POWER SOS
OPTICAL AUDIO OUT
DCDC
DVDD2.5V
OVP_DET
DCDC
DTV12V
INVERTER
POWER
CONTROL
CURCUIT
PWM
SUB1.8V
VIDEO
PROCESSOR
STB+3.3V
SUB5V
R/G/B/H/V
PWM
VREF_1-12
REMOTE RECEIVER
OVER
AC CORD
STB+3.3V
12V
SUB 3.3V SENSE
AUDIO
PANEL
EEPROM
AUDIO
PROCESSOR
SUB_ON
TS Parallel
SD CARD DATA
OPERATION
BUTTON
VOLTAGE
K-BOARD
HDMI2
A02
EEPROM
K01
NAND
FLASH
DVDD2.5V
ON
HDMI1
LIVE
+5.8VS
INV_PWM
TMDS DATA
POWER LED
INV_PWM
INV_SOS
SUB1.8V
SPEAKER(R)
(A Chip)
AV2
CPU BUS
I/F
(D Chip)
CONTROL
DCDC
NEUTRAL
17V
SOS DET
A-BOARD
PANEL
OPTICAL OUT
SUB_ON
SOS DET
AV SW
AVDD13.7V
PC
MONITOR L,R
POWER LED
P-BOARD
POWER SUPPLY
MONITOR
OUT
MONITOR V
DIGITAL SIGNAL PROCESSOR
OPTICAL
V
REMOTE RECEIVER
A/D
CONVERTOR
AVDD13.7V
P5,P6.P7,P8
C.A.T.S. SENSOR
AVDD13.7V
RECTIFIER
LINE
FILTER
SOUND17V
AUDIO
A14
SPEAKER(L)
HP
AV3
HEADPHONE
CPU BUS
INV_PWM
SD CARD
OUT
AV1
SUB
ON/OFF
L
+5.8VS
RECEIVER
L/R
HOT START
(DAC_ENB)
SD CARD DATA
TMDS DATA
PROCESS
VOLTAGE
RECTIFIER
REMOTE IN
L/R
RELAY
32V
DTV12V
Peaks sLD
SOUND17V
TS Parallel
SIF
SUB5V
STB+5.8V
SLOT
SUB3.3V
LVDS DATA
POWER SW
P2
L/R
P1
BACK LIGHT
DCDC
SUB1.2V
A10
LVDS DATA
INV_ON
STB5V
KEYSCAN
A09
A12
C.A.T.S. SENSOR
IFD_OUT
OFDM
SIF_OUT
TUNER
V
(LED:7TIMES)
(LED:1TIMES)
(LED:4TIMES)
(LED:3TIMES)
(LED:9TIMES)
(LED:3TIMES)

Table of Contents

Related product manuals