EasyManua.ls Logo

Panasonic TX-32PX10F - Page 30

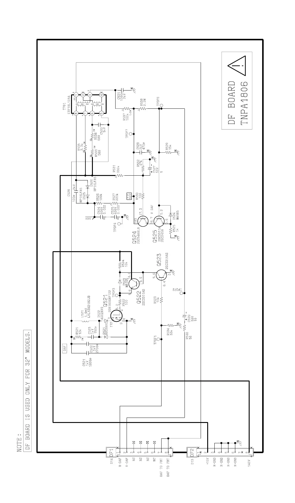
Panasonic TX-32PX10F
41 pages
Print Icon
To Next Page IconTo Next Page
To Next Page IconTo Next Page
To Previous Page IconTo Previous Page
To Previous Page IconTo Previous Page
Loading...

Related product manuals