EasyManua.ls Logo

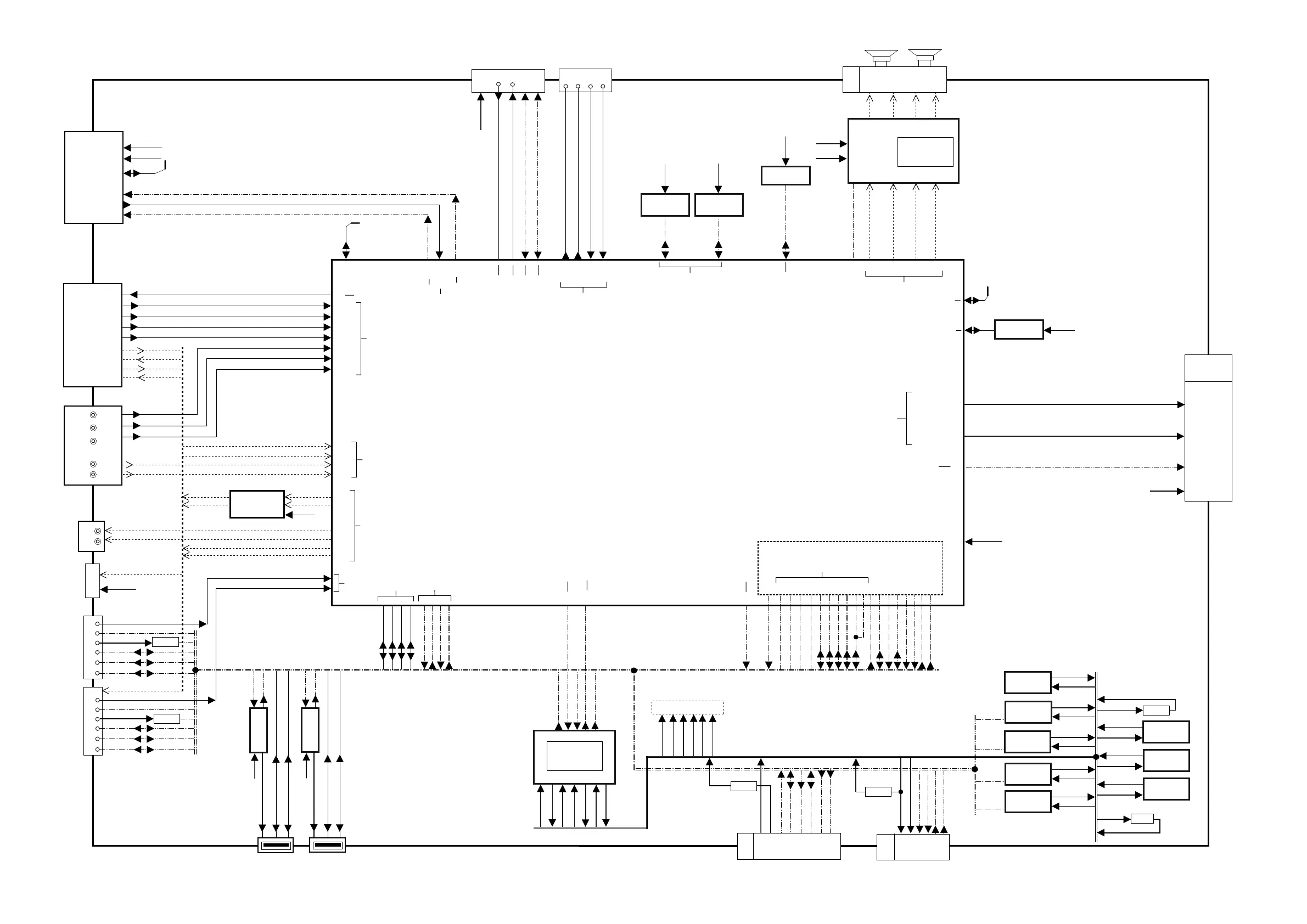
Panasonic TX-50AS500E - Block Diagram (1 of 2)

Panasonic TX-50AS500E
69 pages
Print Icon
To Next Page IconTo Next Page
To Next Page IconTo Next Page
To Previous Page IconTo Previous Page
To Previous Page IconTo Previous Page
Loading...
SP_R
SP_L
Block Diagram (1/2)
A-BOARD
TUNER DVB-A/T/C
TU6705
IF2_N,P 9,8
IF2_N,P
SUB3.3V
TU_1.8V
1
2
SDA/SCL 4,3
AGC2 10
FE_XRST
11
FE_XRST
AGC2
AE9, A
D9
DMD IIC_0
IC8000
[MN2WS0275PBS]
Peaks sLD8A
IF2_N,P
TUNER I/F
AGC2
AA13
TUNER CTRL
FE_XRST
D20
BE COMMON
DMD IIC_0
DEMOD I2C
JK3011
AV_V 20
AV_VOUT 19
AV_RED/C 15
AV_GREEN 11
AV_BLUE 7
AV_L 6
AV_LOUT 3
AV_R 2
AV_ROUT 1
AV 21PIN SCART
VIN
VOUT
SCART_R
SCART_G
SCART_B
SCART_LIN
SCART_RIN
LOUT
ROUT
VOUT
Video Out
Y9
AD13
AC13
Video input
LOUT
ROUT
IC3052
Audio Amp
1
2
6
7
SUB9V
8
AB17
AC18
Audio output
SCART_R
SCART_G
SCART_B
AB13
SCART_LIN
SCART_RIN
AC16
AD16
Audio input
LOUT
ROUT
VIN
AB10
Y
PB
PR
L
R
L
JK3101
AUDIO
IN
LIN_TERMINAL
L
R
COMP_D_PR
COMP_D_PB
COMP_D_Y
RIN_TERMINAL
AD11
AB11
COMP_D_Y
AC11
COMP_D_PR
COMP_D_PB
LIN_TERMINAL
RIN_TERMINAL
AE14
AC14
HP_L
JK3111A
HP-OUT
HP_R
HP_L
HP_R
AD17
AC17
Digital
Audio Out
D3101
IECOUT
SUB3.3V
IECOUT
F4
JK4700
HDMI1
HPDO2
5VDET2
SDA2
SCL2
CEC
RX2
JK4701
HDMI2
HPDO1
5VDET1
SDA1
SCL1
CEC
RX1
R4795
R4722
ARC_OUT
RX2
RX1
HDMI Input
ARC_OUT
F5
STM
HDMI I/F
HPDO2
HPDO1
SDA1
SCL1
SDA2
SCL2
5VDET1
5VDET2
U2
U6
AA6
AC3
AE3
R9
AA5
V7
CEC
Y3
CEC
T6
JK8451
USB
1
2
3
IC8454
SW
6
1
3
4
SUB5V
1VBUS
1OD
USB1DN
USB1DP
USB1DN
USB1DP
USB I/F
1VBUS
1OD
CI SLOT
JK8400
17,18
51,52
SUB_CI_5V
TS Paraller Output
TS Paraller Input
CI DATA
TS Paraller Output
TS Paraller Input
System Bus
CI Adress
A11
40,39,38,37,36
35,33,32,30,29
28,27
48
PANEL_TEST_ON
TO PANEL
LVDS I/F
LVDS
1-4
PNL12V
P1
TCON Output
IC8200
DDR3
4GBit
SUB1.5V
IC8201
DDR3
2GBit
SUB1.5V
DDR3 CH I/F
IC8900
NAND FLASH
SUB3.3V
NAND FLASH I/F
IC5000
[AN34043AAVF]
ANALOG ASIC
1
6 2
14
31
STB5V
STB5V
SUB5V
SUB9V
32
STB3.3V
4
PWM_A_IN
3
15
SUB_AI_3.3V
16V
BL_PWM
PWM_ENB
12
P7
Panel PWM
5
U4
PWM_ENB
AC5
BE Reset
PEAKSRESET
11
DCDCEN
A12
IC4900
[C1AB00003984]
AUDIO AMP
5
6
7
8
1
2 3
4
9,16,25,32
10,11
14,15 26,27
30,31
L-
L+
R+
R-
E4
G5 D2
F6
AUDIO Output
SOUND_SOS
STM
T3
18
ABCKO
ASMCK
ALRCKO
ASDOUTO
16V
3
7
9-10
12
A02
TO P2
8
10
4
11
12
1,3,5
TV_SUB_ON
STB5.3V
BL_PWM
6
BL_ON
BL_SOS
KEY1
2
POWER_ON
OVP SOS
SUB3.3V
STB5V
SUB5V
SUB1.1V
SUB1.5V
16V
KEY1
T2
BL_SOS
U5
BL_ON
W7
POWER_ON
Y5
TV_SUB_ON
Y2
BE Power CTRL
R_LED_ON
G_LED_ON
REMOTE
AI
AA2
V3
U1
U3
VJ2001
16V
DCDCIN
SUB3.3V
22
IC5420
DC/DC
2
3
16V
SUB5V
IC5400
DC/DC
2
3
16V
SUB3.3V
IC8101
DC/DC
2
3
DCDCIN
SUB1.5V
IC8100
DC/DC
8
6
DCDCIN
SUB1.1V
DCDCEN
DCDCEN
DCDCEN
DCDCEN
7
7
7
1
IC5500
DC/DC
2
3
PNL12V
16V
IC8001
Reg
1,4
3
SUB5V
HDMI3.3V
IC8404
SW
1
5
SUB5V
SUB_CI_5V
IC5704
Reg
3
2
SUB3.3V
TU_1.8V
SUB3.3V
PHY3.3V
L8014
IIC_0
IIC_1
BE I2C
STM IIC
Y/Vin,PB,PR
STB5V
R5200
16V
JK8452
WIFI
1
2
3
IC8457
SW
6
1
3
4
SUB5V
0VBUS
USB0DN
USB0DP
0OD
USB0DN
USB0DP
0VBUS
0OD
ETHERNET
JK8600
1
2
4
5
TXOP
TXON
RXOP
RXON
AD6
AE6
AC7
AC8
LAN I/F
IC8901
STM EEP
LVDS
M5,M6,M4,N5,L5,L6
L7,M7,J5,K5,J6,K6
24,23,22,21,20
19,17,16,14,13
12,11
L4,L3,K4,K3,J2,J1
H2,J3,H4,H3,F3,G3
STB3.3V
USB & PORT (TCON Output)
A10
9
10
3
5
TO K10
SUB_AI_3.3V
STB3.3V
7
6
4
R_LED_ON
G_LED_ON
AI
REMOTE
1
SUB3.3V
R2003
STB3.3V
SUB1.1V
SUB1.5V
SUB3.3V
PHY3.3V
HDMI3.3V
25

Related product manuals