EasyManua.ls Logo

Panasonic TX-PR42S20 - Page 44

Panasonic TX-PR42S20
128 pages
Print Icon
To Next Page IconTo Next Page
To Next Page IconTo Next Page
To Previous Page IconTo Previous Page
To Previous Page IconTo Previous Page
Loading...
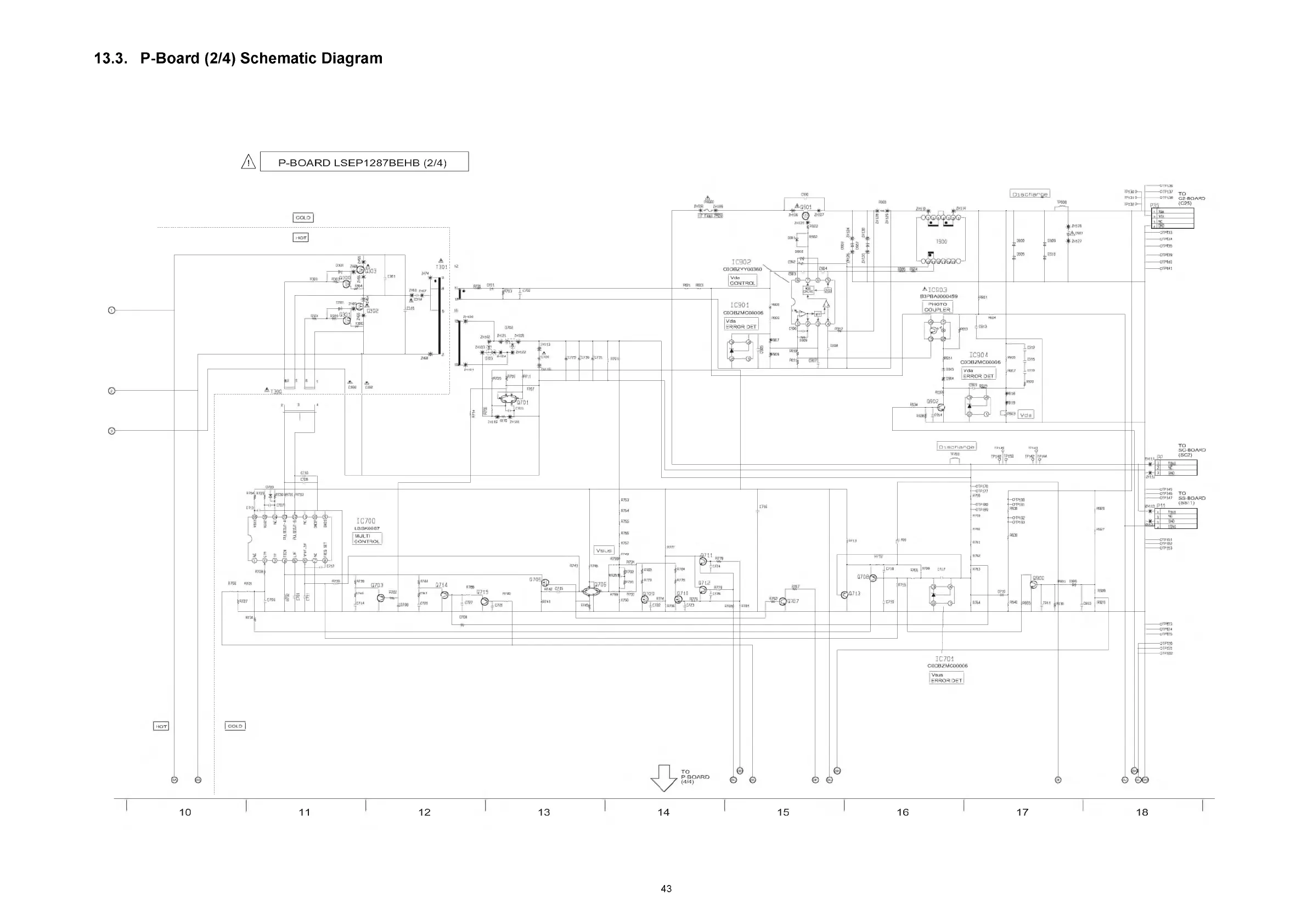
13.3. P-Board (2/4) Schematic Diagram
A
P-BO ARD LSEP1287BEHB (2/4)
10 11 12 13 14 15 16 17 18
43

Related product manuals