EasyManua.ls Logo

Paramina CYCLONE SILENT 24E - Technical Diagrams; P & I Diagram

Paramina CYCLONE SILENT 24E
74 pages
Print Icon
To Next Page IconTo Next Page
To Next Page IconTo Next Page
To Previous Page IconTo Previous Page
To Previous Page IconTo Previous Page
Loading...
User Manual - Cyclone Silent - 1-2018 edition
PARAMINA SA – Byway Evaggelistrias str. 19300 Aspropirgos, Greece, Tel: 0030 210 5575860-1
Fax: 0030 210 5575868, email: service@paramina.gr - website: www.paramina-compressors.com
68
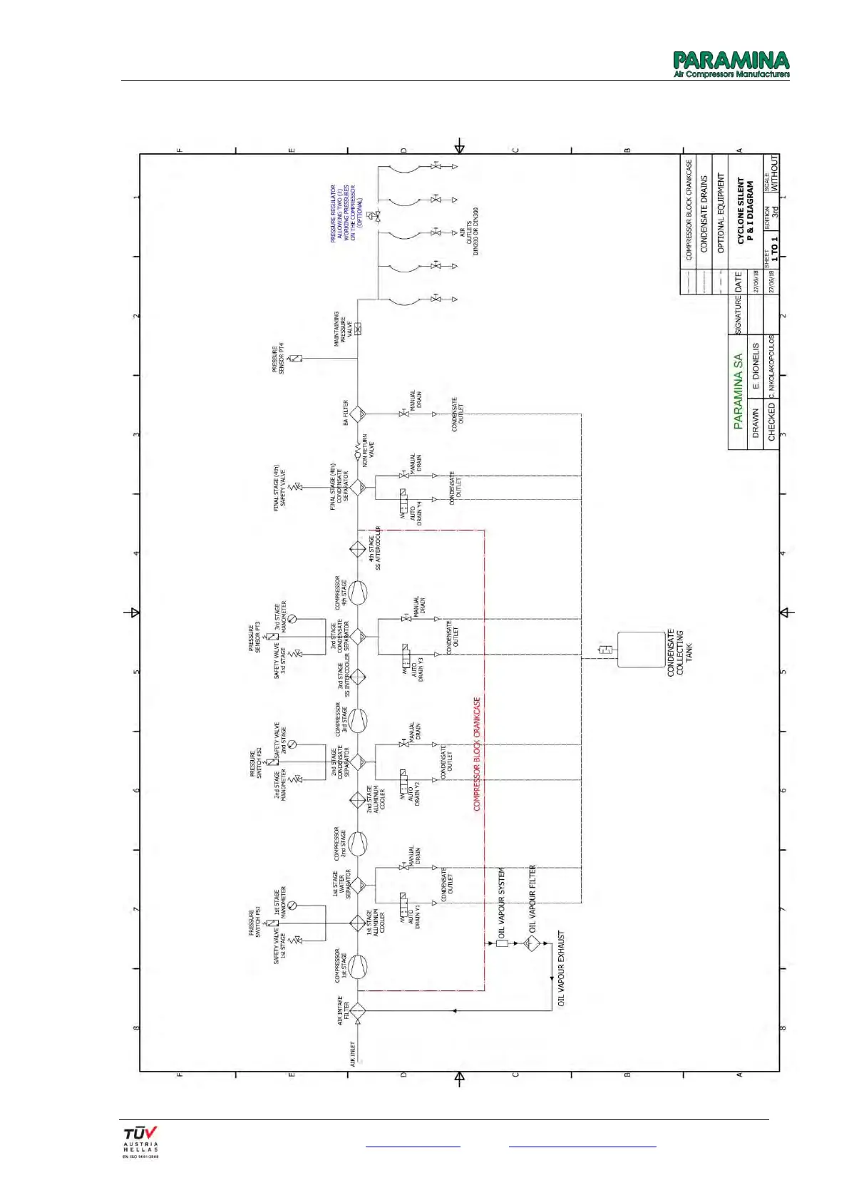
8. P & I Diagram

Table of Contents

Related product manuals