EasyManua.ls Logo

Parker Hyperchill PCW420 - Page 47

Parker Hyperchill PCW420
76 pages
Print Icon
To Next Page IconTo Next Page
To Next Page IconTo Next Page
To Previous Page IconTo Previous Page
To Previous Page IconTo Previous Page
Loading...
13
,
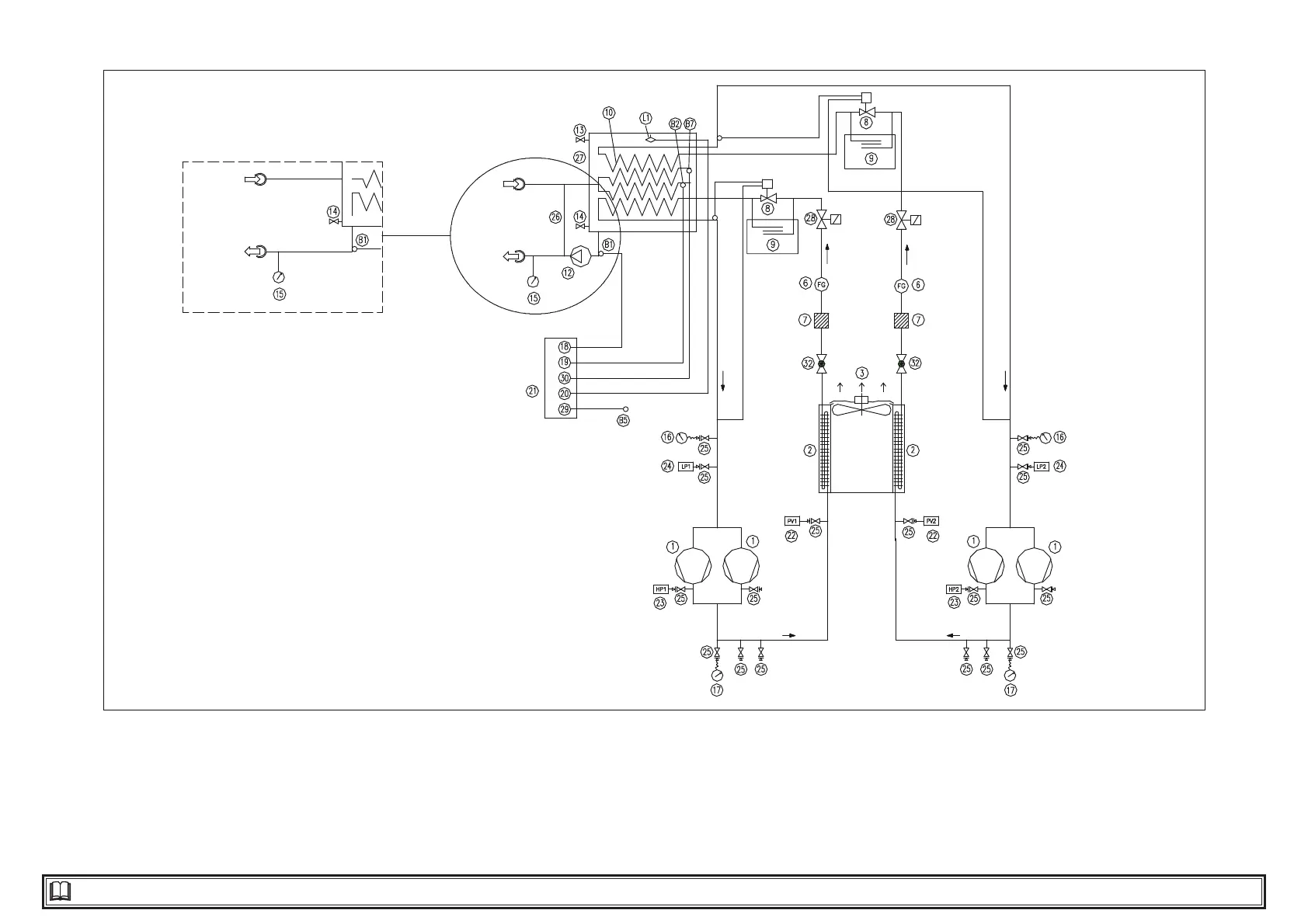
7.5 Circuit diagram
PCW420-650
NP
PCW650
PCW650
A1

Table of Contents