EasyManua.ls Logo

Parker SPL004 - Page 24

Parker SPL004
32 pages
Print Icon
To Next Page IconTo Next Page
To Next Page IconTo Next Page
To Previous Page IconTo Previous Page
To Previous Page IconTo Previous Page
Loading...
,
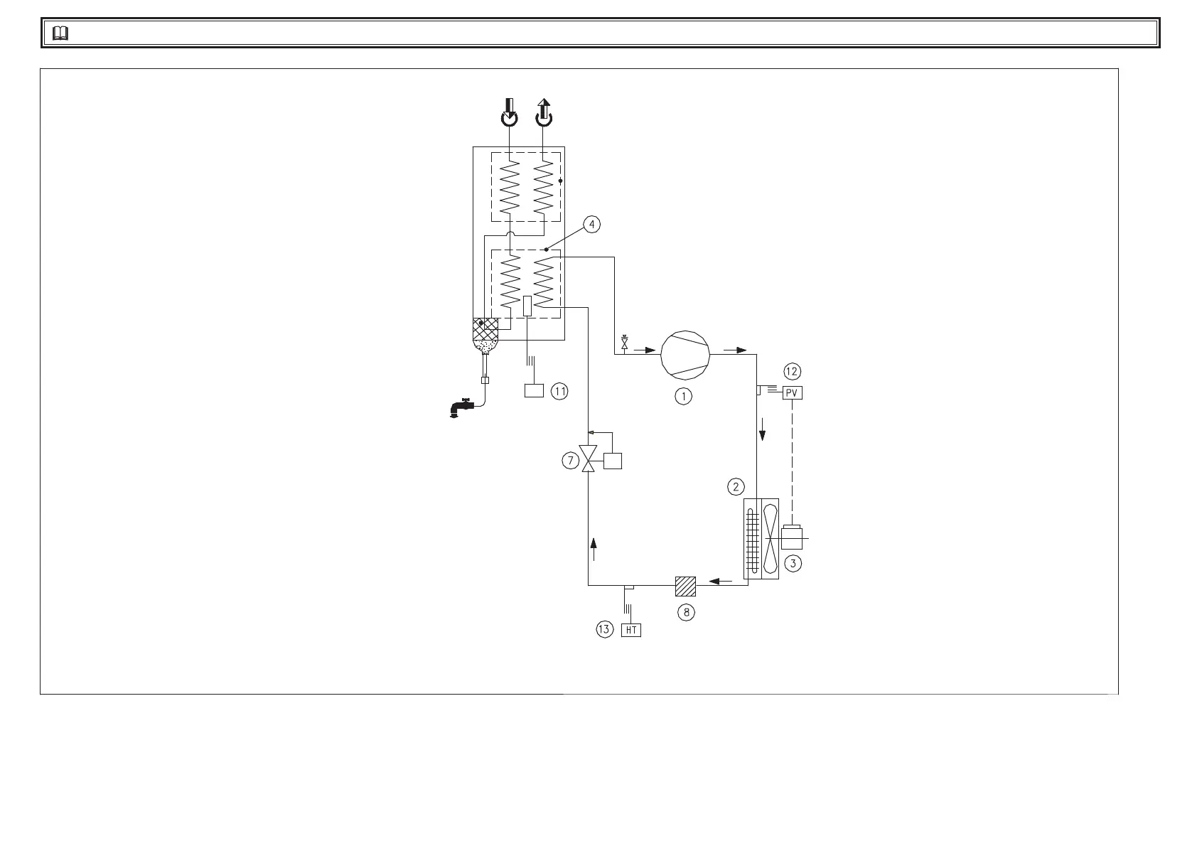
8.7 Refrigerant circuit SPL004-030
10
SPL004-030