EasyManua.ls Logo

Parker SPL004 - Page 25

Parker SPL004
32 pages
Print Icon
To Next Page IconTo Next Page
To Next Page IconTo Next Page
To Previous Page IconTo Previous Page
To Previous Page IconTo Previous Page
Loading...
,
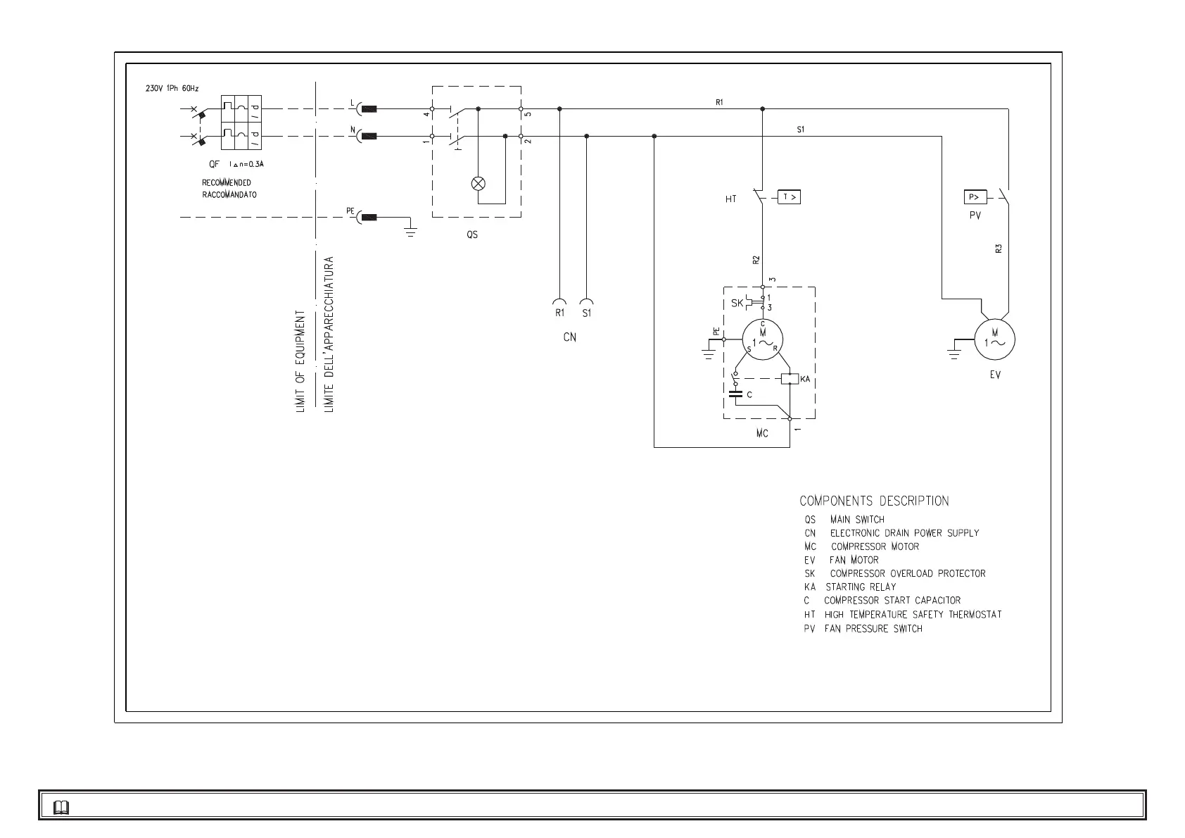
8.8 Wiring diagram SPL004-006
11
SPL004-030