EasyManua.ls Logo

Parker SPL004 - Page 26

Parker SPL004
32 pages
Print Icon
To Next Page IconTo Next Page
To Next Page IconTo Next Page
To Previous Page IconTo Previous Page
To Previous Page IconTo Previous Page
Loading...
,
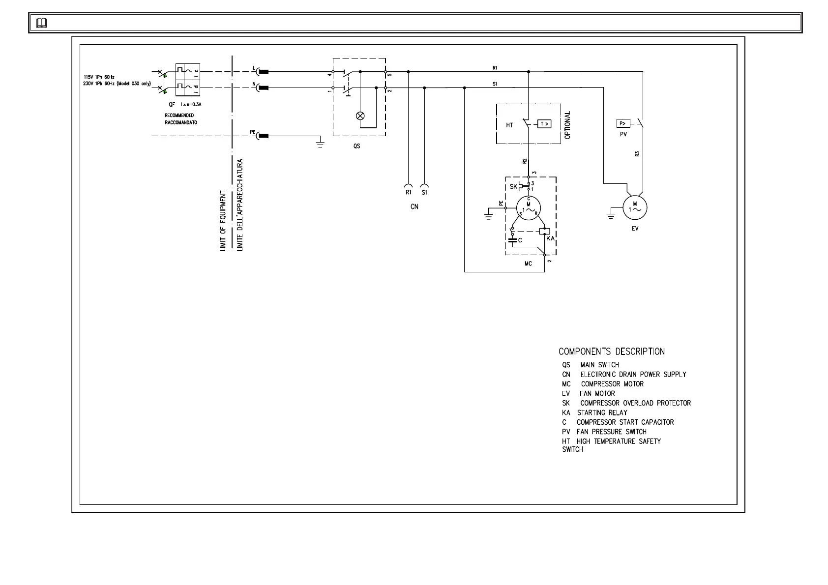
Wiring diagram SPL009-030
12
SPL004-030