EasyManua.ls Logo

Pearl PCBC16F16S - Installation Wiring Diagram - 208 VAC or 230 VAC Three Phase 3-Wire Pumps; Installation Wiring Diagram - 460 VAC

Pearl PCBC16F16S
16 pages
Print Icon
To Next Page IconTo Next Page
To Next Page IconTo Next Page
To Previous Page IconTo Previous Page
To Previous Page IconTo Previous Page
Loading...
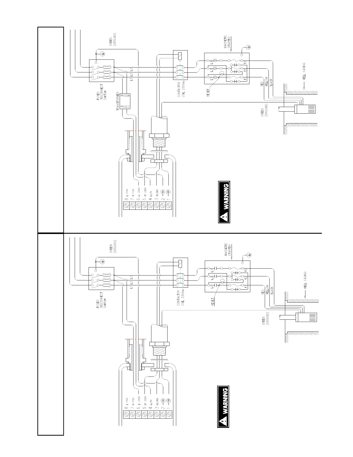
INSTALLATION WIRING DIAGRAM - 208 VAC
OR 230 VAC THREE PHASE - 3-WIRE PUMPS
INSTALLATION WIRING DIAGRAM - 460VAC
For 460Vac motors, use
magnetic starter to avoid
damage to BEST CONTROL.
- 12 -
For 208Vac or 230Vac three-
phase motors, use magnetic
starter to avoid damage to
BEST CONTROL.

Related product manuals