EasyManua.ls Logo

PEERLESS PureFire PF-110 - Page 24

Default Icon
92 pages
Print Icon
To Next Page IconTo Next Page
To Next Page IconTo Next Page
To Previous Page IconTo Previous Page
To Previous Page IconTo Previous Page
Loading...
22
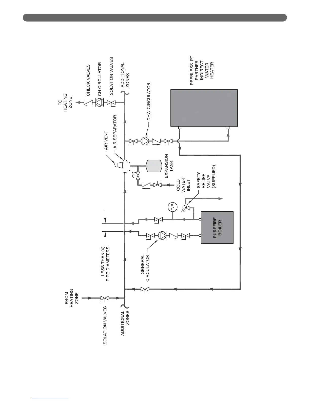
WATER PIPING AND CONTROLS
Figure 4.5: Recommended Piping – One Boiler, Primary/Secondary with Two Zones (Zone Circulator)

Table of Contents

Related product manuals