EasyManua.ls Logo

PeerlessBoilers PF-50 - Page 19

PeerlessBoilers PF-50
70 pages
Print Icon
To Next Page IconTo Next Page
To Next Page IconTo Next Page
To Previous Page IconTo Previous Page
To Previous Page IconTo Previous Page
Loading...
17
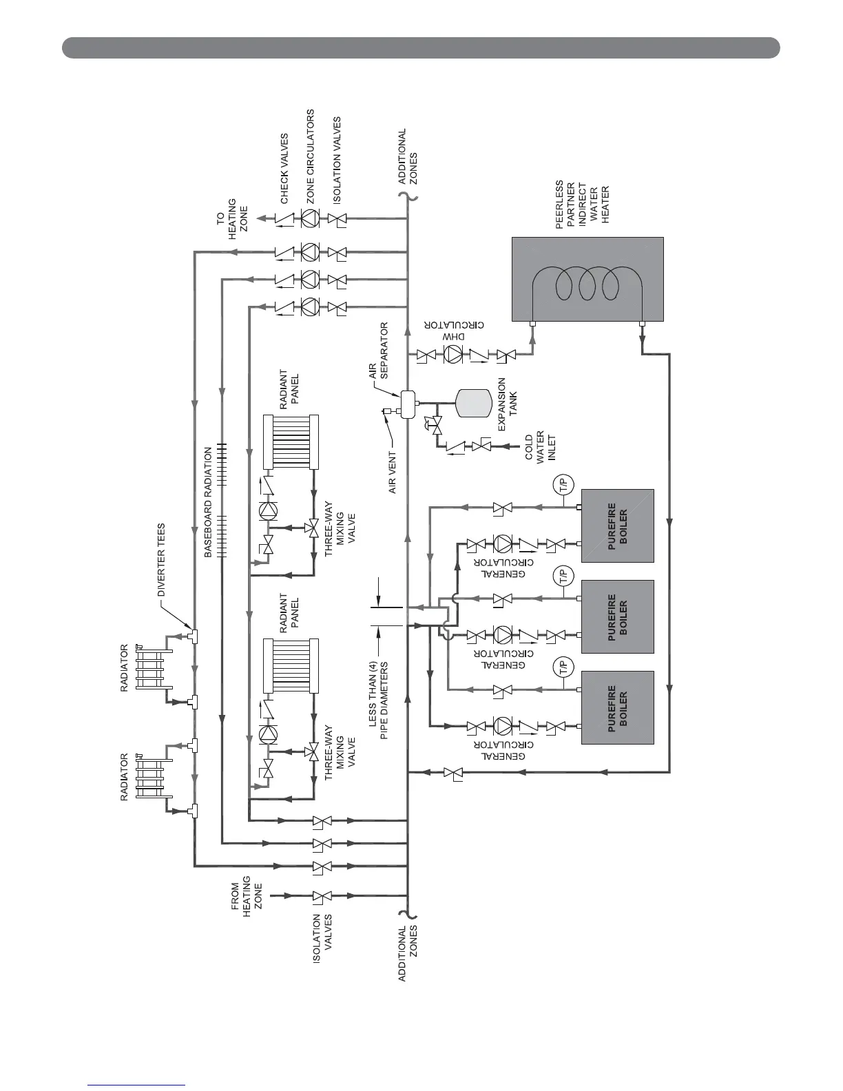
WATER PIPING AND CONTROLS
Figure 4.7: Three Boilers, Primary/Secondary with Five Zones (Zone Circulator)

Table of Contents

Related product manuals