EasyManua.ls Logo

PeerlessBoilers PF-50 - Page 20

PeerlessBoilers PF-50
70 pages
Print Icon
To Next Page IconTo Next Page
To Next Page IconTo Next Page
To Previous Page IconTo Previous Page
To Previous Page IconTo Previous Page
Loading...
18
WATER PIPING AND CONTROLS
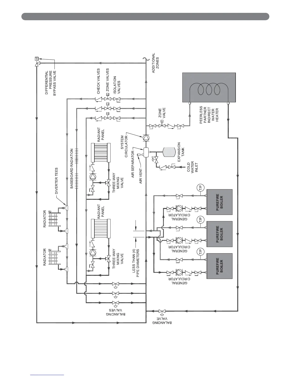
Figure 4.8: Three Boilers, Primary/Secondary with Four Zones (Zone Valves)

Table of Contents

Related product manuals