EasyManua.ls Logo

PeerlessBoilers PF-50 - Page 30

PeerlessBoilers PF-50
70 pages
Print Icon
To Next Page IconTo Next Page
To Next Page IconTo Next Page
To Previous Page IconTo Previous Page
To Previous Page IconTo Previous Page
Loading...
28
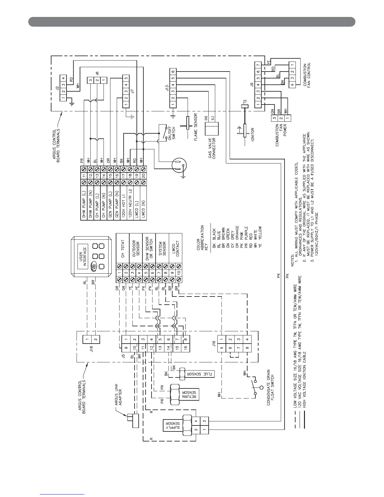
ELECTRICAL CONNECTIONS
Figure 7.4: Internal Wiring Schematic

Table of Contents

Related product manuals