EasyManua.ls Logo

Pelican TS200 - Conventional Wiring Guide: 1 Stage Cooling, 1 Stage Heat; 5-Wire Conventional Wiring

Pelican TS200
16 pages
Print Icon
To Next Page IconTo Next Page
To Next Page IconTo Next Page
To Previous Page IconTo Previous Page
To Previous Page IconTo Previous Page
Loading...
4
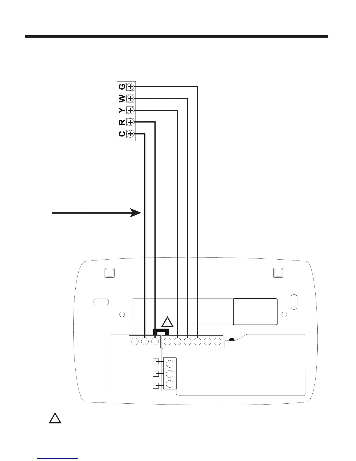
Conventional Wiring Guide
CD R Rc Y W G W2 Y2
Fan Circuit
Heat Circuit
Compressor Relay
24 VAC Power
24 VAC Common
Use 18 gauge unshielded
cable from thermostat to
the equipment.
1
5 Wire, 24VAC Conventional 1 stage cooling with
1 stage heat
1
For a Two Transformer System – remove jumper between R and Rc.
Connect the 24VAC power for energizing the unit’s Compressor to
thermostat’s (R) terminal. Connect second 24VAC power to
thermostat’s (Rc) terminal.

Related product manuals