EasyManua.ls Logo

Perkins 1204F-E44TA - Starting the Engine

Perkins 1204F-E44TA
132 pages
Print Icon
To Next Page IconTo Next Page
To Next Page IconTo Next Page
To Previous Page IconTo Previous Page
To Previous Page IconTo Previous Page
Loading...
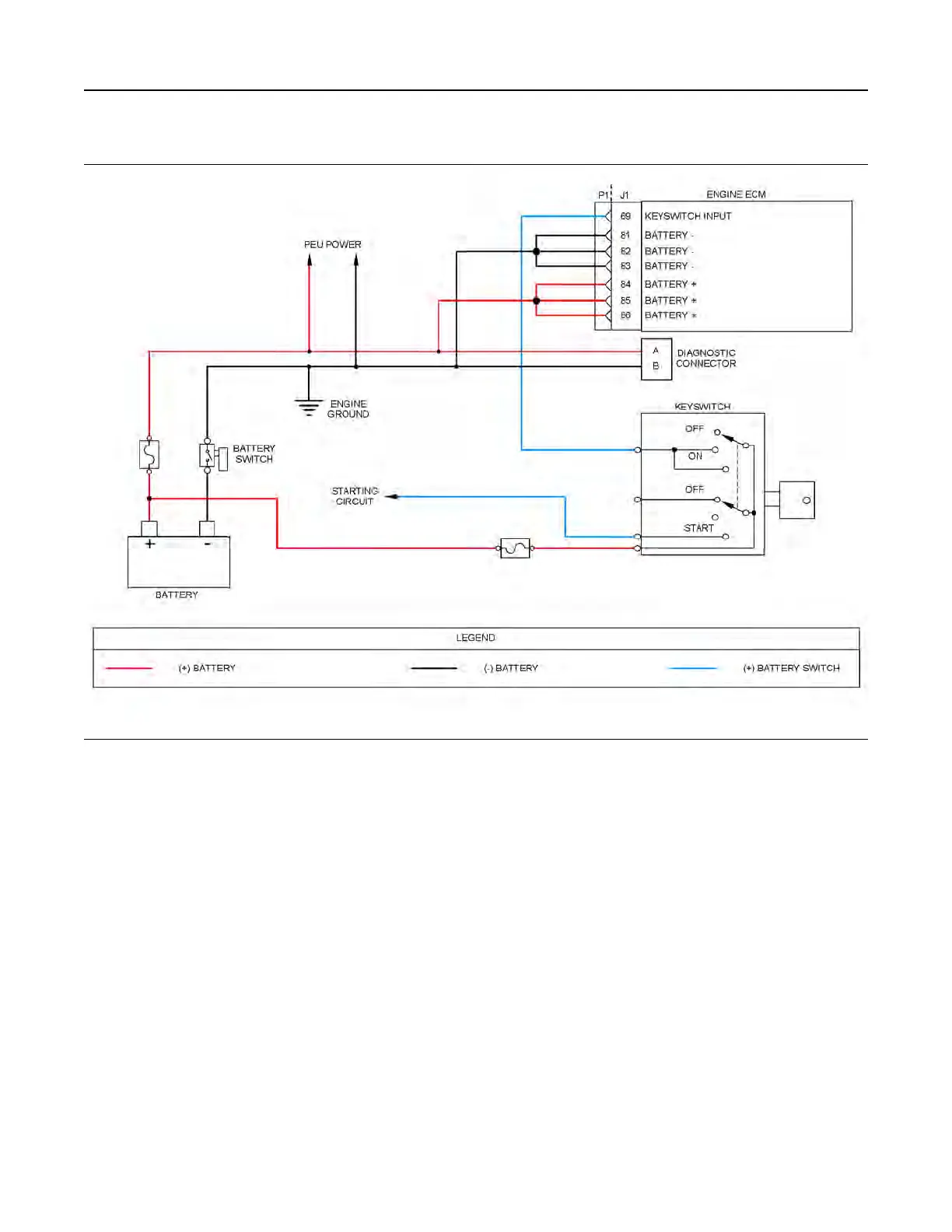
ECM Power Supply
Illustration 64 g03813883
The power supply to the ECM and the system is
drawn from the 24 V or the 12 V battery. The power
supply for the ECM has the following components:
Battery
Disconnect switch
Ignition keyswitch
Fuses
Ground bolt
ECM connector
The Schematic for the ECM shows the main
components for a typical power supply circuit. Battery
voltage is normally connected to the ECM. The input
from the ignition keyswitch turns on the ECM.
The wiring harness can be bypassed for
troubleshooting purposes.
The display screen on the electronic service tool can
be used to check the voltage supply.
70 UENR4490-01
Engine Operation
This document has been printed from SPI2. NOT FOR RESALE

Table of Contents

Other manuals for Perkins 1204F-E44TA

Related product manuals