EasyManua.ls Logo

Perkins 1206D-E70TTA - Product Information Section; General Information

Perkins 1206D-E70TTA
108 pages
Print Icon
To Next Page IconTo Next Page
To Next Page IconTo Next Page
To Previous Page IconTo Previous Page
To Previous Page IconTo Previous Page
Loading...
i07291449
Product Information
Section
General Information
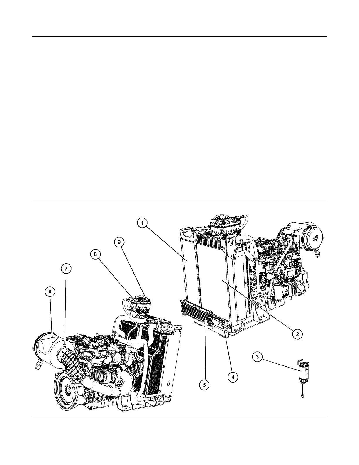
Model View Illustrations
The following model views show typical features of
the engine. Due to individual applications, your
engine may appear different from the illustrations.
Note: There will be no visual difference between the
1206A-E70TTA and the 1206D-E70TTA engines.
Full Engine Views
Illustration 18 g06276391
Typical example
(1) Air charge cooler (2) Radiator
22 M0090743
Product Information Section
General Information

Table of Contents

Related product manuals