EasyManua.ls Logo

Perkins 404F-22 - Product Information Section; Model View Illustrations (Engines and Aftertreatment)

Perkins 404F-22
108 pages
Print Icon
To Next Page IconTo Next Page
To Next Page IconTo Next Page
To Previous Page IconTo Previous Page
To Previous Page IconTo Previous Page
Loading...
404F-22T
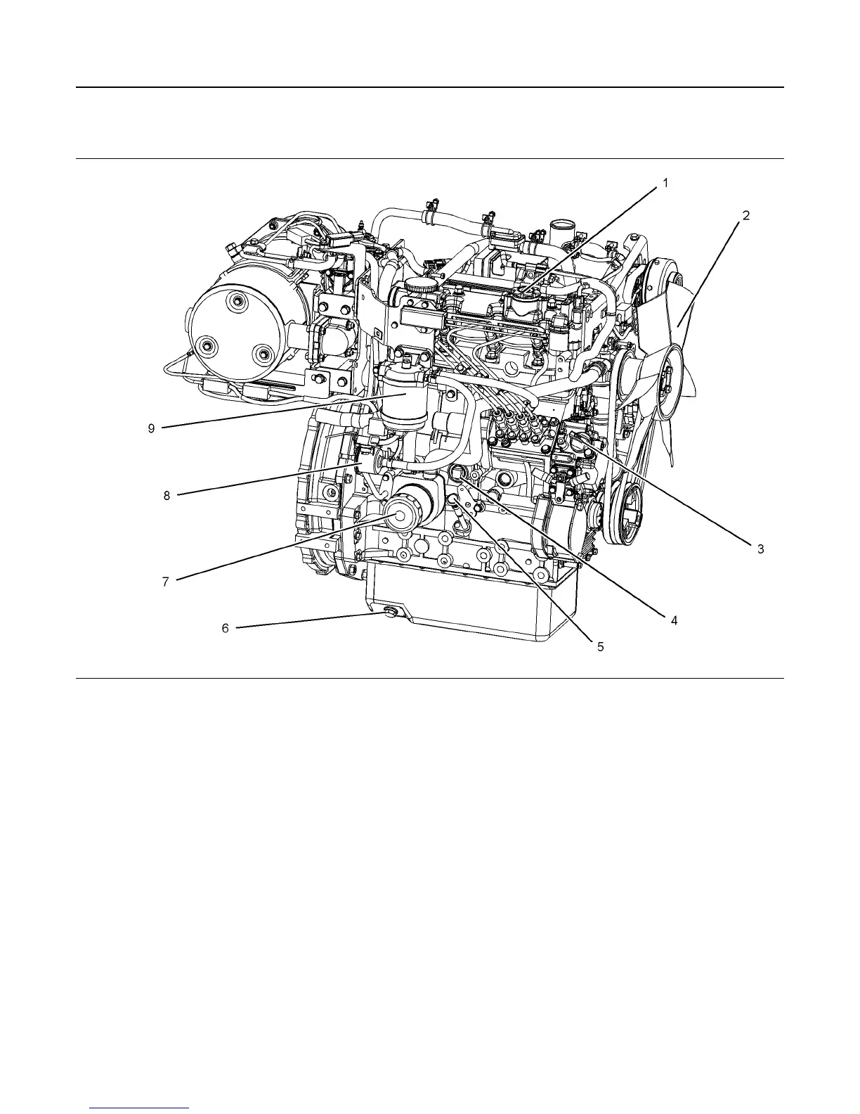
Illustration 15 g03246676
(1) Top oil filler
(2) Fan
(3) Side oil filler
(4) Cylinder block drain plug
(5) Oil gauge (Dipstick)
(6) Rear oil drain plug
(7) Oil filter
(8) Electric fuel pump
(9) Secondary fuel filter
SEBU8609 17
General Information
Model View Illustrations

Table of Contents

Related product manuals