EasyManua.ls Logo

Perkins 404F-22 - Page 38

Perkins 404F-22
108 pages
Print Icon
To Next Page IconTo Next Page
To Next Page IconTo Next Page
To Previous Page IconTo Previous Page
To Previous Page IconTo Previous Page
Loading...
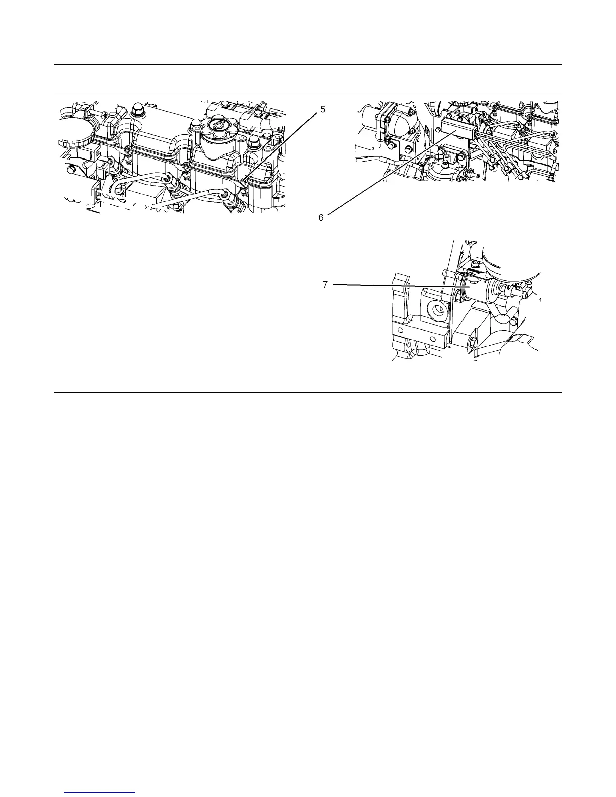
Illustration 34 g03280057
(5) Glow plugs (6) Resistor for ARD glow plug (7) Fuel pump/Priming pump
38 SEBU8609
Features and Controls
Sensors and Electrical Components

Table of Contents

Related product manuals