EasyManua.ls Logo

Perlick PKHT24 - Page 19

Perlick PKHT24
20 pages
Print Icon
To Next Page IconTo Next Page
To Next Page IconTo Next Page
To Previous Page IconTo Previous Page
To Previous Page IconTo Previous Page
Loading...
Commercial Glasswasher Installation & Operation Manual
Printed in USA 19
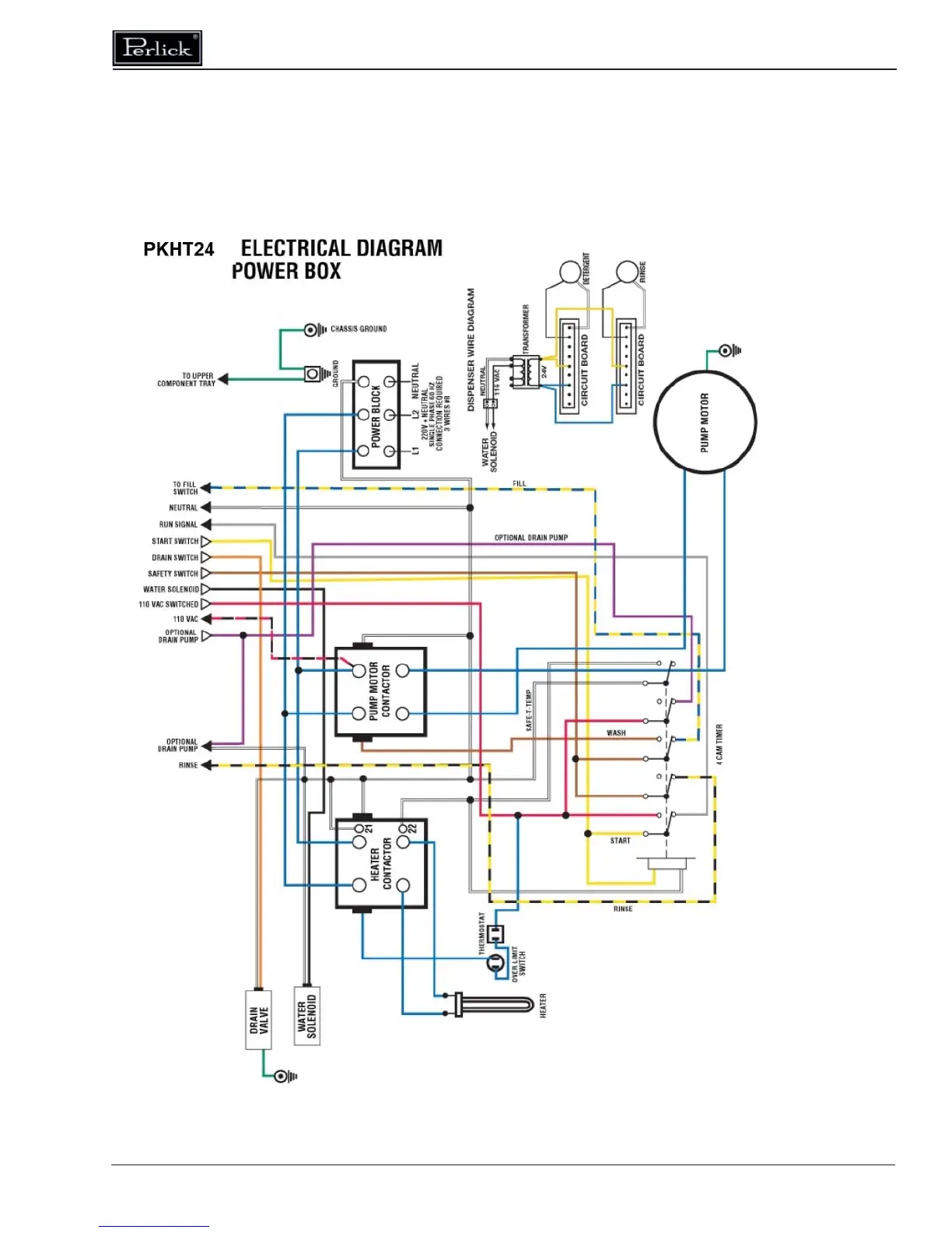
Electrical Diagram