EasyManua.ls Logo

Phenix 4100-10 - Page 8

Phenix 4100-10
25 pages
Print Icon
To Next Page IconTo Next Page
To Next Page IconTo Next Page
To Previous Page IconTo Previous Page
To Previous Page IconTo Previous Page
Loading...
2-3
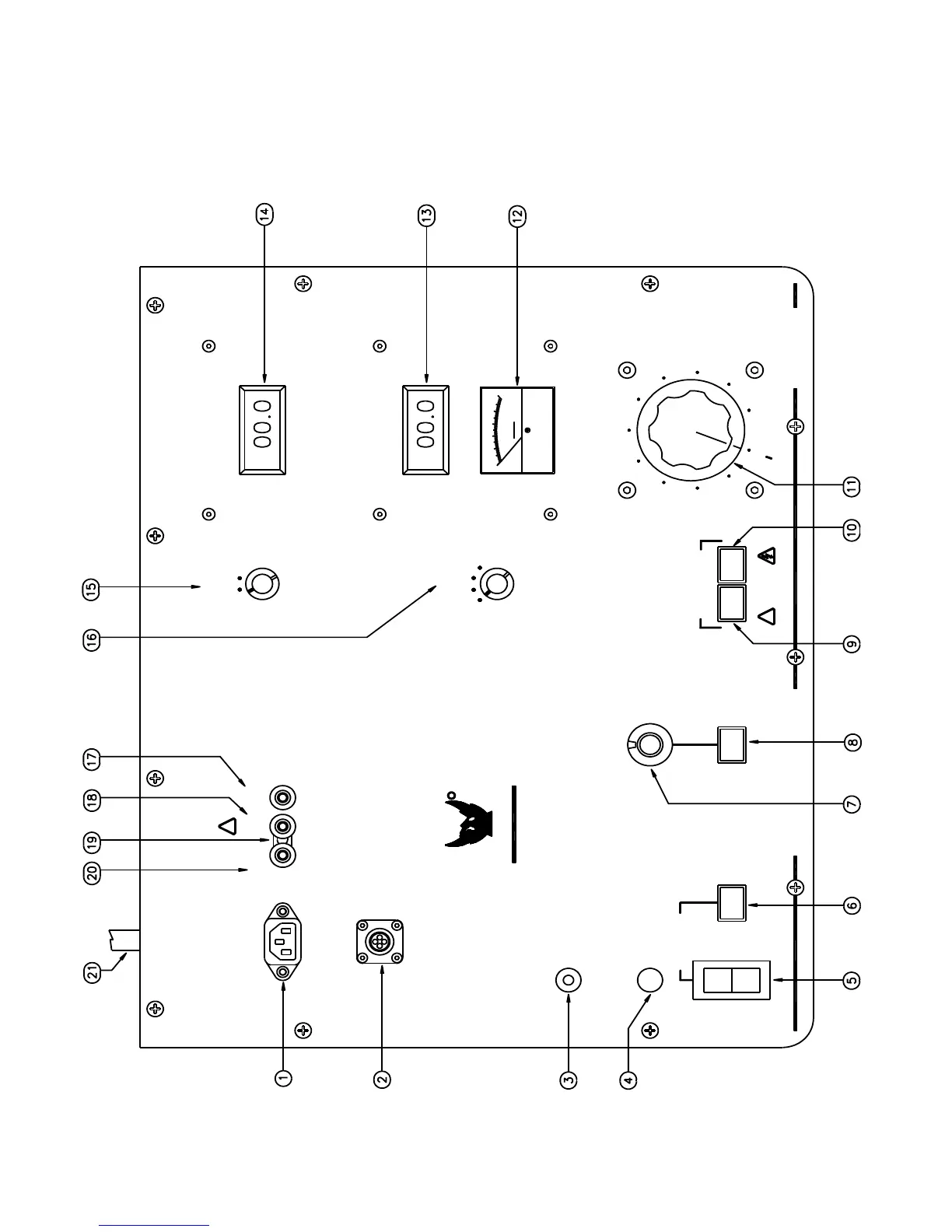
CONTROLS AND INDICATORS
FIGURE 2-1



















PHENIX
TECHNO LOGIES



















TECHNOLOGIES

PHENIX




















Related product manuals