EasyManua.ls Logo

Philco 7M31B - Page 45

Philco 7M31B
60 pages
Print Icon
To Next Page IconTo Next Page
To Next Page IconTo Next Page
To Previous Page IconTo Previous Page
To Previous Page IconTo Previous Page
Loading...
Skyworth RGB R&D Centre Technical Document
45
/
60
240MA
130mA
TLV62565
AVDD_AU33
AVDD15_MOD
(480mA)
MSH6103A
(1.2A)
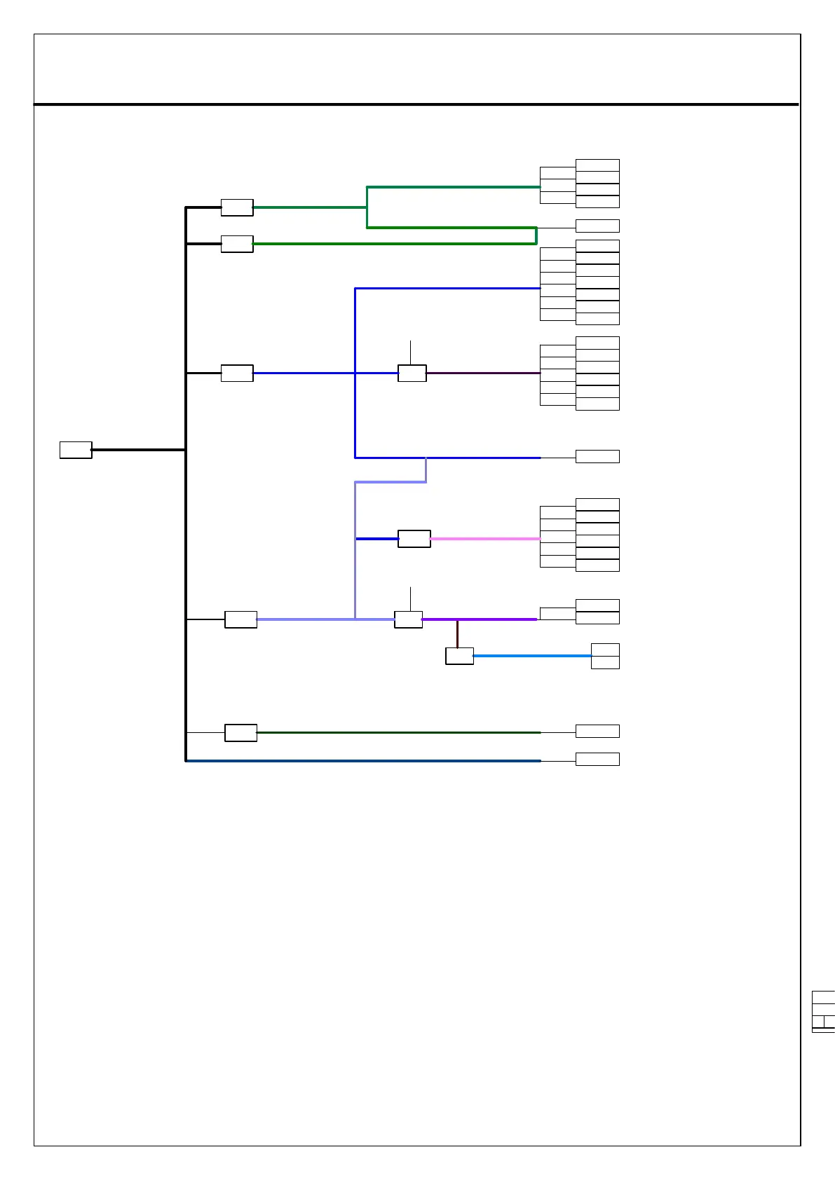
POWER TREE
AVDD_PLL
STANDBY ON
(4A)
ME2345A
eMMC
AVDD33_LAN
50mA
1.0_VDDC_CPU
(480mA)
+5V_Normal
150mA
AVDDL_MOD+1.10V_VDDC and +1.0V_VDDC_CPU
(1280mA)
+12V_PWR
20mA
50mA
+12_AMP
500mA
100mA
MSD6683
(1.3A)
395MA
(3A)
VDDC
AVDD_DMPLL
POWER
MP1652
+5V_USB
AVDD_DADC
AVDD_DDR_B
AP版本
+3.3V_Standby
AVDD_DDR_A
STANDBY ON
+5V_PCMCIA
160mA
ME2345A
(2A)
60mA
300mA
40mA
(2.8A)
eMMC
AVDD3P3_MHL3
(220mA)
ME2345A
Title
Size Document Number Rev
Date: Sheet of
1.0Custom
2 18Wednesday, Nov ember 07, 2018
50mA
+1.0V_VDDC_CPU
AVDD_NODIE
50mA
40mA
1470mA
+12V_PWR
50mA
20mA
40mA
AVDD_DDR_LDO_B
630MA
20mA
(200mA)
DVDD_DDR
+3.3V_Standby
+3.3V_TU
MP1652
300mA
(740mA)
+5V_STB
AOZ2152
30mA
WIFI 模块
(2A)
500mA
+3.3V_Normal
20mA
AVDD33_ADC
JY1117EA
AVDD_USB
1.3A
(600mA)
10mA
1.6A
+1.10V_VDDC
AVDD_MOD
VDDC_CPU
20mA
VDDP33
+1.5V_DDR
+12V_Panel
3380MA
AVDD_LPLL
AVDD_DRAM
+12V_PWR
+3.3V_Normal
Option
AVDD_MHL3
500mA
50mA
+12V_PWR
1.3A
10mA
AVDD_DDR_LDO_A
(1.5A)

Related product manuals