EasyManua.ls Logo

Philips 14PV225 - Page 15

Philips 14PV225
63 pages
Print Icon
To Next Page IconTo Next Page
To Next Page IconTo Next Page
To Previous Page IconTo Previous Page
To Previous Page IconTo Previous Page
Loading...
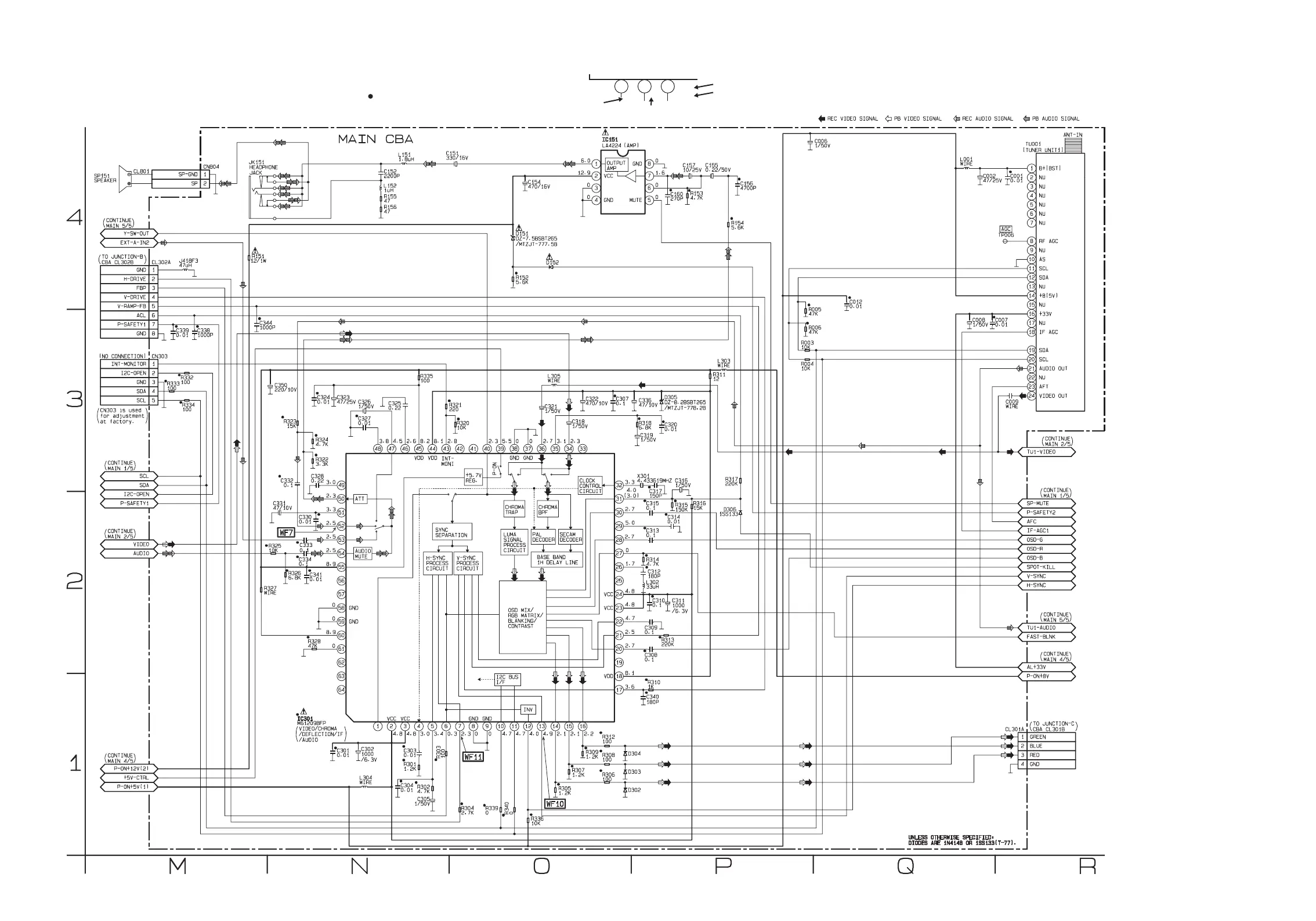
Main 3/5 Schematic Diagram
1-8-50 1-8-51
T6410SCM3
Voltage indications for PLAY and REC modes on
the Schematic Diagrams are as shown below:
1 2 3
5.0
(2.5)
~
5.0
THE SAME VOLTAGE FOR
BOTH PLAY & REC MODES.
INDICATES THAT THE VOLTAGE
IS NOT CONSISTENT HERE.
PLAY MODE
REC MODE
ā€œ ā€œ = SMD

Related product manuals