EasyManua.ls Logo

Philips 24PHA4309/56 - Page 3

Philips 24PHA4309/56
86 pages
Print Icon
To Next Page IconTo Next Page
To Next Page IconTo Next Page
To Previous Page IconTo Previous Page
To Previous Page IconTo Previous Page
Loading...
Technical Specs, Diversity, and Connections
EN 3TPS14.1A LA 2.
2014-Oct-24
back to
div.table
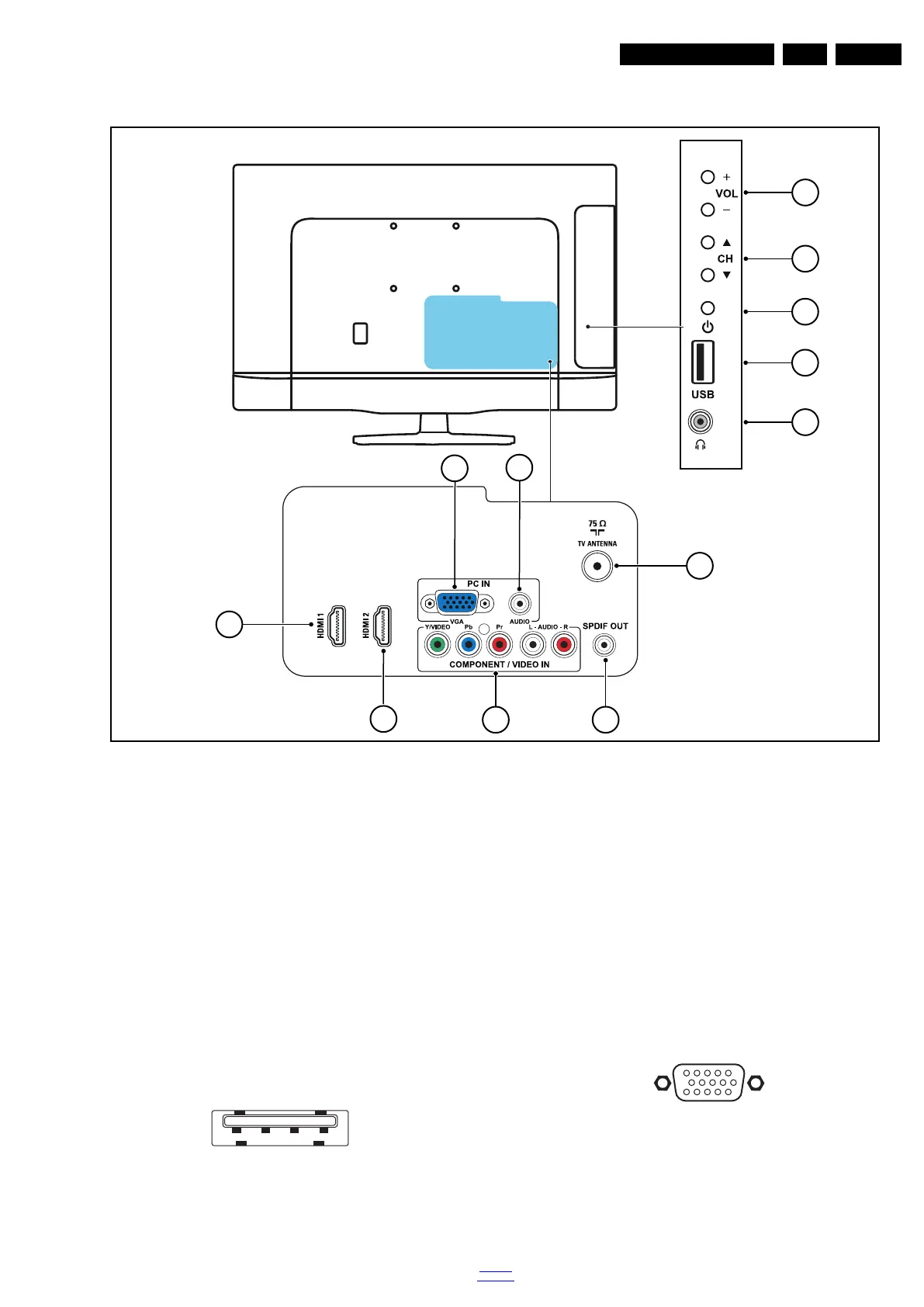
2.3 Connections (for 24"PHA4x09 series)
Figure 2-1 Connection overview
Note: The following connector colour abbreviations are used
(acc. to DIN/IEC 757): Bk= Black, Bu= Blue, Gn= Green,
Gy= Grey, Rd= Red, Wh= White, Ye= Yellow.
2.3.1 Side Connections
1 - Volume up/down
Volume +: Volume up
Volume -: Volume down
2 - Channel up/down
Channel +: Channel up
Channel -: Channel down
3 - Power Button
Turn on/off the TV.
4 - USB2 2.0
Figure 2-2 USB (type A)
1-+5V k
2 - Data (-) jk
3 -Data (+) jk
4 - Ground Gnd H
5 - Head phone (Output)
Bk - Head phone 80 - 600 W / 10 mW ot
2.3.2 Rear Connections
6 - TV ANTENNA - In
Signal input from an antenna, cable or satellite.
7 - Audio - In
Bu - Audio in 0.5 V
RMS
/ 10 kW jq
8 - PC IN:VGA
Figure 2-3 VGA connector
1 - Video Red 0.7 V
PP
/ 75 W j
2 - Video Green 0.7 V
PP
/ 75 W j
3 - Video Blue 0.7 V
PP
/ 75 W j
4-n.c.
5 - Ground Gnd H
19660_001.eps
1
2
11
3
4
5
6
9
10
7
8
12
1 2 3 4
10000_022_090121.eps
090121
1
6
10
11
5
15
10000_002_090121.eps
090127

Related product manuals