EasyManua.ls Logo

Philips 24PHA4309/56 - A 715 G6338 Psu

Philips 24PHA4309/56
86 pages
Print Icon
To Next Page IconTo Next Page
To Next Page IconTo Next Page
To Previous Page IconTo Previous Page
To Previous Page IconTo Previous Page
Loading...
EN 48TPS14.1A LA 10.
Circuit Diagrams and PWB Layouts
2014-Oct-24
back to
div.table
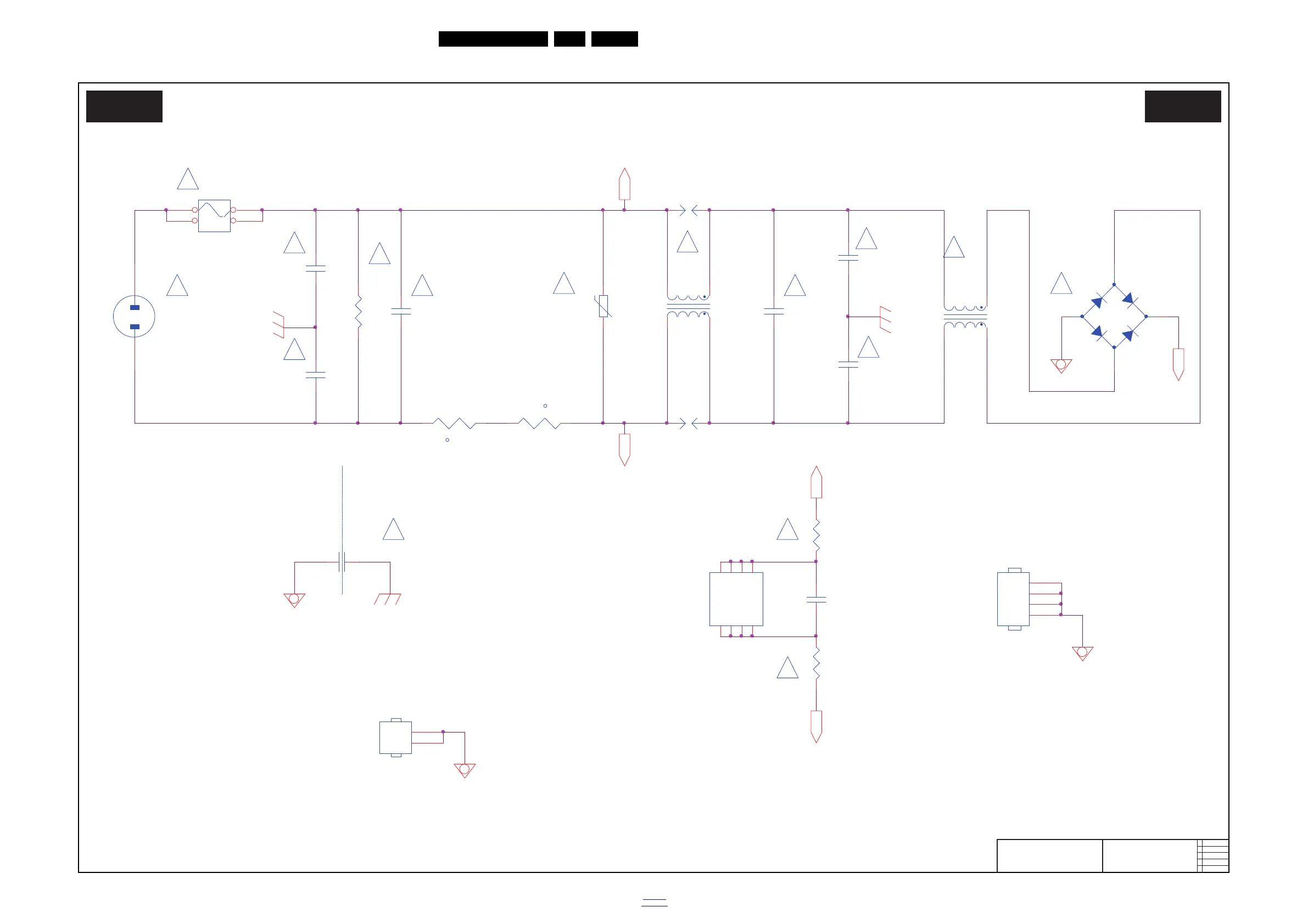
10.4 A 715G6338 PSU
10-4-1 AC input
19600_507.eps
AC input
A01 A01
2013-10-18
715G6338
AC input
T5AH/250V
R9902 3.9MOHM +-5% 1/2W
C9903
100PF 250V
C9904
100PF 250V
1
2
HS9902
HEAT SINK
!
SG9901
NC
SG9902
NC
RV9901
680V
1
2
CN9901
SOCKET
COLDHOT
R9901
NC
R9903
NC
!
!
!
1
2
3
4
HS9901
HEAT SINK
C9902
100NF 305V
!
!
1
2
4
3
L9902
12mH
C9901
100NF 305V
1 2
3 4
F9901
FUSE
!
1 2
t
NR9901
2.5R
!
C9907
470pF 250V
C9908
NC
!
1
2
4
3
L9901
12mH
!
!
!
12
t
NR9902
2.5R
!
!
B
Vsin
A
A
B
!
!
2
1
3
4
-
+
BD9901
TS10K80-02
NC
1
D1
2
D1
3
NC
4
NC
5
D2
6
D2
7
NC
8
IC9901
NC
C9906
470pF 250V
C9905
470pF 250V

Related product manuals