EasyManua.ls Logo

Philips 32HFL5850D/10 - Page 44

Philips 32HFL5850D/10
123 pages
Print Icon
To Next Page IconTo Next Page
To Next Page IconTo Next Page
To Previous Page IconTo Previous Page
To Previous Page IconTo Previous Page
Loading...
IC Data Sheets
EN 44 Q522.2HE LA8.
2010-Jun-30
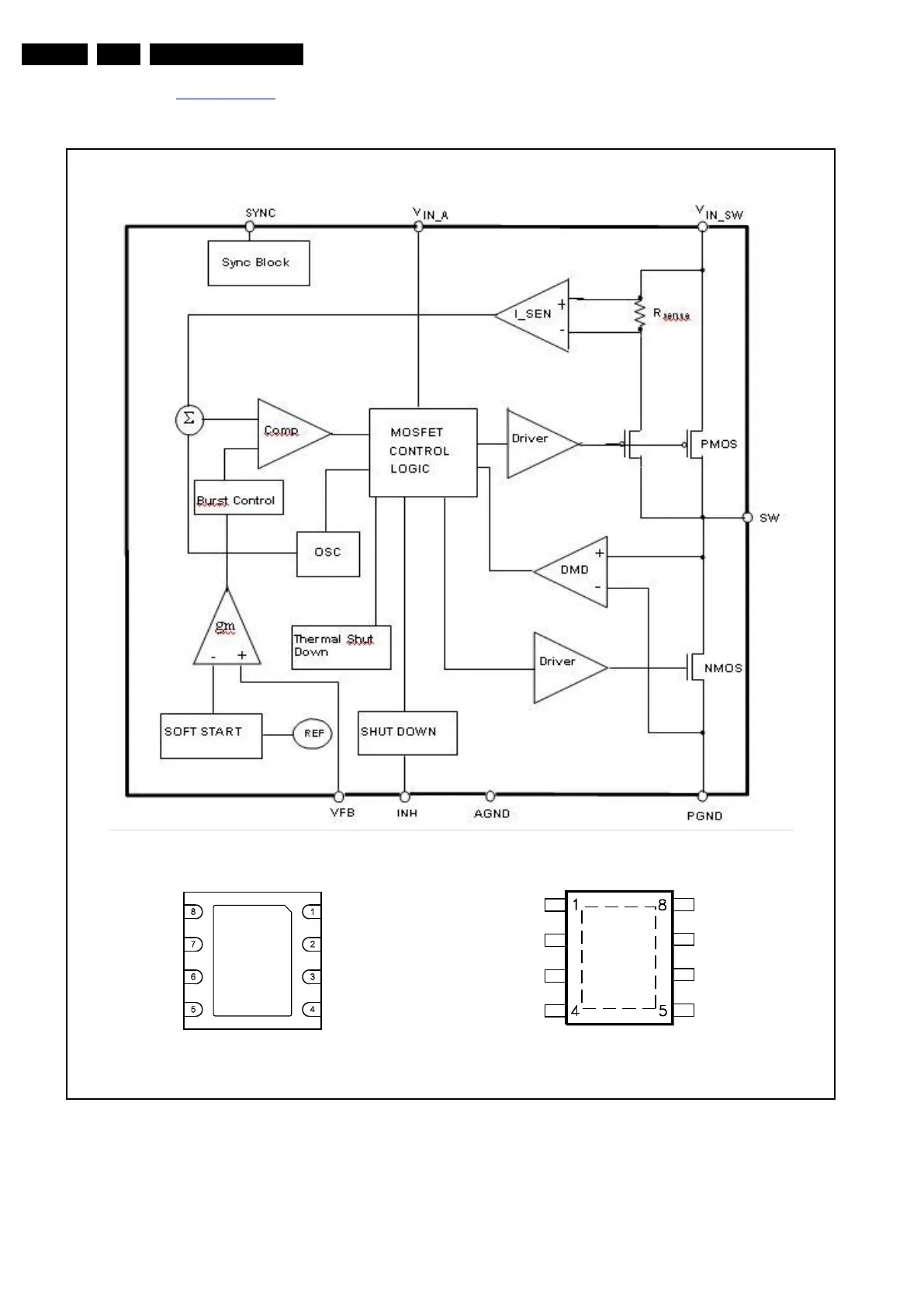
8.2 Diagram B02C SSB: DC / DC, ST1S10PHD (IC 7U0Z)
Figure 8-2 Internal block diagram and pin configuration
I_18010_083.eps
100402
Block diagram
Pinning information
PowerSO-8
DFN8 (4 × 4)