EasyManua.ls Logo

Philips 32HFL5850D/10 - Small Signal Board (B02-B10)

Philips 32HFL5850D/10
123 pages
Print Icon
To Next Page IconTo Next Page
To Next Page IconTo Next Page
To Previous Page IconTo Previous Page
To Previous Page IconTo Previous Page
Loading...
EN 72Q522.2HE LA 10.
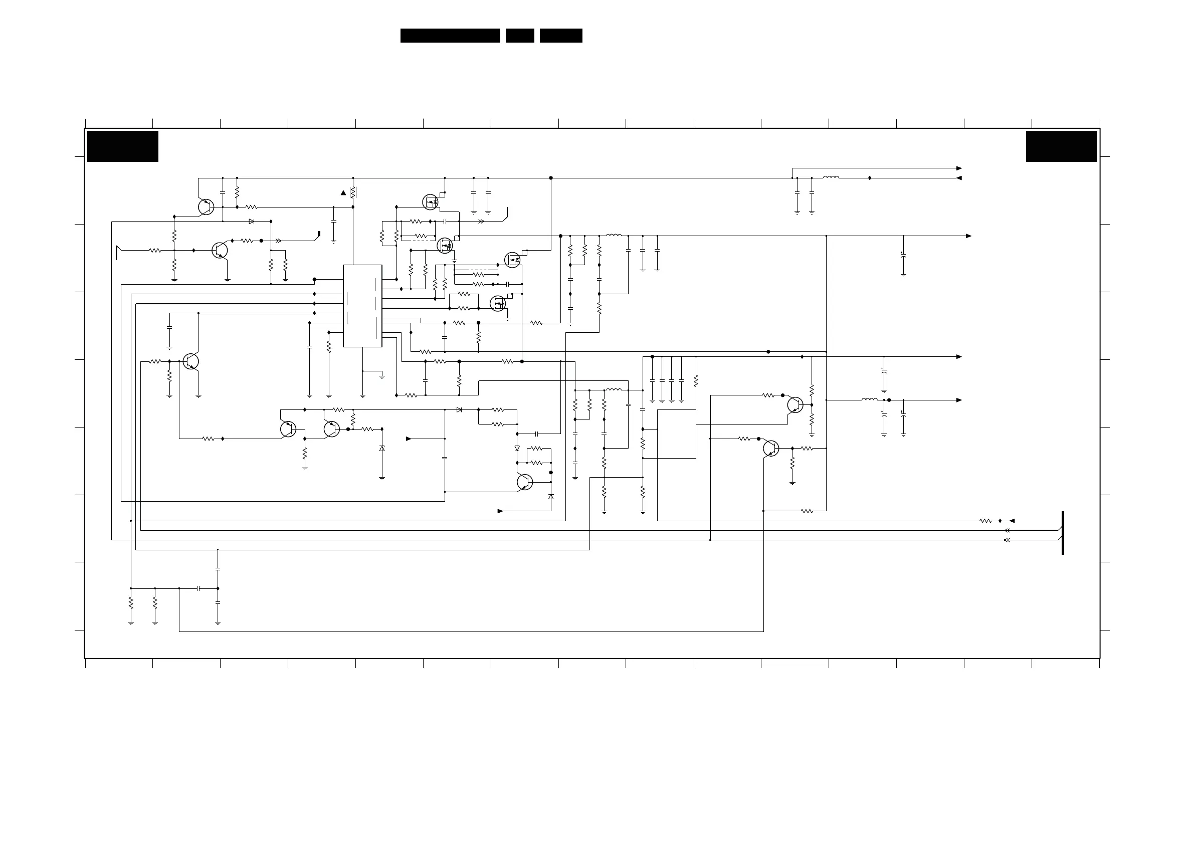
Circuit Diagrams and PWB Layouts
2010-Jun-30
SSB: DC / DC 3V3 1V2
VCC
L2
+1
-1
1
2
+2
-2
2
VFB
GATE
IS
COMP
GATE
GND
1
BST
ROSC
H2
L1
H1
3V3
RES
RES
RES
IU0W C4
IU0Z E5
IU10 C2
IU11 B2
IU12 A2
IU13 A3
IU14 B3
IU15 E11
IU16 E4
IU19 G3
IU1B C8
IU1D E9
IU1E E8
IU1F D11
IU1G F14
IU1H D4
IU1K C6
IU1M C6
IU1N C6
IU1P A5
IU1S D6
FU06 E10
FU09 C6
FU0A D7
FU0D E7
FU0E D12
IU02 B8
IU03 E7
IU04 D8
IU05 E8
IU06 A4
IU07 D8
IU08 B8
IU09 A3
IU0A D11
IU0C E3
IU0D D5
IU0E D5
IU0F C5
IU0G B5
IU0H C5
IU0K C6
IU0M B7
IU0N B7
IU0P B5
IU0R A6
IU0S C43U75 E9
5U00 D8
5U01 B8
6U00 D6
6U01 E7 IU0T C4
IU0V C4
6U04 E5
7U00-1 B3
7U00-2 A2
7U01-1 E3
7U01-2 E4
7U03 E7
7U04 C2
7U05-1 B7
7U05-2 C6
7U07-1 D11
7U07-2 E11
7U08-1 A6
7U08-2 B6
7U0A B4
9U02 B5
9U03 B6
FU00 B8
FU01 C11
FU03 E4
FU04 C6
FU05 A73U0Z D11
IU1T A12
FU08 B33U12 D11
3U13 D11
FU0B C9
FU0C D113U16 C7
3U17 D6
IU00 E7
IU01 B83U1A D4
3U1B D5
3U1D F11
3U1E D7
3U1F D7
3U1G B3
3U1H B3
3U1J F14
3U1K E7
3U1M B8
3U1N B5
3U1P B6
3U1R B6
3U1S B5
3U1T B6
3U1U D4
3U70 A4
3U71 A5
3U72 B5
3U73 B6
3U74 D82U13 A6
IU0U C43U77 B22U16 D12
3U00 D5
5U02 A12
5U03 D123U03 B8
3U04 C8
6U02 A3
6U03 F73U07 D8
3U08 E8
3U09 E8
3U0A E9
3U0D D2
3U0E C2
3U0F G1
3U0G G1
3U0H C4
3U0J B8
3U0K D8
3U0M C6
3U0N B5
3U0P B5
3U0R B6
3U0S B3
3U0T A3
3U0U A3
3U0V B2
3U0W B2
3U0Y E102U00 D5
FU07 B43U11 E112U03 B8
2U04 C6
3U14 C6
3U15 C72U07 D9
2U08 E8
3U18 E2
3U19 E42U0B G2
2U0C C2
2U0D G2
2U0E G2
2U0F A6
2U0G A4
2U0H B8
2U0J E8
2U0K E8
2U0M B7
2U0N A2
2U0R D9
2U0T D9
2U0U D9
2U0V D9
2U0W A6
2U0Y A11
2U0Z B9
2U10 D12
2U11 D13
2U12 C8
3U76 D92U15 B13
12
3U01 C6
3U02 E7
56
3U05 C6
3U06 C6
9 10111213 14 15
A
B
C
D
E
F
G
A
B
C
D
E
F
G
3U10 E112U02 E6
12V UNDER-VOLTAGE DETECTION
12V/1V2 CONVERSION
2U05 B8
2U06 B9
2U09 D8
2U0A C4
3 45678 910111213 14
RES
RES
2U14 A11
15
3 478
RES
RES
0V
2U01 E7
BOOSTER
RES
12
RES
RES
12V/3V3 CONVERSION
2U01
100n
3K3
3U00
9U03
SENSE+1V2-PNX8541
IU1D
IU1T
+1V2-PNX8541
10R
3U70
330R
3U1U
25V
2U15
220u
+12VF
22K
3U1H
100p
2U0B
3U17
3K3
1K0
3U08
1K0
GND-SIG
3U04
3U09
4K7
FU05
4R7
3U0M
6U03
PDZ18-B
2U02
1u0
BC857BS
7U01-2
5
3
4
FU04
3U18
10K
IU0K
IU0N
3U1A
1K0
GND-SIG
GND-SIG
FU06
IU1K
6K8
3U15
IU12
3U0D
33K
IU10
1%
3U0F
470R
1
3
2
IU14
BC847BW
7U04
100n
2U0E
3U0G
4K7
IU0V
56
4
3
IU0T
IU0U
SI4936ADY
7U05-2
7 8
2
1
1
3
2
7U05-1
SI4936ADY
BC817-25W
7U03
2U08
100n
BAS316
6U00
IU1F
BAS316
6U01
100n
2U00
IU0P
IU0H
IU1M
GND-SIG
2U04
100n
GND-SIG
100n
2U0C
3U0N 22R
33K
3U0E
2U0D
100p
10K
3U1G
2U0A
100n
10u
5U02
3n3
2U09
3U1E
68R
6K8
3U07
2U14
10u
3U0A
1K01%
22R
3U73
10u
2U0U
IU1P
4
3
1K0
3U1B
SI4936ADY
7U08-2
56
IU16
100K
3U19
2
6
1
FU0A
BC857BS
7U01-1
3U16
6K8
3U14
6K8
IU15
6U04
PDZ9.1-B
IU13
100n
2U03
IU11
1
IU0Z
7U08-1
SI4936ADY
7 8
2
IU0W
68R
3U1F
IU0S
IU0R
470R
3U02
2U05
3n3
2U0V
10u
IU0M
3U05
6K8
IU1N
3U01
1K0
FU09
3U0K
22R
2U12
1n0
3U0J
FU0B
IU05
22R
IU03
IU01
IU1H
IU00
3U03
6K8
10u
5U01
GND-SIG
FU07
6U02
BAS316
3U0P
4R7
10u
5U00
GND-SIG
3U1D
1K0
1%
GND-SIG
3U0H
39K
3U12
1K0
IU1E
10K
3U10
2K2
3U77
3U0Y
10K
+1V2-PNX8541
IU1S
IU09
IU1G
10K
3U0W
6.3V330u
2U16
22K
3U0U
1
+3V3
3U0S
100R
BC847BPN
7U00-1
2
6
IU07
+12V
2U0Z
10u
3U0R
10R
2U0Y
22u
10R
3U71
2U0W
22u
IU0D
3K3
3U06
IU0C
10u
2U0T
2U0K
FU08
1n0
+12VF
3U1T
22R
1n0
2U0H
FU01
IU06
IU04
3U1P
4R7
IU02
3U1M
22R
3U1R
FU00
10R
10R
3U76
*
GND-SIGGND-SIG
3U1K
470R
5U03
10u
GND-SIG
3U75
1%
IU19
2U11
100u 4V
120R
FU0E
GND-SIG
IU0G
FU0C
9U02
IU0A
IU1B
3U11
3K3
BC847BS
5
3
4
IU0E
2
6
1
+3V3F
7U07-2
7U07-1
BC847BS
3U1S 10R
10K
3U0Z
3U1N
22R
3U0V
10K
3U74
22R
22K
3U0T
3U72
4R7
2U0N
100n
2U0R
1u0
IU08
3n3
2U0M
1%120R
3U1J
BC847BPN
7U00-2
5
3
4
11
5
1213
14
7
10
4
8
9
1
16
2
15
3
6
Φ
7U0A
NCP5422ADR2G
10u
2U07
FU0D
2U06
10u
4V100u
2U10
2U13
3n3
10u
2U0F
IU0F
2U0J
1n0
2U0G
1u0
FU03
3U13
100R
AUDIO-PROT
PROT-DC
SUPPLY-FAULT
ENABLE-3V3
VSW
DC / DC 3V3 1V2
B02A B02A
I_18010_011.eps
020608
3139 123 6417.2

Other manuals for Philips 32HFL5850D/10

Related product manuals