EasyManua.ls Logo

Philips 32HFL5850D/10 - Page 84

Philips 32HFL5850D/10
123 pages
Print Icon
To Next Page IconTo Next Page
To Next Page IconTo Next Page
To Previous Page IconTo Previous Page
To Previous Page IconTo Previous Page
Loading...
EN 84Q522.2HE LA 10.
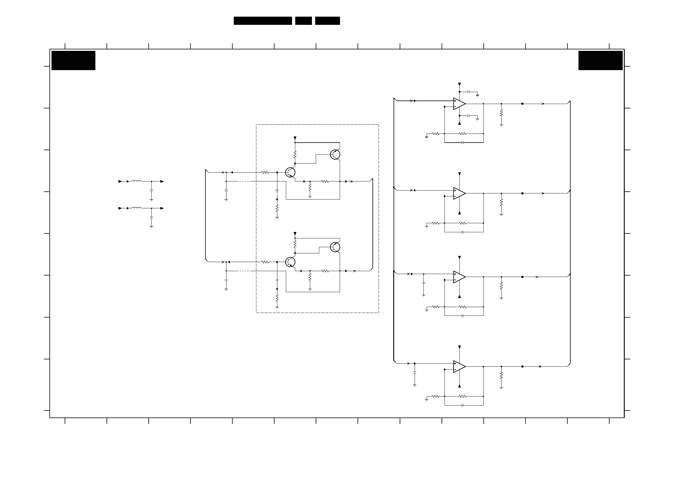
Circuit Diagrams and PWB Layouts
2010-Jun-30
SSB: PNX8541: Audio
RESERVED
1 678
RES
12 13
123 4
IHN6 D10
IHN8 C6
IHNA F10
IHNB E9
IHND H9
IHNE H10
IHNF E6
12
RES
IHNH E6
IHNJ D6
IHNK F6
G
A
B
C
D
E
F
E
H
2HM3 C4
9
RES
IHN0 C6
IHN3 C9
IHN4 E6
IHNG C6
2 3 45
2HMT D10
2HMW F10
2HMY H9
2HMZ H10
10
RES
3HMB F6
3HMC D6
3HMD F6
3HME-1 B10
3HME-2 B9
3HME-3 D9
5678 91011
3HMM-2 F10
13
A
7HM1-4 H10
7HM2-1 C6
7HM2-2 E6
7HM3 C7
9HM2 E5
FHM0 A11
FHM1 C11
FHM2 E11
FHM3 H11
IHM1 C7
C
D
IHMY A10
F
G
2HM4 C6
2HM5 F6
2HM8 F4
2HMG C3
2HMH D3
2HMJ A10
2HMN B10
2HMP B10
2HN1 F9
11
3HME-4 D10
3HMF B11
3HMG D11
3HMI F11
3HMJ H11
3HML C7
3HMM-1 F9
3HMM-3 H9
3HMM-4 H10
B
3HMW E6
3HMY C6
3HMZ C5
5HM0 C2
5HM1 D2
7HM1-1 A10
7HM1-2 C10
7HM1-3 E10
7HM4 E7
IHM2 C4
IHM3 E4
IHM6 C2
IHM9 D2
IHMG E7
IHMV A9
IHMW A9
IHMZ B10
H
3HMA C6
3HMU E7
3HMV E5
9HM1 C5
PNX 8541: AUDIO
1K0
3HMI
3HMA
180R
IHNH
3n3
2HM3
AUDIO-VEE
2HM8
3n3
AUDIO-VEE
AUDIO-VDD
100n
2HMJ
27
3HMM-2
10K
2HM4
1u0
3HMU
820R
820R
54
3HML
3 6
3HME-4
10K10K
3HME-3
2HMT
33p
33p
2HMW
3HMZ
5K6
IHM3
2HMN
100n
IHNE
IHND
AUDIO-VDD
3 6
3HMJ
1K0
10K
3HMM-3
3HMW
1K2 1K2
3HMY
3HMG
1K0 1K0
3HMF
3n3
2HMY
IHNG
IHMG
8 1
IHM1
10K
3HMM-1
FHM0
IHM2
1
3
2
1
3
2
7HM4
BC857BW
BC857BW
7HM3
5
3
4
7HM2-2
BC847BS
5K6
3HMD
IHNK
1u0
2HMG
27
AUDIO-VDD
3HME-2
10K
1u0
2HM5
IHN4
+AUDIO-POWER
IHN0
IHM6
AUDIO-VDD
IHM9
5HM0
30R
3HMV
FHM3
5K6
FHM2
IHNA
IHN6
33p
2HMP
IHMZ
FHM1
IHMY
9HM2
9HM1
180R
3HMB
IHMW
IHNB
IHMV
2
6
1
BC847BS
7HM2-1
IHN8
IHNF
12
13
14
4
11
54
LM324
7HM1-4
3HMM-4
10K
3HMC
5K6
2HMZ
33p
10
9
8
4
11
LM324
7HM1-3
AUDIO-VDD
AUDIO-VDD
AUDIO-VEE
IHNJ
AUDIO-VDD
AUDIO-VEE
2HN1
3n3
5
6
7
4
11
11
LM324
7HM1-2
3
2
1
4
LM324
7HM1-1
1 8
10K
3HME-1
IHN3
AUDIO-VEE
-AUDIO-POWER
2HMH
1u0
30R
5HM1
+AUDIO-L
-AUDIO-R
AUDIO-OUT-R
ADAC(5)
AUDIO-OUT-L
ADAC(6)
ADAC(1)
ADAC(2)
AUDIO-CL-L
ADAC(7)
AUDIO-CL-R
ADAC(8)
B04I B04I
I_18010_023.eps
020608
3139 123 6417.2