EasyManua.ls Logo

Philips 32HFL5850D/10 - Page 87

Philips 32HFL5850D/10
123 pages
Print Icon
To Next Page IconTo Next Page
To Next Page IconTo Next Page
To Previous Page IconTo Previous Page
To Previous Page IconTo Previous Page
Loading...
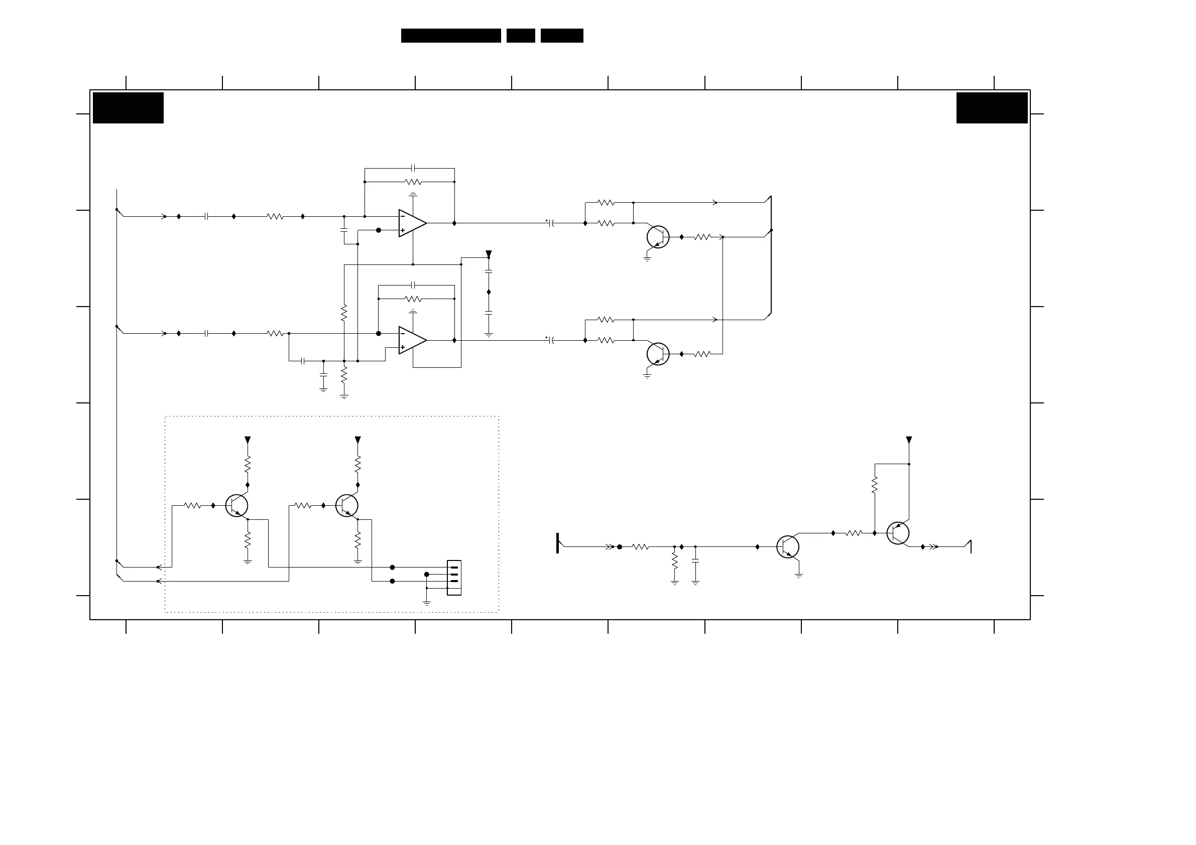
Circuit Diagrams and PWB Layouts
EN 87Q522.2HE LA 10.
2010-Jun-30
SSB: PNX8541: Audio
IHVP C4
IHVQ B4
IHVR B6
IHVS C6
IHVT B5
IHVZ D2
2V6
FHV6 E4
FHV7 B3
IHV3 D1
IHV6 C5
IHV7 E9
IHV8 E8
2V6
5V3
RESERVED FOR ITV
RES
RES
PNX 8541: AUDIO
IHV9 E7
IHVA E8
IHVB E6
IHVG D3
IHVH D3
IHVJ A1
IHVK C1
IHVL A2
3HVM C3
3HVN C5
IHVM C2
IHVO B4
3HVQ C6
3HVR C3
7HV1 E2
7HV2 E3
7HV3-1 A4
7HV3-2 C4
7HV4 B6
7HV5 C6
7HVA-1 E7
7HVA-2 E9
FHV3 E6
FHV4 E3
FHV5 E3
2HVT C2
2HVU B3
FHV8 C3
IHV2 A2
3HV4-2 E8
3HV4-3 E6
3HV4-4 E6
3HV6 D2
3HV7 E1
3HV8 E2
3HV9 D3
3HVA E2
3HVB E3
3HVG A3
3HVH A5
3HVI B2
3HVJ B5
3HVK B6
3HVL B3
RES
RES
3HVO C2
3HVP C5
123 45
2V6
2V6
5V3
2V6
2HVG E6
2HVL A3
2HVM B1
2HVN B5
2HVO B4
2HVP B3
2HVQ B4
2HVR C1
2HVS C5
1
2HVW C2
3HV4-1 D8
4567
BATHROOM SPEAKER
RESERVED
2V6
8 9
678 9
A
B
C
D
E
A
B
C
D
E
1HV1 E4
2 3
3HVK
1K0
FHV6
AUDIO-VDD
IHV3
IHVT
220n
2HVO
3HVH
33R
3HVP
33R
IHV6
IHV2
IHVQ
1 8
7
22K
3HV4-1
3HV4-2
22K
2
IHVZ
1
3
2
FHV7
BC847BW
7HV4
1
3
2
BC847BW
7HV5
3
45
1HV1
BM03B-SRSS-TBT
1
2
3HVQ
1K0
2HVT
470n
6
1
BC847BPN
7HVA-1
2
IHVO
IHVP
5K6
3HVA
IHVL
AUDIO-VDD
IHVA
6
7
8 4
7HV3-2
TS482IDT
5
FHV8
3HVR
100K
10K
3HV9
IHVJ
3HVO
47K
2HVM
470n
3HVL 120K
BC847BW
7HV1
FHV5
2HVP
33p
TS482IDT
3
2
1
8 4
+5V
7HV3-1
47K
3HVI
3HVM
100K
2HVW
470p
2HVR
470n
IHVM
IHVR
IHVS
IHVG
470p
2HVU
IHV8
IHVH
3HVN
33R
33R
3HVJ
1n0
FHV4
3HV4-3
63
2HVG
45
22K
3HV4-4
22K
IHVB
3
4
FHV3
7HVA-2
BC847BPN
5
120K3HVG
IHVK
2HVS
6.3V47u
6.3V47u
2HVN
3HV7
5K6
10K
3HV63HV8
470R
+3V3-STANDBY
IHV9
IHV7
470R
3HVB
7HV2
BC847BW
33p
220n
2HVQ
2HVL
HPIC_LOUT
ADAC(4)
ADAC(3)
HPIC_RIN
HPIC_LIN
HPIC_ROUT
HP_ROUT
HP_LOUT
A-PLOP
A-PLOPAUDIO-RESET
ADAC(3)
ADAC(4)
B04M B04M
I_18010_026.eps
030609
3139 123 6417.2