EasyManua.ls Logo

Philips 32PFL3007 - TPA6132 A2 RTER Headphone Amplifier

Philips 32PFL3007
66 pages
Print Icon
To Next Page IconTo Next Page
To Next Page IconTo Next Page
To Previous Page IconTo Previous Page
To Previous Page IconTo Previous Page
Loading...
IC Data Sheets
EN 33TPM9.1AL LA 8.
2012-Jun-15
back to
div. table
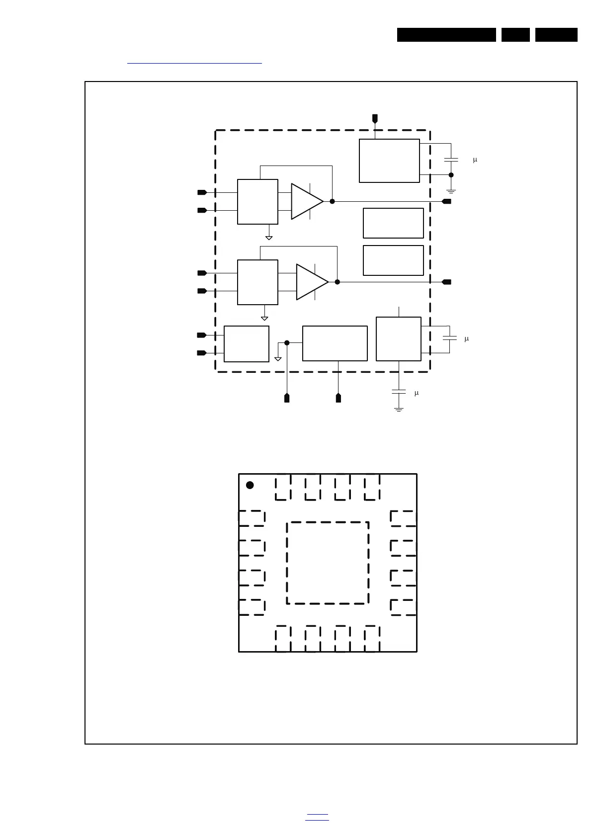
8.3 Diagram 10-1-16 B16, Headphone Out, TPA6132A2RTER (IC U606)
Figure 8-4 Internal block diagram and pin configuration
19160_302_110622.eps
110622
Block diagram
Pinning information
1
HPVDD
CPP
INL-
INL+
INR+
INR-
PGND
CPN
2
3
4
12
11
10
9
16
15
14
13
5
6
7
8
OUTR
G0
G1
HPVSS
OUTL
SGND
VDD
EN
TPA6132A2RTER
Click-and-Pop
Suppression
+
HPVDD
HPVSS
+
HPVDD
HPVSS
Charge
Pump
INR+
INR-
INL+
INL-
OUTL
OUTR
CPP
CPN
HPVSS
G0
EN
Thermal
Protection
Gain
Select
G1
VDD
Supply
Control
PGND
SGND
HPVDD
Resistor
Array
1F
1F
2.2 F
Short-Circuit
Protection
Resistor
Array
HPVDD
TPA6132A2RTER

Related product manuals