EasyManua.ls Logo

Philips 32PFL4508 - LED Backlight Drive Block Diagram

Philips 32PFL4508
50 pages
Print Icon
To Next Page IconTo Next Page
To Next Page IconTo Next Page
To Previous Page IconTo Previous Page
To Previous Page IconTo Previous Page
Loading...
9-4
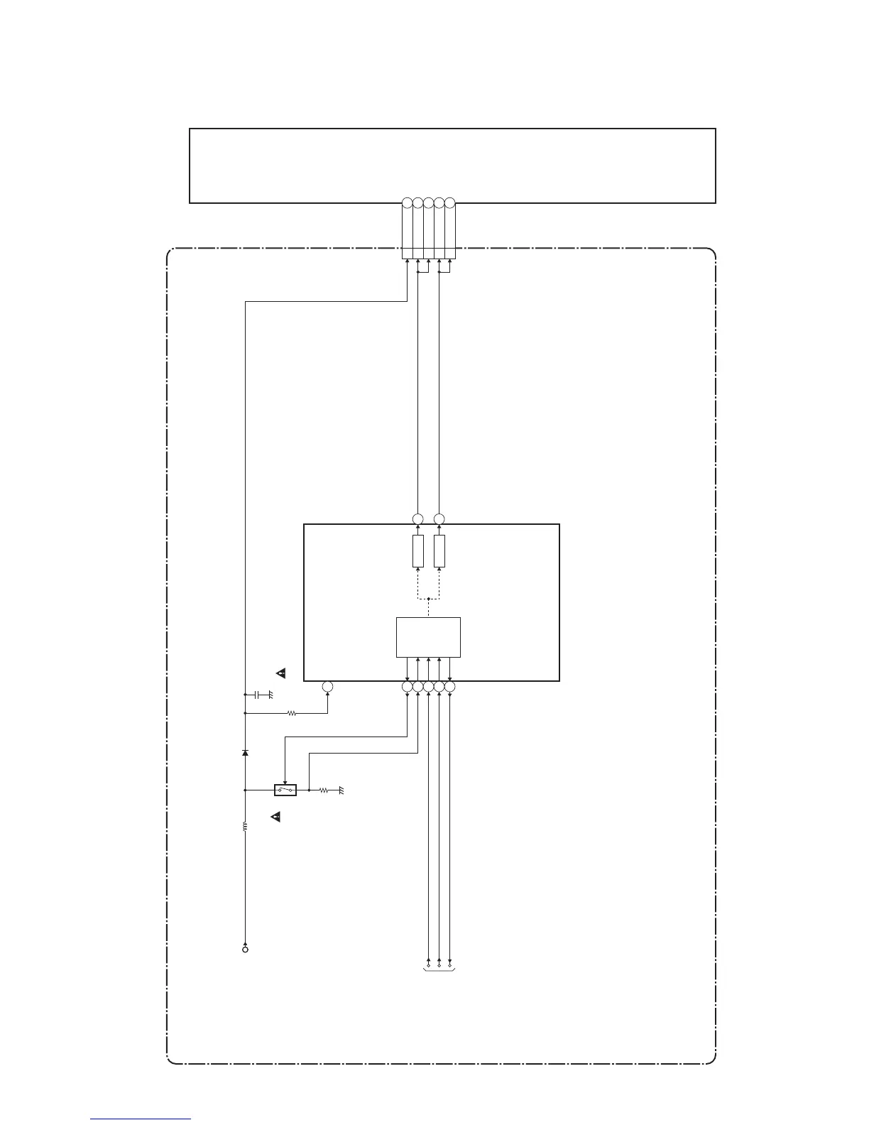
4. LED Backlight Drive Block Diagram
IC1001
(LED BACKLIGHT DRIVER)
OVP
CN1001
DRIVE
Q1001
CONTROL
LOGIC
4
9
8
6
1
14
2
DRIVE 5
ILED16
VLED4
ILED17
ILED22
ILED21
POWER SUPPLY CBA
LCD PANEL
ASSEMBLY
PROTECT3
BACKLIGHT-ADJ
BACKLIGHT-SW
TO
SYSTEM CONTROL
BLOCK DIAGRAM
P-ON+21V
PL13.9BLBD

Related product manuals