EasyManua.ls Logo

Philips 32PFL5615D/7 - J 2722171 Xxxxx IR Board Van Gogh, da Vinci

Philips 32PFL5615D/7
166 pages
Print Icon
To Next Page IconTo Next Page
To Next Page IconTo Next Page
To Previous Page IconTo Previous Page
To Previous Page IconTo Previous Page
Loading...
EN 162Q552.1L LA 10.
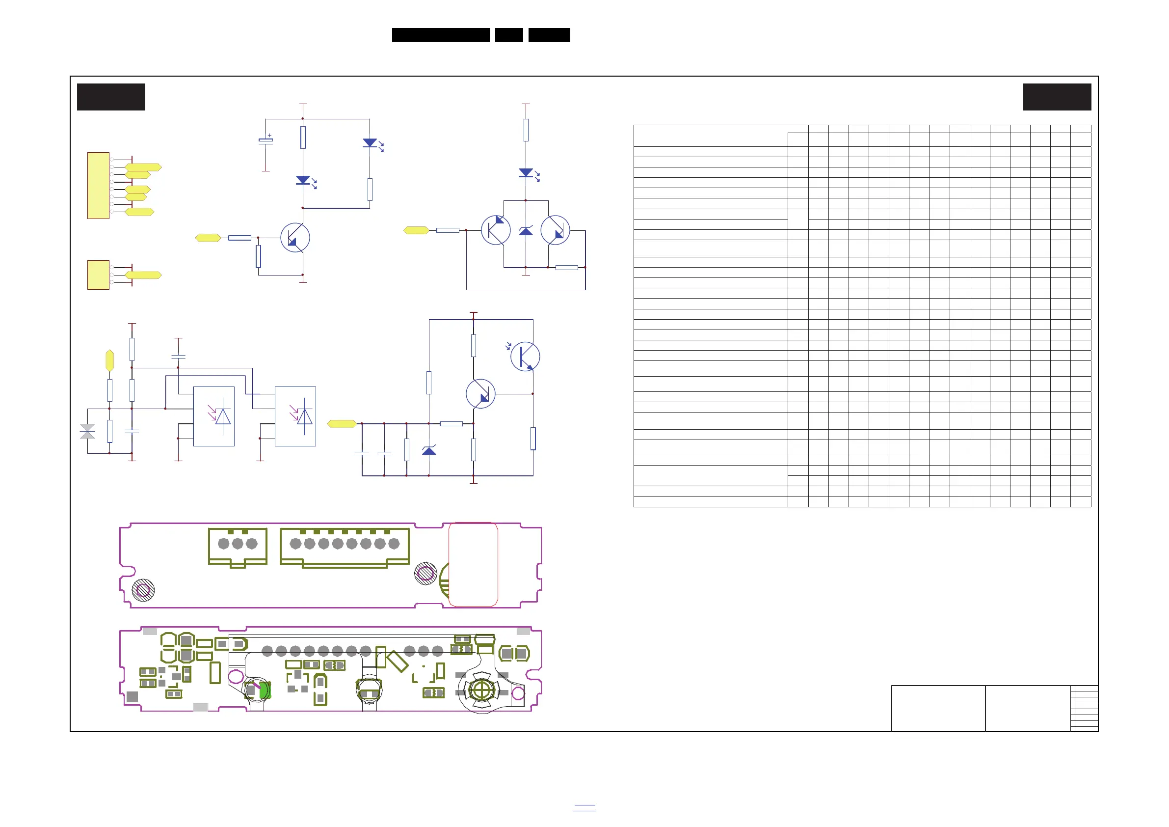
Circuit Diagrams and PWB Layouts
2010-Dec-29
back to
div. table
10-23 J 2722171xxxxx IR Board
IR Board
19031_500_101005.eps
101005
IR/LED Board
J J
2010-01-18
1.2
2009-12-16
1.1
2009-12-09
1.0
2722 171 00886, 2722 171 00887,
2722 171 00893, 2722 171 00894,
2722 171 00895, 2722 171 00896,
2722 171 00958, 2722 171 00959,
2722 171 00961, 2722 171 00962,
2722 171 00963, 2722 171 00964,
2722 171 90062, 2722 171 90063
IR/LED Board
R11
4.7 kΩ/100 Ω
VSS
D1
R7
10 kΩ
R8
10 kΩ
B
2
C
1
E
3
Q1
BC847
VSS
+3.3V
+3.3V+5V
+5V
LED1
LED2
LED2
LED1
R9
10 kΩ
IR
IR
R12
47 Ω
VSS
R3
100 Ω
R4
6.8 kΩ
R6
0 Ω
100 kΩ
VSS
+3.3V
VSS
+3.3V
C1
10 µF
LIGHT
B
2
C
3
E
1
Q2
BC857
1
2
3
4
5
6
7
8
J1
2.0- 8pin
1
2
3
J2
2.0- 3pin
RED
WHITE
R10
10 kΩ
R22
220 Ω
D3IR-out
TSML1020
GND
1
GND
2
VDD
3
OUT
4
U1 ×
TSOP35236
D2
B
2
C
1
E
3
Q2*
BC847
GND
1
GND
2
OUT
3
VDD
4
U1
IRM-H636
VSS
VSS
+5V
B
2
C
1
E
3
Q3
BC847
R13
100 kΩ
R17
* 3.3 MΩ
R16
10 kΩ
LIGHT
R15
8.2 kΩ
G1
* TEMT6200FX01
ZD1
3.3 V
C3
10 µF
C4
10 µF
R18
0 Ω
R14
200 Ω
Keyboard
Keyboard
ALS-PT17-51NB/L369/TR8
C
100 µF/
10 V
VSS
VSSVSS
1
2
ESD
C2
100 pF
U1 × 10 Ω
U1 × not
U1 × 4.7 µF
U1 × not
Option
5.1 MΩ
ZD2
5.6 V
D2
D1
R14
C4
C1
Q3
R7
R15
R13
U1
C3
ZD1
G1
Q1
Q2
R11
R12
R8
R9R10
R16
R17
R18
R3
R6
R22
R4
C2
RJ
GWA7.820.675-1A
8
11
3
C
J2
J1
2722 171 XXXXX
XXXXXX-X0001
ZD2
00886 00887 90062 00963 00964 00893 00894 00958 00959 00895 00896 00961 00962 90063
,7(01555
position
001 001CKD
001CKD
-BRZ
008 008CKD 004 004CKD 006 006CKD 005 005CKD 007 007CKD
007CKD
-BRZ
3&%˄*:$$˅&(0JROGSODWHG
3&%˄*:$˅)5JROGSODWHGOD\HU
607WUDQVLVWRU˄
%&
˅
4
ƿƿƿƿƿƿƿƾƾƿƿƾƾƾ
607WUDQVLVWRU˄
%&
˅
4
ƾƾƾƾƾƿƿƿƿƿƿƿƿƿ
607WUDQVLVWRU˄
%&
˅
4
ƿƿƿƿƿƾƾƾƾƾƾƾƾƾ
607WUDQVLVWRU˄
%&
˅
4
ƾƾƾƾƾƿƿƿƿƾƾƾƾƾ
,55HFHLYHU(YHUOLJKW,,50+ ƾƾƾƿƿƾƾƾƾƾƾƾƾƾ
ƿƿƾƿƿƿƾƿƾƿƿƿƿƾ
ƾƾƿƾƾƾƿƾƿƾƾƾƾƿ
,5
5HFHLYHU
(YHUOLJKW
,,50+63KLOLSV
8
ƿƿƿƾƾƿƿƿƿƿƿƿƿƿ
/LJKW6HQVRU9LVKD\7(07);
ƾƾƾƾƾƿƿƿƿƾƾƾƾƾ
*

'
607/(':KLWH //&:'7
RU 7'&67%5
'
ƿƿƿƿƿƿƿƾƾƿƿƾƾƾ
607/('5HG19-213/R6SC-AK2M1AX ƾƾƾƾƾƾƾƾƾƾƾƾƾƾ
'
=HQHUGLRGHV%%=7&96
='
ƾƾƾƾƾƿƿƿƿƾƾƾƾƾ
=HQHUGLRGHV%%=7&96
='
ƾƾƾƾƾƿƿƿƿƾƾƿƿƿ
607UHVLVWDQFH˄¡
f

5
ƾƾƾƾƾƾƾƾƾƾƾƾƾƾ
607UHVLVWDQFH˄N¡
f

5
ƾƾƾƾƾƾƾƾƾƾƾƾƾƾ
607UHVLVWDQFH˄¡
f

5
ƾƾƾƾƾƾƾƾƾƾƾƾƾƾ
607UHVLVWDQFH˄N¡
f

5
ƿƿƿƿƿƿƿƾƾƿƿƾƾƾ
607UHVLVWDQFH˄N¡
f

5
ƿƿƿƿƿƿƿƾƾƿƿƾƾƾ
607UHVLVWDQFH˄N¡
f

5
ƾƾƾƾƾƾƾƾƾƾƾƾƾƾ
607UHVLVWDQFH˄N¡
f

5
ƿƿƿƿƿƾƾƾƾƾƾƾƾƾ
607UHVLVWDQFH˄RSWLRQ¡
f

5
ƿƿƿƿƿƿƿ
ƾ
N¡
ƿ ƿ ƿ
ƾ
N¡
ƾ
N¡
ƿ
607UHVLVWDQFH˄RSWLRQ¡
f

5
ƾ
¡
ƾ
¡
ƾ
¡
ƾ
¡
ƾ
¡
ƾ
N¡
ƾ
N¡
ƾ
N¡
ƾ
N¡
ƾ
N¡
ƾ
N¡
ƾ
N¡
ƾ
N¡
ƾ
N¡
607UHVLVWDQFH˄¡
f

5
ƾƾƾƾƾƿƿƿƿƾƾƾƾƾ
607UHVLVWDQFH˄N¡
f

5
ƾƾƾƾƾƿƿƿƿƾƾƾƾƾ
607UHVLVWDQFH˄0¡f
IRU9LVKD\OLJKWVHQVRU
ƾƾƾƾƾƿƿƿƿƾƾƾƾƾ
5
607UHVLVWDQFH˄¡
f

5
ƾƾƾƾƾƿƿƿƿƾƾƾƾƾ
607UHVLVWDQFH˄RSWLRQ¡
f

5
ƿ ƿ ƿ ƿ ƿ ƿ ƿ ƿ
ƾ
N¡
ƿƿƿƿ
ƾ
N¡
607UHVLVWDQFH˄¡˅
f

5-
ƾƾƿƾƾƾƿƾƿƾƾƾƾƿ
&
ƾƾƾƾƾƾƾƾƾƾƾƾƾƾ
&
ƾƾƾƾƾƿƿƿƿƾƾƾƾƾ
607FDSDFLWDQFH
X)9
f

fhfhfPP
6RFNHW-˄307<&2˅
-
ƾƾƾƾƾƾƾƾƾƾƾƾƾƾ
6RFNHW-˄307<&2˅
-
ƾƾƾƾƾƾƾƾƾƾƾƾƾƾ

Related product manuals