EasyManua.ls Logo

Philips 32PFL7403D/12 - Diagram B05 C, PNX5050 (IC 7 C00)

Philips 32PFL7403D/12
152 pages
Print Icon
To Next Page IconTo Next Page
To Next Page IconTo Next Page
To Previous Page IconTo Previous Page
To Previous Page IconTo Previous Page
Loading...
Circuit Descriptions, Abbreviation List, and IC Data Sheets
EN 146 Q528.2E LB9.
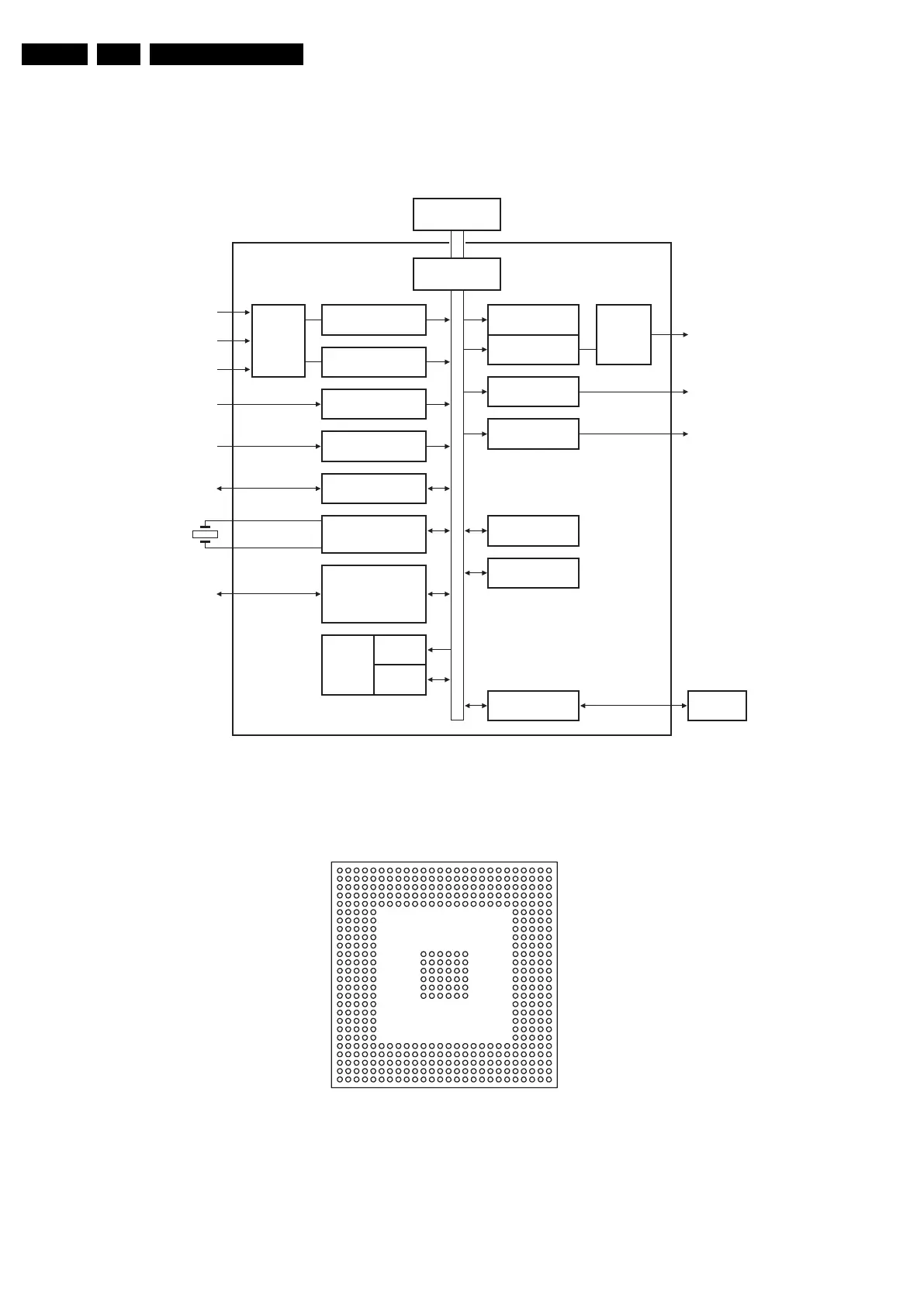
9.5.7 Diagram B05C, PNX5050 (IC 7C00)
Figure 9-13 Internal block diagram and pin configuration
Block Diagram
Pin Configuration
H_16800_129.eps
090507
MAIN MEMORY
INTERFACE
DDR SDRAM
4 : 2 : 2 VIDEO IN
AUDIO IN
SPDIF IN
BOOT, RESET,
CLOCKS
SCALER,
DEINTERLACER
INSTR
CACHE
300 MHz
32-BIT
CPU
DATA
CACHE
2D DRAWING
ENGINE
XIO INTERFACE
FLASH
MEMORY
MISCELLANEOUS
I/O,
TIMERS,
COUNTERS
I
2
C
4 : 4 : 4 VIDEO IN
PICTURE
IMPROVEMENT
IMAGE
COMPOSITION
AUDIO OUT
LCD
OUTPUTROUTER
SD video ITU-R BT.656
I
2
S-bus audio
27 MHz
I
2
C-bus
GPIO
SPDIF audio
HD video YUV
4 : 2 : 2
HD / PC YUV /
RGB 4 : 4 : 4
24-bit RGB/
30-bit RGB
I
2
S-bus audio
SPDIF audioSPDIF OUT
A
C
E
G
J
L
N
R
U
W
AA
AC
AE
B
D
F
H
K
M
P
T
V
Y
AB
AD
AF
2 4 6 8 101214161820222426
1 3 5 7 9 11 13 15 17 19 21 23 25
PNX5050

Table of Contents

Related product manuals