EasyManua.ls Logo

Philips 32PFL7403D/12 - SSB: DC; DC

Philips 32PFL7403D/12
152 pages
Print Icon
To Next Page IconTo Next Page
To Next Page IconTo Next Page
To Previous Page IconTo Previous Page
To Previous Page IconTo Previous Page
Loading...
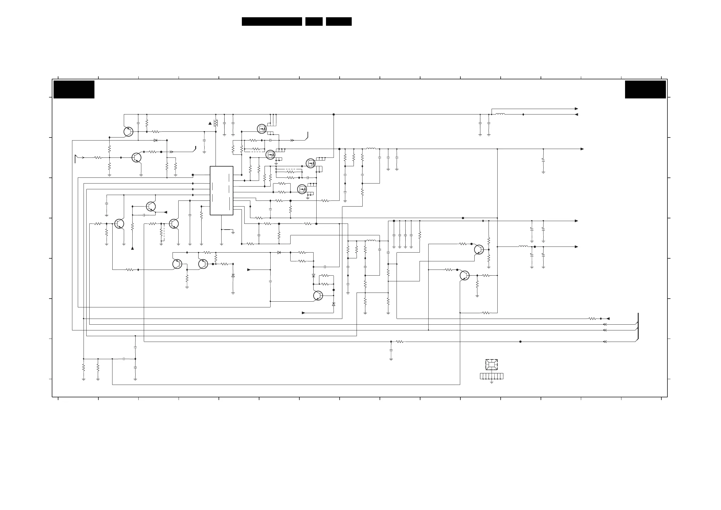
Circuit Diagrams and PWB Layouts
61Q528.2E LB 7.
SSB: DC / DC
VCC
L2
+1
-1
1
2
+2
-2
2
VFB
GAT E
IS
COMP
GAT E
GND
1
BST
ROSC
H2
L1
H1
GND-SIG
IU16
IU04 D8
IU1E E8
RES
3U1R B6
3U1N B5
IU0G B5
IU12 A2
IU13 B3 IU1P A5
IU0D D5
IU0E D5
RES
IU0H C5
RES
IU1D E9
3U1P C6
IU0K C6
3U0M C6 3U73 B6
FU04 C6
FU05 A7
FU06 E10
FU07 B4
FU08 B3
FU09 D6
5U02 A11
3U0Y E10
3U0Z D11
3U17 D6
3U18 E2
2U12 C8
3U19 E4
3U16 D7
3U15 C7
IU0M C6
IU0N B7
IU0P B5
IU1R C2
6U01 E7
IU19 G3
12V UNDER-VOLTAGE DETECTIO N
IU0F C5
FU0D E7
IU11 B2 IU1B C8
6U03 F7
6U02 B3
IU16 E4
RES
IU14 B3
IU15 E11
2U02 E6
G
2U05 B8
2U01 E7
2U0N A2
2U0P G9
2U0R D9
2U0S C3
2U0T D9
2U0U D9
14 15
A
B
C
F
A
2U00 D5
2U06 B9
0V
2U04 C6
12V/1V2 CONVERSION
2U0K E8
3U0N B5 3U74 D8
3U75 E9
3U76 D9
3U77 B1
5U00 D8
5U01 B8
3U0W B2
2U0W A5
2U0Y A11
3V3
D
2U13 B6
2U14 A11
2U15 B13
B
2U16 D12
C
2U17 D13
3U00 D5 3U1B E5
7U04-2 C2
7U05 B7
7U06 C6
7U07-1 D11
7U07-2 E10
7U08 A5
3U1J F14
3U09 F8
3U0A F9
3U0F G1
4
3U0H C4
RES
2 3
3U0G G1
3U0J B8
3U0K D8
2U0D G2
7U03 E7
IU05 E8
IU1F D11
IU1G F14
IU1H D4
IU1K C6
IU1M C6
IU1N C6
IU0C E2
7U0A B4
9U01 D3
FU01 C10
3U0C D3
FU00 B8
3U0B D3
3U0D D2 3U1S B5
9U02 B5
9U03 B6
RES
11
2U0M B7
3U0P B5
3U0R B6
3U0S B3
3U0T A3
3U0U A3
3U0V B2
2U0V D9
567
RES
RES
11
DC / DC 3V3 1V2
E
RES
9108
3U72 B5
FU03 E4 IU0S C4
IU0T C4
IU0U C4
IU0V C4
IU0W C4
IU0Y D3
FU0A D7
5U03 D12
6U00 D6
7U02 B6
7U01-1 E3
3U10 E11
7U00-1 B3
2U0Z B9
2U11 D13
2U10 D12
7U01-2 E4
3U14 C6 7U00-2 A2
3U1A D4
7U04-1 D4
IU06 A4
IU07 E8
IU08 B8
IU09 A3
IU0A D11
IU0B G9
7U09 C3
3U1K E7
3U1M B8
3U71 B5
RES
3U0E D1
3U70 A4
2U0C C2 3U1U D4
3U1V D2
3U1T B6
FU02 G12 IU0R A6
IU1S D6
IU1T A12
RES
6U04 E5
IU02 C8 IU10 D2
IU0Z E5
FU0B D9
FU0C D11
IU01 B8
3U13 D11
3U11 E11
IU03 E7
RES
IU00 E7
RES
3U12 D11
FU0E D12
12
3U01 D6 3U1C G9
3U1D F11
3U1E D7
3U1F E7
3U1G B3
3U1H B3
3U08 E8
F
G
2U0G B4
2U0F A5
2U0J E8
RES
5
RES
12
RES
2U0H B8
BOOSTER
2U0E G2
1
2U08 E8
2U09 D8
2U03 B8
13
3U02 E7
3U03 B8
3U04 C8
3U05 C5
3U06 C6
3U07 D8
D
E
2U0A C4
2U0B G2
158 136
RES
RES
7
RES
2U07 D9
10
12V/3V3 CONVERSION
9 14
3
FU00
123 4
5678
4
12
SI4800BDY
7U08
2U00
100n
IU10
BC847BS
7U07-1
2
6
1
IU00
IU11
9U02
BC847BS
5
3
4
7U04-2
100R
3U0S
3U0B
22K
1X08
EMC REF HOLE
IU15
IU0P
IU0F
1K0
3U12
+12VF
IU1E
3U1U
330R
3U73
22R
3U0U
22K
IU0Z
IU0Y
1K0
3U0A
1%
SENSE+1V2-PNX8541
3U0M
4R7
IU1P
IU0R
IU1M
12 3
100n
2U01
7U02
SI4800BDY
567 8
4
9U01
IU0C
IU1N
IU1H
IU0W
GND-SIG
3
4
3n3
2U13
7U01-2
BC857BS
5
4R7
3U0P
2U0M
3n3
GND-SIG
25V220u
2U15
FU03
6K8
3U14
1K0
IU0D
3U08
22R
3U1N
3U02
470R
FU0A
FU0E
IU13
3U1H
22K
100R
3U13
GND-SIG
39K
3U0H
100n
2U0A
3U0G
IU1G
4K7
7U03
BC817-25W
1
3
2
3U71
10R
IU0E
9U03
3U1R
10R
PDZ9.1-B
6U04
10K
3U77
3U17
3K3
IU12
4K7
3U09
+1V2-PNX8541
FU06
IU1B
IU0A
22R
3U1M
+3V3
22K
3U1C
1%
+12V
+1V2-PNX8541
470R
3U0F
IU0V
47u
2U0V
IU1K
FU0C
1u0
2U02
GND-SIG
FU07
1%
1K0
3U1D
+3V3F
100n
2U04
*
100n
2U0S
BAS316
6U02
FU08
IU02
2
6
1
BC847BS
7U04-1
GND-SIG
6K8
3U163U0E
33K
FU0B
22u
2U14
10R
3U70
2U0C
100n
IU1D
BAS316
IU14
6U01
3U1G
10K
470R
3U1K
IU0M
2K2
3U10
4R7
3U1P
100n
2U0N
4R7
3U72
GND-SIG
3n3
2U05
3U75
120R
8
4
123
1%
7U06
SI4800BDY
567
2U16
330u 6.3V
+1V2-STANDBY
+12VF
FU09
2U0U
22u
IU0B
IU1S
5
3
4
3U19
100K
BC847BS
7U07-2
3U0Z
10K
6.3V330u
2U17
6K8
3U05
3U0C
10K
1K0
3U04
22R
3U1T
2U03
100n
IU0N
10K
3U0Y
10R3U1S
IU05
1n0
2U12
22u
2U0Y
1n0
2U0J
1u0
2U0R
3U0W
10K
470n
2U0P
3K3
3U1V
IU07
*
5U02
10u
1K0
3U01
3U07
6K8
10K
3U0V
GND-SIG
IU06
2U0E
100n
2U0K
1n0
1%
3U1J
120R
GND-SIG
IU0U
+1V2-PNX8541
100n
2U08
3K3
3U11
22R3U0N
1K0
IU1R
2U0F
22u
3U1B
FU04
IU0H
22K
3U0T
7U09
BC847BW
1
3
2
3U74
*
22R
4V100u
2U11
FU01
FU02
3U76
10R
*
5
3
4
IU09
7U00-2
BC847BPN
3
6
11
5
1213
14
7
10
4
8
9
1
16
2
15
NCP5422ADR2G
7U0A
Φ
1u0
2U0G
2U0T
22u
100p
2U0D
3U06
3K3
IU0T
10K
3U18
FU0D
5U00
10u
3U0R
GND-SIG
10R
3U0J
22R
FU05
IU03
3U1F
68R
IU1F
22u
2U06
2U10
100u 4V
GND-SIGGND-SIG
68R
3U1E
22u
2U0W
5U01
10u
7U01-1
BC857BS
2
6
1
10u
5U03
IU01
IU1T
IU04
3U00
3K3
2U0B
100p
1n0
2U0H
6U00
BAS316
33K
3U0D
IU19
IU0S
2
6
1
22u
2U0Z
3
7U00-1
BC847BPN
5678
4
12
SI4800BDY
7U05
IU08
IU0G
GND-SIG
22R
3U0K
3U15
6K8
GND-SIG
1K0
3U1A
IU0K
2U09
3n3
6K8
3U03
PDZ18-B
6U03
2U07
22u
AUDIO-PROT
VSW
ENABLE-1V2
PROT-D C
ENABLE-3V3
SUPPLY-FAUL T
B02A B02A
I_17960_011.eps
220508
3139 123 6341.2

Table of Contents

Related product manuals