EasyManua.ls Logo

Philips 32PHT4100/12 - ALC 715 G7046 LED Board( LOGO)

Philips 32PHT4100/12
150 pages
Print Icon
To Next Page IconTo Next Page
To Next Page IconTo Next Page
To Previous Page IconTo Previous Page
To Previous Page IconTo Previous Page
Loading...
Circuit Diagrams and PWB Layouts
EN 127TPN15.1E LA 10.
2015-Oct-20
back to
div.table
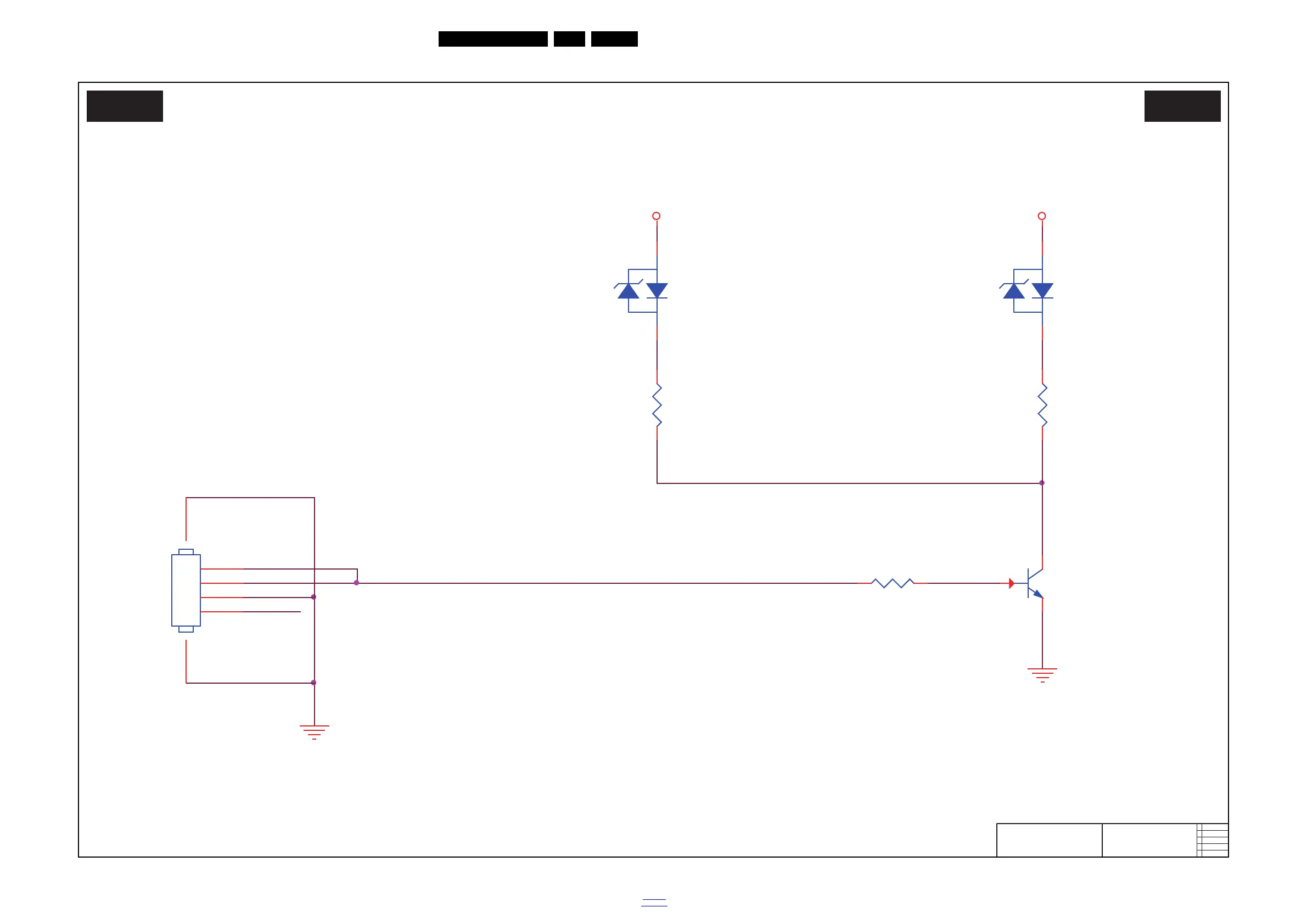
10.16 ALC 715G7046 LED Board( LOGO)
10-16-1 Lited LED
19792_512.eps
Lited LED
ALC ALC
2014-10-06
715G7046
Lited LED
LOGO
R301
2R2 1/16W 5%
3V3SB
LED301
LED
2 1
LED302
LED
2 1
3V3SB
R303
2R2 1/16W 5%
R302
1K 1/16W 5%
Q301
BC847C
CN301
1
2
3
4
56
3V3SB

Table of Contents

Other manuals for Philips 32PHT4100/12

Related product manuals