EasyManua.ls Logo

Philips 43PUT6504/56 - 7. Electrical Diagrams; System Block Diagram

Philips 43PUT6504/56
85 pages
Print Icon
To Next Page IconTo Next Page
To Next Page IconTo Next Page
To Previous Page IconTo Previous Page
To Previous Page IconTo Previous Page
Loading...
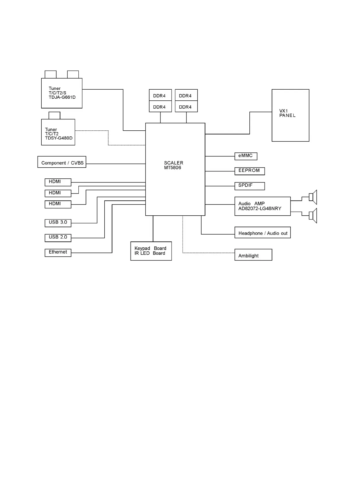
7. Electrical Diagram
7.1 Block diagram

Related product manuals