EasyManua.ls Logo

Philips 43PUT6504/56 - 715 G9856 Psu

Philips 43PUT6504/56
85 pages
Print Icon
To Next Page IconTo Next Page
To Next Page IconTo Next Page
To Previous Page IconTo Previous Page
To Previous Page IconTo Previous Page
Loading...
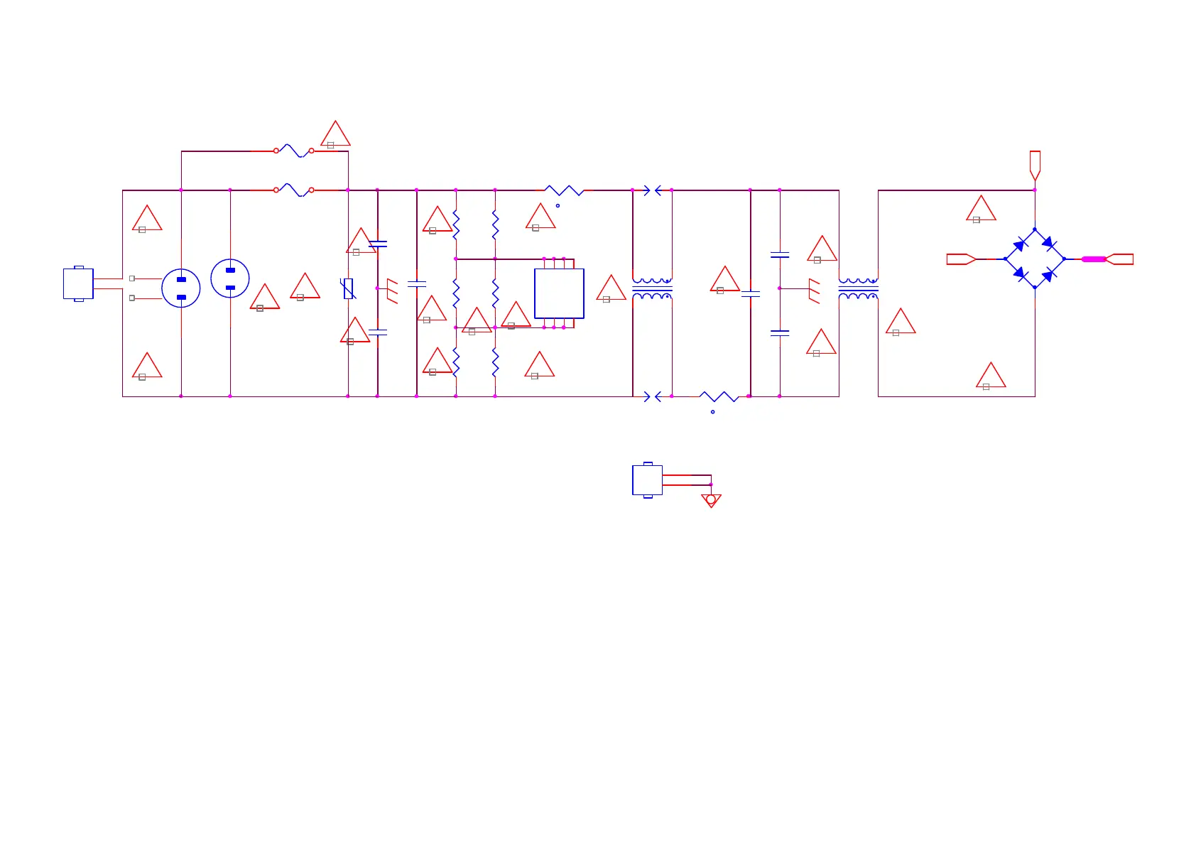
9.3 A 715G9856 PSU (For 43” 6504 & 50” 6604/6654 Series)
9-3-1 AC input
T5AH/250V
!
SG9902
DSPL-501N-A21F
CN9903
AC 2P
12
RSEN-
HS9901
NC/HEAT SINK
1
2
!
!
!
!
!
!
!
!
!
!
!
!
F9901
5A 250V
!
C9904
330NF 275V
!
R9902
510K
R9903
510K
R9905
510K
R9904
510K
R9906
510K
RV9901
680V
t
NR9901
1.5R
12
-
+
BD9901
TS10K80-01
2
1
3
4
L9902
17mH
1
2
4
3
U9901
NC/CAP200DG-TL
NC
1
D1
2
D1
3
NC
4
NC
5
D2
6
D2
7
NC
8
SG9901
DSPL-501N-A21F
!
CN9901
NC/AC 2P
12
3
4
BR
C9901
47pF 250V
C9903
330NF 275V
CN9902
NC
1
2
C9902
47pF 250V
Vsin
!
!
!
!
!
R9901
510K +-1% 1/4W
L9901
17mH
1
2
4
3
C9906
470PF 250V
C9905
470PF 250V
F9902
NC/FUSE
t
NR9902
1.5R
12

Related product manuals