EasyManua.ls Logo

Philips AZ1009 - Recorder;Amplifier Part

Philips AZ1009
33 pages
Print Icon
To Next Page IconTo Next Page
To Next Page IconTo Next Page
To Previous Page IconTo Previous Page
To Previous Page IconTo Previous Page
Loading...
7-3 7-3 7-3
CS 49 126
1003
1002
/OFF
BATTERIES
Tape transport
6xR20
-
+
VCC
PW-GND
GND
RIPPLE
30k
45E
45E
30k
MUTE
-
+
-
+
left
right
-
M
+
ch-1
ch-2
Motor
Switch
5001
1
2
3
1007
C
110-127V
220-240V
4
4
TRANSFORMER
MAINS-SOCKET
1006
5001
115°C
115°C
TRANSFORMER
/00/04/05/06/10/13/14/17
/00
/05
/06
/10
/13
/14
/17
220 - 230V
/04 220 - 230V
230 - 240V
100V
230 - 240V
220V
120V
220 - 230V
TAPE TRANSPORT
1626 Rec/Pb-Switch
1 2 3 4 5 6 7 8 9 10 11 12 13 14 15 16 17 18
BIAS OSCILLATOR
SWITCH
SOURCE
FM
TAPE
TAPE/OFF
CD
CD
R
L
Rec Pb
AM
FM
AM
TAPE/OFF
CD
FM
AM
TAPE/OFF
CD
FM
AM
TAPE/OFF
CD
FM
AM
TAPE
MOTOR
/01/11/11H
VOLTAGE SELECTOR
bead on wire
ALC
DBB
2
71
6
4
2
5
3
ALC delay
from 7601
to CD part
7800/8
REC/PB-AMP LEFT
REC/PB-AMP RIGHT
from 1201
from CD part
from1201
from CD part
right
left
VOLUME
POTMETER
ANTI PLOP
GND
+A(FM)
+A(TUNER)
TUNER R
TUNER L
Rec left
Rec right
Rec right
Rec rightPb right
Pb right
Pb left
Pb left
Rec left
RecPb
Rec
Pb
Pb
Rec
Pb
Rec
Pb
Rec
Rec
Pb
Rec left
ALC
11
10
1
13
15
5
to source switch 1250/1
to source switch 1250/6
to/from
Tuner Board
to 3650
1626/7
to 6300
4 x 1N4002
+A
+A(TAPE)
to CD part
via 1201
to Tuner part
7300
2
11
10
3
7
6
8
5
1
9
4
12
TA8227P
6300 C17
6256 J 9
6253 L 7
6252 L 7
6251 L 6
6250 L 7
5625 D 6
5201 I 4
3656 F 6
3655 D 8
3654 D 7
3653 E 6
3652 D 7
3651 G 5
3650 A 5
3645 L11
3644 B 8
3643 G 8
3642 B 8
3641 G 8
3640 C 8
3639 F 8
3638 A 7
3637 H 7
3636 A 6
3635 G 6
3634 A 5
3633 G 5
3632 A 5
3631 H 5
3630 B 4
3629 F 4
3628 B 3
3627 H 3
3626 B 3
3625 F 3
3554 B 9
3553 G 9
3552 I 2
3551 I 2
3316 C13
3315 E13
3314 E19
3313 E19
3311 F 9
3310 A 9
3309 C16
3308 D15
3307 E15
3306 D15
3305 E15
3304 D13
3303 F13
3302 C13
3301 E13
3300 E14
3300 C14
3209 J 3
3208 J 3
3207 J 3
2658 B 3
2657 G 3
2655 D 7
2654 D 7
2653 E 6
2652 D 5
2651 F 6
2650 B 5
2642 A 6
2641 G 6
2640 C 8
2639 F 8
2638 A 7
2637 H 7
2636 B 7
2635 F 7
2634 B 6
2633 G 6
2632 A 5
2631 H 6
2630 A 4
2629 H 4
2628 B 5
2627 F 5
2626 C 4
2625 F 4
2320 D18
2319 E18
2317 C16
2315 C17
2314 D18
2313 F18
2312 D18
2311 E18
2310 D16
2309 E16
2308 E16
2307 F15
2306 D14
2305 E14
2304 D13
2303 F13
2302 C13
2301 E13
2274 C 6
2252 I 4
2251 L 6
2250 L 6
1626 E 3
1626 C 4
1626 F 4
1626 E 6
1626 F 7
1626 B 7
1601 C 2
1350 F12
1302 E19
1301 G20
1250 J10
1250 L10
1250 B10
1250 F10
1204 N 5
1203 M 5
1202 K 5
1201 I 2
7626 D 8
7625 B 5
7625 F 5
7601 L11
7301 C17
7300 D16
6625 M11
4 51 6 7 8 9 10 11 12 13 14 15 162 17 18 19 203
K
J
I
H
N
G
F
E
D
C
B
A
M
L
K
J
I
H
N
G
F
E
D
C
B
A
M
L
4 51 6 7 8 9 10 11 12 13 14 15 162 17 18 19 203
+B(TAPE)
+A(on)
+A
+A(on) +A
+A(CD)
+A(FM)
+A(TUNER)
+A(TUNER)
+A(FM)
+A
+A
+B(TAPE)
+B(TAPE)
3315
10k
3316
10k
12k
3309
3302
2k2
3304
1k5
3301
2k2
330R
3307
330R
3308
3303
1k5
3654
150R
470R
3630
330R
3632
330k
3634
6k8
3636
27k
3638
3628
27k
470R
3629
330R
3631
330k
3633
6k8
3635
27k
3637
3627
27k
10k
3640
10k
3639
3652
6k8
3655
18R
3625
470R
3626
470R
3656
4M7
3642
680R
3641
680R
330k
3651
3653
180R
180R
3650
3306
470
3305
470R
3311
1k8
3310
1k8
100R
3644
100R
3643
120R
3313
120R
3314
2k2
3551
2k2
3552
33R
3207
33R
3208
100k
3209
3554
6k8
3553
6k8
3645
1k
PW
PW
PW
PW
PW
PW
PW
PW
PW
PW
BC548B
7301
7626
BC548B
BC548C
7601
6625
BZX79B 6V2
T306
T305
T304
T303
T310
T302
T301
T300
T254
T252
T253
T251
T250
T625
T626
T627
T265
T308
1301
1
2
3
4
1601
1
2
3
4
5201
2658
1n
2657
1n
2641
22n
2642
22n
2302
10n
2301
10n
2309
220p
2310
220p
91p
2628
4n7
2632
220p
2634
5n6
2638
91p
2627
4n7
2631
220p
2633
5n6
2637
2626
1n
2625
1n
1n
2640
1n
2639
2652
1n8
2654
10n
2655
10n
1n
2252
TU_L
TU_R
TU_R
TU_L
CD_synchro
CD_R
CD_L
1201
1
2
3
4
5
100u
2317
0u22
2304
0u22
2303
0.22u
2251
47u
2307
2308
4u7
0.47u
2313
0.47u
2314
2200u
2315
0.22u
2250
47u
2312
47u
2311
10u
2630
2636
47u
10u
2629
2635
47u
2653
47u
2651
22u
2274
4u7
2306
0u47
2305
0u47
2650
100u
2320
470u
2319
470u
1202
1
2
1203
1
2
6256
1N4148
6300
1N4148
1302
7
8
5
1
3
4
2
HEADPHONE
R
L
1350
6 5 4
3 2 1
1204
1
2
3
17
16
20
19
18
7
6
10
9
8
1250
12
11
15
14
13
2
1
5
4
3
50K
3300
50K
16
9
14
7625
AN7318S
2
12
8
7
6
4
3
7625
AN7318S
1626
14
13
15
1626
8
7
9
1626
17
16
18
1626
11
10
12
1626
2
1
3
1626
5
4
6
5625
3
2
1 6
4
5
6252
6250
6253
6251
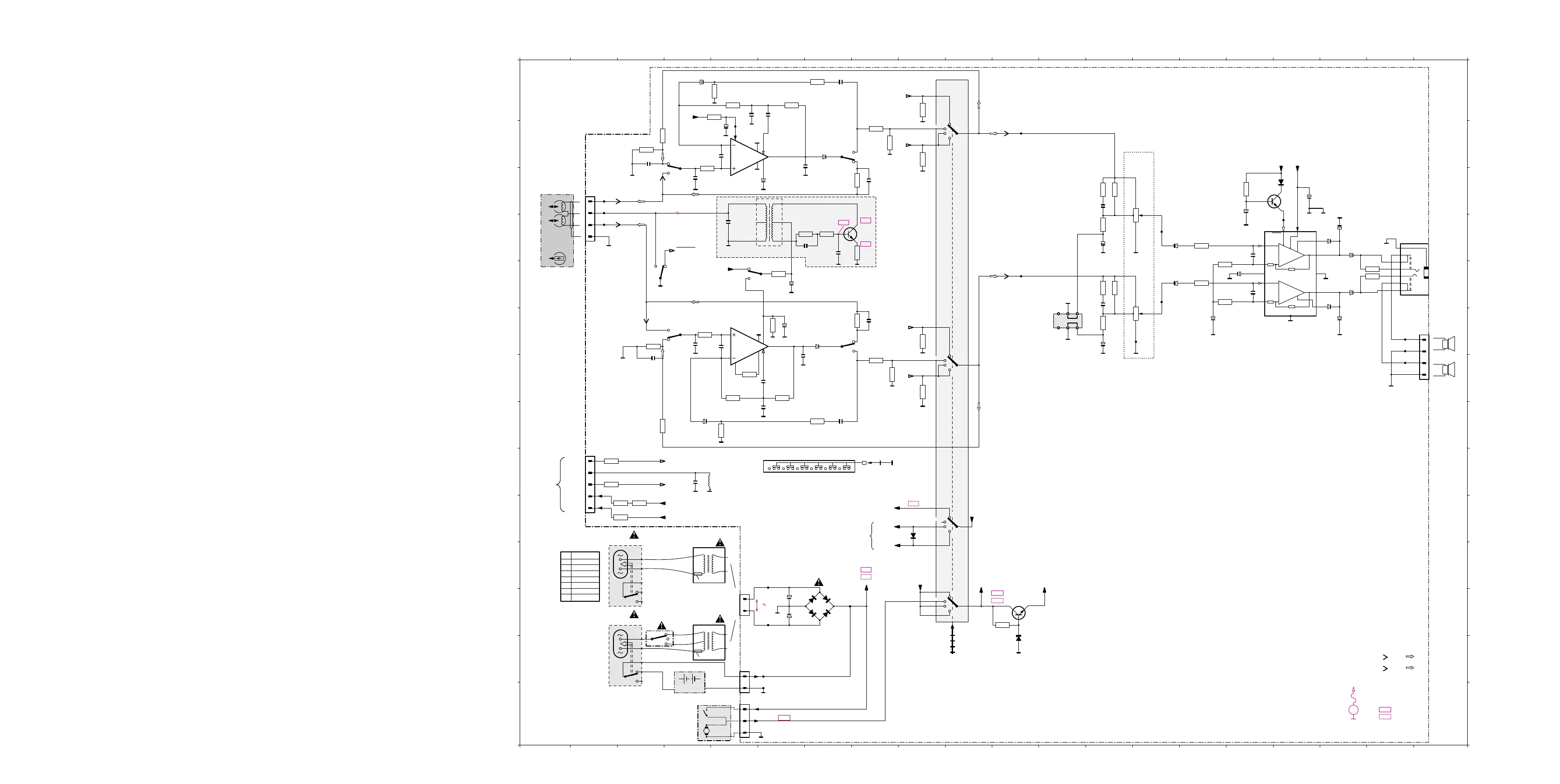
COMBI BOARD /
RECORDER/AMPLIFIER PART
EVA Rec/Amp , 021097
5
3
4
2
1
MAINS-SOCKET
1006
5
3
4
2
1
Permanent Magnet
Erase Head
N S
Adjustment of tape speed:
(use Universal Test Cassette SBC420, 3150Hz part)
Measure on headphone socket and adjust trimpot. on motor to 3150Hz ±1%.
9,7V
9,7V
10,7V9,4V
9,9V
10,1V
5,5V
4,8V
10,7V
10,7V
10,7V AM
10,0V FM
10,7V
1,2V
4V
1,7V
0V
2,5V
Rec 0,8V
Pb 0V
0V
0,3V
2,5V
0,8V
2,5V
4,7V
0V
4,8V
0V
1,2V
0.6V
5,2V
0.6V
0V
0V
4,9V
4,9V
9V
9V
DC voltages measured
with mains supply 230V
Radio FM mode
tape mode
CD mode
....V
35Vpp
Bias: 65kHz
9,4V
9,4V
9,4V
V
10,2V
10,2V
10,2V
V
V
EVM
Pb right
Pb left
Rec right
SIGNAL PATH
Rec left

Related product manuals