EasyManua.ls Logo

Philips CD210 - Page 14

Philips CD210
68 pages
Print Icon
To Next Page IconTo Next Page
To Next Page IconTo Next Page
To Previous Page IconTo Previous Page
To Previous Page IconTo Previous Page
Loading...
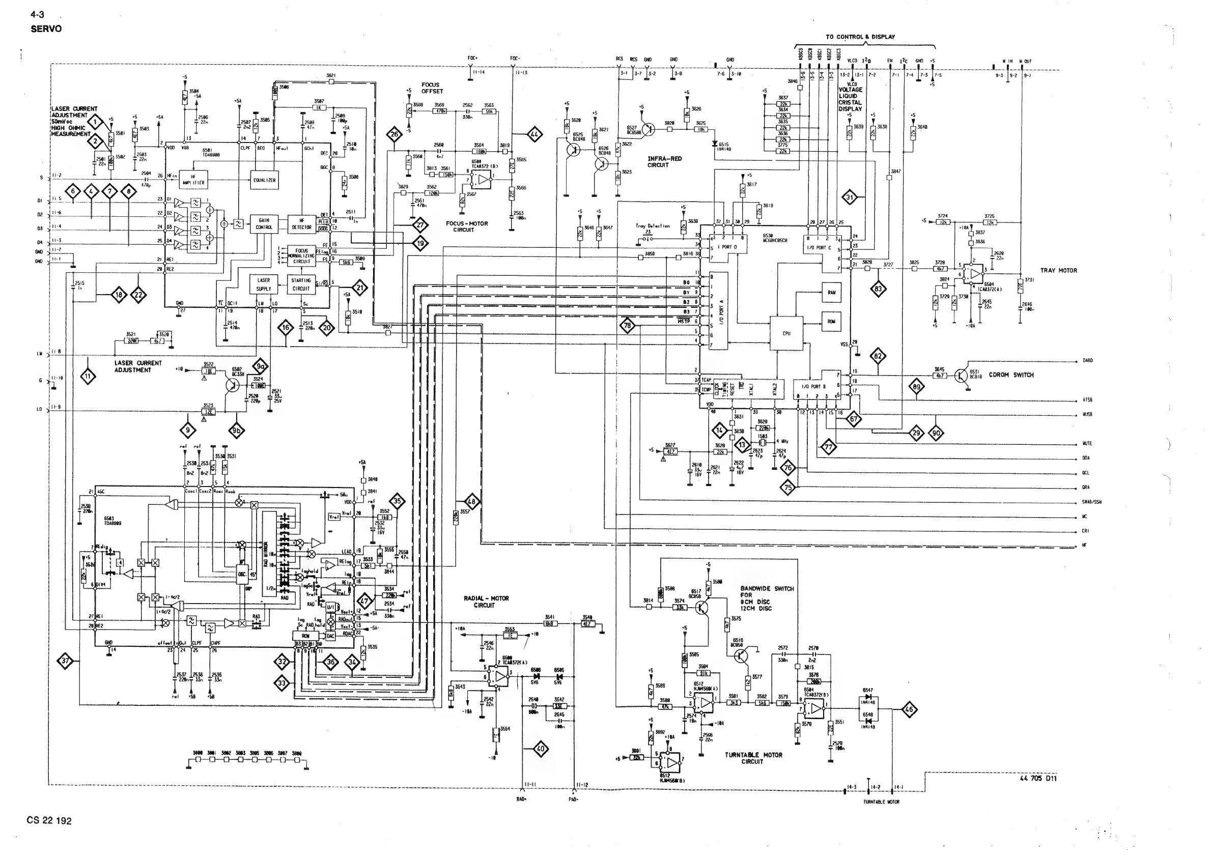
4-3
SERVO
Focus
3584
PS
|
*S
OFFSET
Ah
a
C
*SA
1
sear
|
phy3s68
3569
2562
3863
LASER
CURRENT
i
c
ica
(s5e]
[ADJUSTMENT
5
5A
2506
'
rs
cal
{50mV
oc
2507
[.]
=
2508
ie
|
(HIGH
OHMIC
ie
I
3
(MEASUREMENT
'
I
Be)
2510
6Chi
1@n,
bie
eC
128
3560]
An?
>
Bec
18
|
E
3813
3561
ey
CH
1sa
s
ee
(°°
i
3562
120k
FOCUS
-
MOTOR
CIRCUIT
RCS
RCS
GND.
GND
GNO
TO
CONTROL
&
DISPLAY
>
wm
vwicd
125
—N
32%
GND
+5
WIN
Mw
OUT
eS
EE
Ses
ee
Eee!
cee:
Room
ek
eee
nes
Ne
---f-
ete
13-2
|
13-1
17-2
Pt
12-4
[2-3
[2-5
9-3
|9-2
|9-
KBSCS
KBSCe
KBSCI
KBSC2 KBSC3
13-5
13-41
13-3
arcs
7s
fetes
te
ae
ae
es
:
i
vLCO
.
6
ae
4%
VOLTAGE
od
RIS
TAL
3626
a
DISPLAY
:
|
[2k]
5
5
6
ses
Lees
7
(NY
7
Cie]
(22k
}
3639
3630
3640
BaD
Petrie
ie
|
ie
fe
om
Be
INFRA-RED
CIRCUIT
Tray
Detection
iy
23
re
aRER
3847
+5
C]
ig”
5
cg
Y
3638
[32
131
J
30
29
27
26
|
25
6
ea
ert
|
O
822
eR
=
ann
nn
nn
nn
8
nn
nnn
in
ig
a
es
1
i
pee
‘SUPPLY
Sg
CIRCUIT
las
E
ite]
(16)
321
3528
ae
i
LASER
CURRENT
3522
és
39)
ov
ao
ADJUSTMENT
(a
itis
—Y
&
OP
a
Nowe
1B
228
7
26V
Te
3523
I
to
-
L126}
A
ref
ref
353
353!
hs
te
;
RADIAL
-
MOTOR
CIRCUIT
3541
Cm
+180
3953
18
(ie)
%
|
ic
/
|
he
Tcabsra
ay
|
§
ese
8586
2537
]2536 [2535
|
taal
33n
ai
5¥6
5¥6
|
ref
958
+58
2548
3542
mr
odorant:
(
:
660n
|
2645
|
ome
18@n
sede
300i
See2
O83
3805 Sees
3807
3209
>
Ben
Loe
leat
Me
Lo
etal
tea
tt
A
eae
A
eh
EE
tig
Some
eS
Mec
Voie
cate
elec
Welt
RADe
CS
22
192
TRAY
MOTOR
373
2646
i
+5
104
aad
3645
K?
CK)
state
CDROM
SWITCH
ATSB
wus
Qa
T
ey
7
cen
tev
ot
;
l
<<
4
ORA
——.
SNAB/SSU
uc
=
CRI
Sa
NE
RE
SE
NS
SS
Sa
ea
ee
ec
®
Ld
BANOWIDE
SWITCH
FOR
8cM
Disc
12CM_
DISC
3575
6547
14148
6548
6
R
be
588!
1N4148
is
af
i
108.
TURNTABLE
MOTOR
i
CIRCUIT
ee
66
705
ON
14-3
14-2
14-1
Seah
oas
bn!
Sad
|e
Mis
|
TURNTABLE
MOTOR

Related product manuals