EasyManua.ls Logo

Philips CD692 - Power Supply Diagram; Power Supply Circuit; Transformer Connections

Philips CD692
36 pages
Print Icon
To Next Page IconTo Next Page
To Next Page IconTo Next Page
To Previous Page IconTo Previous Page
To Previous Page IconTo Previous Page
Loading...
26
27
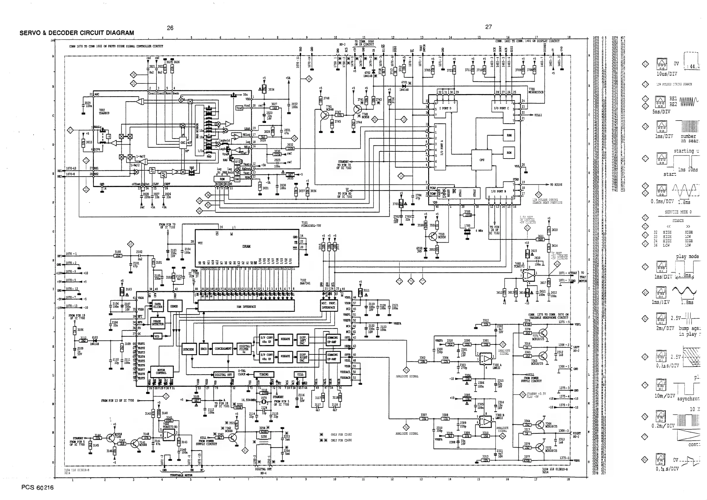
SERVO
&
DECODER
CIRCUIT
DIAGRAM
TO
CONN.
0060
rn
ON
IR
CIRCUIT
B
2
Henan
feiat=}
retary
3029
3026
2021
|
202;
bs]
8n2
|
8n2
3718
1970-3)
3713
1070-6)
—__
gia
gD
2
ea
ee
2
2029
<1
IX]
:
00
d
r
228
3027
i
Vref
{20
_
ref
mE
me
a
r
8
I
22
pean
:
BCB5B
21
;
g
wt
Maree
=
‘|
0
09
oD
|
tah
ar}
wrt
Cena
G93...
G60
2060
60.0
62
6969
Co
1
UN
2000
OIRO
en
PEPE
RORE
RRR
nOOCOn
mE
EEE
pm
>
memmmrriicso
HSSSSSNFHLOVSSHSVEVL
HK
SOSS
IHR
GH
HOTA
SON
HK
SOO
OUMNH
OMHOre
oO
Le
ior
cio
a
r
;
eS
SS
A
EZ
9~¢
Be
fat
LA
i
!
>
B10
000
|
:
3
ie!
10%
gpg
9
=
i
g
20
:
2
rea
|
>
ag
au
Ims/DIV
number
ERS
<
All
ait
on
sear.
D
pi
—0
g
D
All
c2
r
:
:
Nae
eset
q
A
{
2
14
N2
vareing
=
:
MG
o>
|
Al
o
|
t—
STANDBY
<2
O
ais
[azo
i
Te
PRB
Pe
Eada
A
P
mS
ns
StS
St
R
2
qi?
ale.
la
Z
Pu
start
E16
-,
B17
cya}
6
cit
©
+
2703
:
20288
i
l
a
leq
355053)
355
FE
RR
RC
eR
OO IO
Ia
ee
DOWD
DWH
WIN
Ue
WLW
00
We
OO
OO
OOOO
[Ai
+5
aul
Sp
jas
3308
2p
t
tT
22p
Bua
G
32
(PA
1550
:
di
33
CK)
acess
2
:
H
6550
bs
312
36
Sy
355269
re
.
gf
2
33
rt
rT
ty
2
z
s2ezgacee
ss
a8
H
4
6
8
19
{10
6
8419
1
2
i
S
FROM
a
4
Ic
7700
ie
070-5
30
By
iat
ay
*
ie
1
he
ee
1
Fi
3617
ins
;
i
!
N14
I
1970-12
3103
38
|
40
a
80
|21
1a|17|16}15
{14113
1h8
:
4
I
oe
e
7
pe
CIA
STRATA
INTE
TA TA
TASS
os,
2
sa2kd
3038
sadda
2a
Lasiz
aug
1070-7.
yo
I
ih
M8
i
|
2106
1
2107
|
-10
is
1070-13
100.
&
i i
G
2120
L
2121
17
ale
ari
*
7
tov
I
vssa
4
if
5
ce
a?
FROM
CONN.
1375
70
comm.
0070
on
|
gi?
;
|
J
ore
1700
4
VARIABLE
HEADPHONE
CIRCUIT
|
J
#3
&
(Aj
2.8y—
||
Y
A
4
Oo
|
|
3
i
2ms/DIY
bump
aga:
a
in
play
=
VREFA
3318
3300 3301
Be
L_sks
{eck
|
Lok
|
K
B8
&
2300
2301
FS
pear
330p
33u
FQ
TAI
R
lev
#2
1.
3304
ad
<>
Sos
Sue
ae
Ci)
I
i
ou
|
2303
‘4
nae
/DTt
Tie
Hi
0,
fas/DIV
L
if
3
06
KILL
L
M7
:
:
ANALCGUE
SIGNAL
“10
me
FROM
POWER
ut
pL.
SUPPLY
CIRCUIT
M9
LAG
—,
4
wd
©
eas
al
eT
r
a)
|
a5
L220
A
NB
10m
/DIV
STANDBY
SUMS
-
-
isnoas|_
152
|
FROM
PIN
S
ne
asyncehrer.
M
32
"2
1
oF
1c
7700
Fi
CaeoR
|
2124
%)
N3
10
z
M7
7
4
5
et
og
2309
3256
K
ey
2310
5
a
ANALOGUE
330)
"
)
°
B
nt
Ll
H
ae
13
cont:
SIGNAL
N
(eZ
250.
x
3€
ONLY
FoR
c7692
ANALOGUE:SIGNAL
city
wha
STANDBY
©
2}
pee
Lek)
KK
ONLY
FOR
C0690
VERN
08
FROM
PIN
5S
OF
IC
7700
Fl
345
CII
ITIL
IRI RII
Fs
Fs
Pee
seh
hhh
DODO
OOO
OOOO
OO
33
IDO
LUILIOIEILIOILILIOILII
LIED
a
bath
babe
ba
baba
babe
at
OOOO
OOO
OSS
I-33
Utd
oe
de
ie
de
de
de
be
de Pe
WII
IW
WII
I
OOS
OOO
OOOOSSSOSODO000.
£8
OOO
OO
SOS
SU
ie
ne
ee
ee
IE
OOOO
OO
OUOOWOWUI
ON
RRO
OOM
rib
OOO
SOCOOUINE
BRR
sh
OO
OOOO
SOOOUON
UVM
MMMM
a
IID
OO
OOOO
II
I
IOOONN
SI
I
I
I
SR
INADA
A
IE
A
ILS
US
ES
LES
III
RISO
NII
IS
ORR
RNIN
NNN
NNR
NNN
NNRRNRNNNNVNNNNRR
RRR
RRR
mS
ea
as
DADS
WOW
AIKDWNVOGOIHAS
GSAS
INN
RWN
HS
WI
OONUNGN
EH
S
SAGE
WRF
O08
I
HOE
ORR
OO
ON
OD
BAT
ORO
Ode
Wh
OU
LIN
OO
09
I)
Ud
RO
OD.
O0
IOUT
RO
RIF
OAD
OB
SOUR
GOSS
SOW
WWIII
INTO
SOOO
DOSS
OSOOSSOOO
TATA
RT
Fe
ra
ov..f>
iu
0,41
.s/DIV
DIGITAL
OUT
3104
118
01381S-B
BO-4
9214
BOGSSOGOGS:
pape
ett
ttetatatatet
°
WWW
WWW
WLUW.
PCS
60216

Related product manuals