EasyManua.ls Logo

Philips CD950 - Page 20

Philips CD950
53 pages
Print Icon
To Next Page IconTo Next Page
To Next Page IconTo Next Page
To Previous Page IconTo Previous Page
To Previous Page IconTo Previous Page
Loading...
21
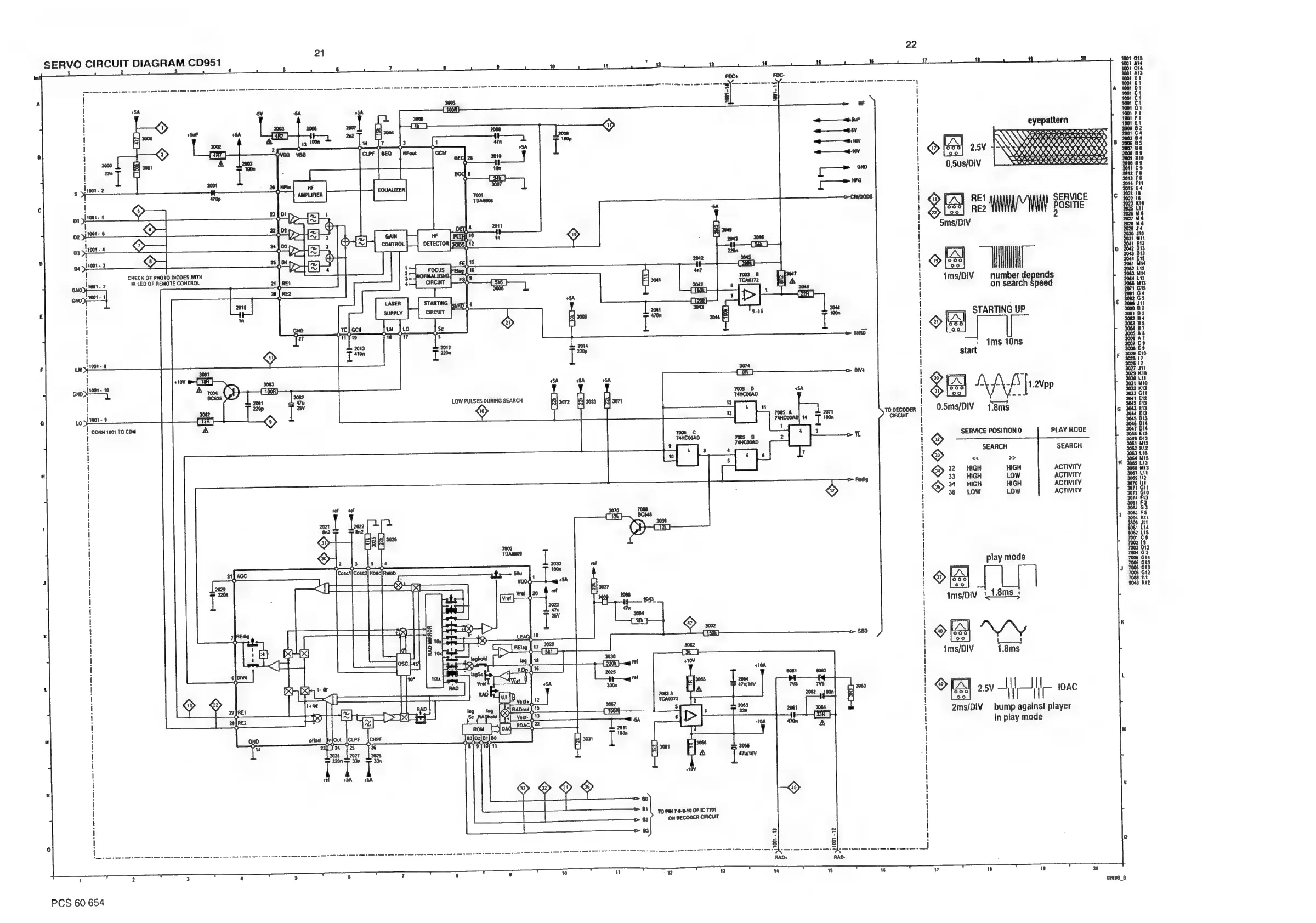
SERVO
CIRCUIT
DIAGRAM
CD951
1
:
CHECK
OF
PHOTO
DIODES
WITH
ly001-
7
IA
LED
OF
REMOTE
CONTROL
i
LOW
PULSES
DURING
SEARCH
oO
to
t1001.
9
|
conn
1001
To
com
|
>
Redig
TO
PIN
7-8-9-10
OF
IC
7701
PCS
60
654
TO
DECODER
CIRCUIT
5ms/D
Ole
i
'
.
.
*
.
.
.
os
0,5us/DIV
[A]
REI
nea
WNW
YAM
i
number
depends
on
search
Speed
IV
of
|
1ms/DIV
<<
HIGH
HIGH
HIGH
LOW
°
ims/DIV
STARTING
UP
SEARCH
>>
HIGH
LOW
HIGH
LOW
play
mode
.8ms
©
2.5V
I|l-
IDAC
2ms/DIV
bump
against
player
in
play
mode
OOK
OOOOOOO0
nay.
eyepattern
SOIT
AAA AAA
ATA
AAT
RXR
KIONN
COOK
OOOOOOO)
KKK
DALLA
a
IPA
SERVICE
POSITIE
2
LA
Pd
+
1Ims
10ns
start
:
|
O.5ms/DIV
1'8ms
SERVICE
POSITION
0
PLAY
MODE
SEARCH
ACTIVITY
ACTIVITY
ACTIVITY
ACTIVITY
Pee
333888
Beegee
MARRODMBBBVGBOAMIMMNNHOOO
Sssss
SS352
aDOBwws
eos
ana——a———
BEGon=s
BESSBRRRRREZ
SgSss5S5c2-=
ea
MMOD
>
ODDO
OC?
Geer
e
tennis
rseunEnEEnEN
g
sc
3082
G3
sOCCSay
on
onn=i
SERRRREESSREEE
ERS
B=QQ00CS
B-scce

Related product manuals