EasyManua.ls Logo

Philips CDR785/00 - Page 40

Philips CDR785/00
67 pages
Print Icon
To Next Page IconTo Next Page
To Next Page IconTo Next Page
To Previous Page IconTo Previous Page
To Previous Page IconTo Previous Page
Loading...
7-3 7-3
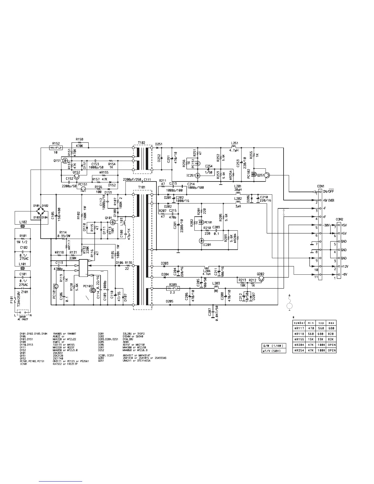
Switched Mode Power Supply, World Wide version, 000330
(SRA950WW)
Switched Mode Power Supply / WorldWide version (/01)
to Interface Board
1305
to CDR module
1501
22V
3V
1kV
22V
22V
30V
15V
6.8V
on/off
IC101
45
Vcc
Out
Osc
GND
Feed
back
Osc on/off
I
sense
18
!
!
!
!
!
!
!
!
!
!
!
!
!
!
!
4,4/0V
5
±
0,25V
4,1
±
0,4V
f
loating
5
±
0,25V
12
+0,6
/
-1,2
V
-29,3
±
2,2V
-8,4
±
0,8V
typ.-25V
typ.-21V
300V/140V
300V/140V
300V/140V
5V
5V
3,9V
4,9V
3,9V
2,4V
2,4V
-31,5V -29,5V
-30,2V
0V
4,4V
0,2V/2V
0,2V/2V
8,5V/8V
-0,1V/-0,2V
0,1V
15V
2V
3,4V
1V
1V/1,4V
1,6V/3,9V
1,5V/3,8V
4,8V
UNLESS STATED OTHERWISE
MAINS VOLTAGE 230V/110V
. ../. . V DC VOLTAGES MEASURED IN
STOP MODE
EVM
V
for orientation only

Table of Contents

Related product manuals