EasyManua.ls Logo

Philips CDR880 - Page 16

Philips CDR880
65 pages
Print Icon
To Next Page IconTo Next Page
To Next Page IconTo Next Page
To Previous Page IconTo Previous Page
To Previous Page IconTo Previous Page
Loading...
14
14
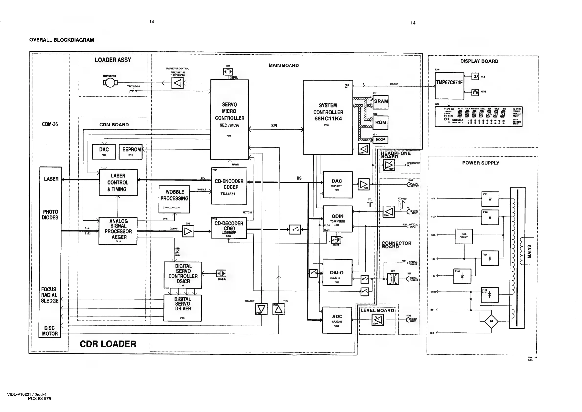
OVERALL
BLOCKDIAGRAM
CoS
Ao
Senn
a
9
6
ann
mem
ra
>
ae
es
©
een
9
ee
oS
eae
@
eae
6
meee
=
me
©
mire
0
Se
OO
eo
OS
eS
SS
SS
2
SS
=
1
et
eS
SS
Sa
eee
1
|
{i
LOADERASSY
ii
in
DISPLAY
BOARD
|
i
|
it
wn
MAIN
BOARD
i}
|
|
TRAY
MOTOR
CONTROL
ACH
i
!
7200
|
TRAYMOTOR
|
rages
32MHz
i
|
TMP
Cc
are
i
|
Ha
:
|
1@
TRAYSENSE
;
<I
:
ad
i
i
1
|
!
=
|
i
sa
ti}
i
KEYS
ene
ee
ee
ae
| j
i
SYSTEM
|
vineo
pic
«=
AUTO
TRACK
REPEAT?
TOTAL
REM
TRACK
TIME
|
MICRO
CONTROLLER
rl
oo
@.
ra
a
ieee
aa
maa
Sar
maa
th
CONTROLLER
68HC11K4
em
eee
sg
cere
HL,
|
CDM-36
NEC
784036
SPI
:
=
|
7170
i
|
|
i
!
H
|
|
|
{
|
(
|
|
LASER
CONTROL
&
TIMING
WOBBLE
PHOTO
DIODES
GDIN
TDA1373HIN2
ANALOG
SIGNAL
PROCESSOR
AEGER
7010
CD-ENCODER
E
CDCEP
TDA1371
MOTO1/2
A
"CD-DECODER
$260,
DIGITAL
SERVO
CONTROLLER
DSIC
FOCUS
RADIAL
DIGITAL
[Oe
ce
ce
cc
EO
SF
BR
SLEDGE
720
mo
71
[A
|
CDRLOADER
|
!
VIDE-V10221
/
Druck4
PCS
83
975

Other manuals for Philips CDR880

Related product manuals