EasyManua.ls Logo

Philips CDR880 - Mains Transformer Specifications; Transformer Voltage and Connection Details

Philips CDR880
65 pages
Print Icon
To Next Page IconTo Next Page
To Next Page IconTo Next Page
To Previous Page IconTo Previous Page
To Previous Page IconTo Previous Page
Loading...
26
POWER
SUPPLY
CIRCUIT
DIAGRAM
VIDE-V10221
/Druck6
PCS
83
987
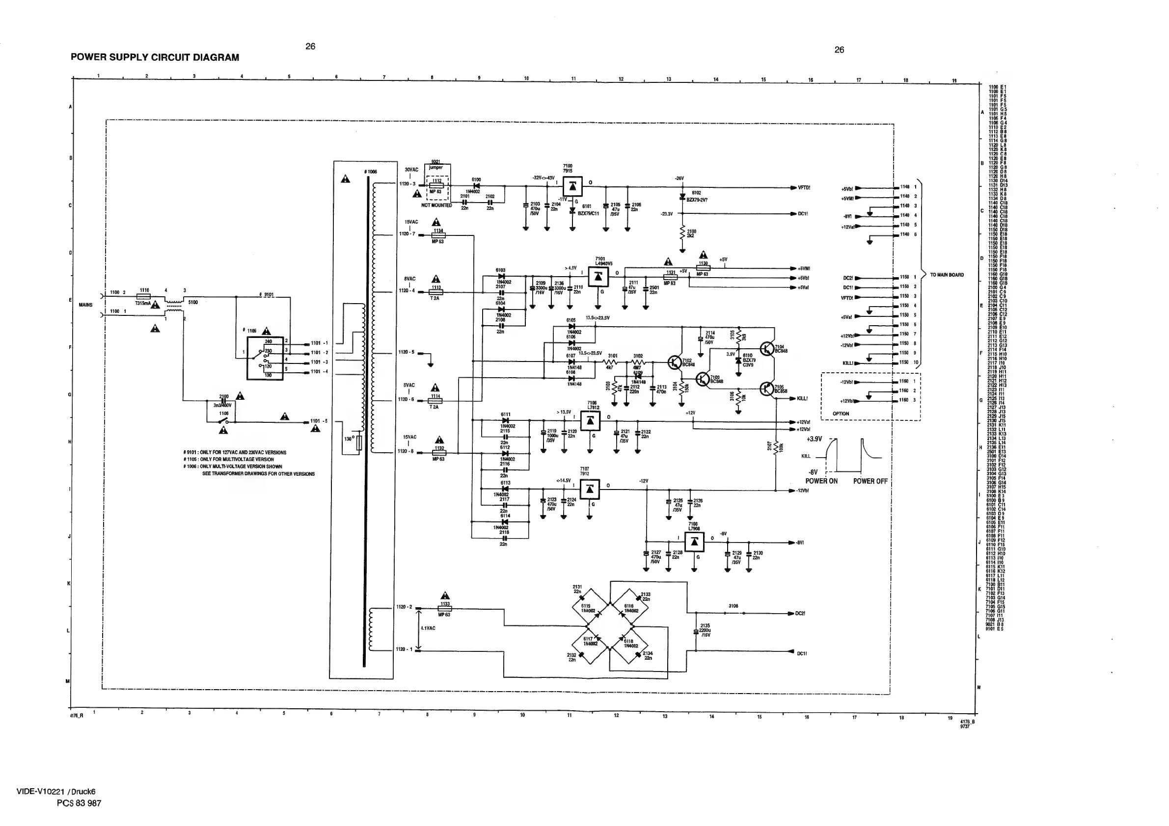
#9101
:
ONLY
FOR
127VAC
AND
230VAC
VERSIONS
#1105
:
ONLY
FOR
MULTIVOLTAGE
VERSION
#1006
:
ONLY
MULTI-VOLTAGE
VERSION
SHOWN
SEE
TRANSFORMER
DRAWINGS
FOR
OTHER
VERSIONS
>4.v
'
|
oO
2109
|
2136
2111
$3
3300u
nev
=33300u
=
2110
ae
2123
2124
T
470u
22n
10v
7101
L494ov5
G
13.5<223.5V
es
47u
R5V
2501
ie
MP
63
26
+5Vb|
S>—_————
1140
45v44|
Bn
1140
er
pee
8!
|
a
miele
+12Vq)=>——————juxe
1140
Trea
1140
DC2!
p>——————jum
11501
DC1!
p»—————fom
11502
veto!
fan
1150
3
——
len
1150
4
>
fee
1150
5
6
1150
+5Va!
!
+12Vb!
1850-7
-12Vb!
1180
8
——
a
1150
9
KILL!
p>———————jpum
115010
eed
eee
12Vb!
p>—————ja
1160
1!
ce
24
iio
5
|
1
i
!
+12Vb'
+12Va!
+12Vb!
+3.9V
KILL
1
ay
}-1
|
POWER
ON
POWER
OFF
-12Vb!
TO
MAIN
BOARD
19
4176
_B
9737
Eb
Fe OP
09.G9
OO
69.0909
CO
POON.
A
MUTE
QUATOQTOOTMORAr-oOMoMoTLOEDAAMM
co
69
co,
2899029
'€0
Go
Go
Go Go
Go
co!
18
Tata
1160
RNANRNANNNN
BISRLSSLS!
IMMAQQQOOMH
COG
HACC
HS,
RNNN
N=sB
QM
mm
NR=5)
BB
9101
ES

Other manuals for Philips CDR880

Related product manuals