EasyManua.ls Logo

Philips DCM105 - Page 8

Philips DCM105
24 pages
Print Icon
To Next Page IconTo Next Page
To Next Page IconTo Next Page
To Previous Page IconTo Previous Page
To Previous Page IconTo Previous Page
Loading...
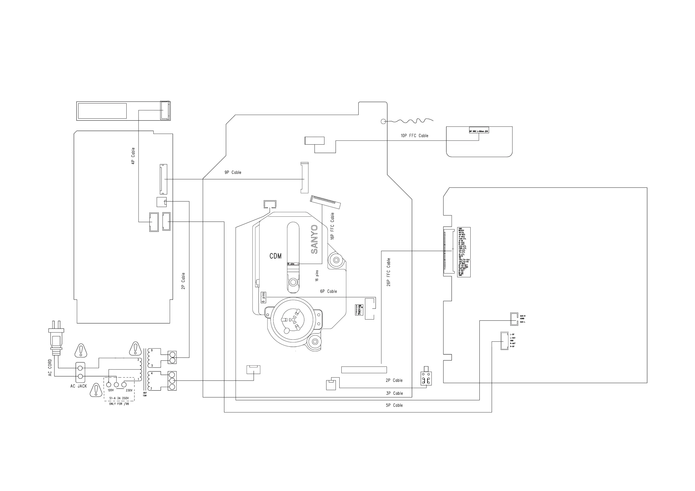
SET WIRING DIAGRAM
4 - 1 4- 1
ECO+POWER BOARD
DISPLAY/MCU BOARD
MAIN BOARD
iPod DOCKING BOARD
SPEAKERS JACK
CON12
CON105
CON102
CON4
CON107
CN3
CON9
J3
CON7
CON2
J2
CON6
CON11
CON3
CN6
CON1
FM-ANT IN
H2
CD DOOR SWITCH

Related product manuals