EasyManua.ls Logo

Philips DVP620VR - Page 47

Philips DVP620VR
104 pages
Print Icon
To Next Page IconTo Next Page
To Next Page IconTo Next Page
To Previous Page IconTo Previous Page
To Previous Page IconTo Previous Page
Loading...
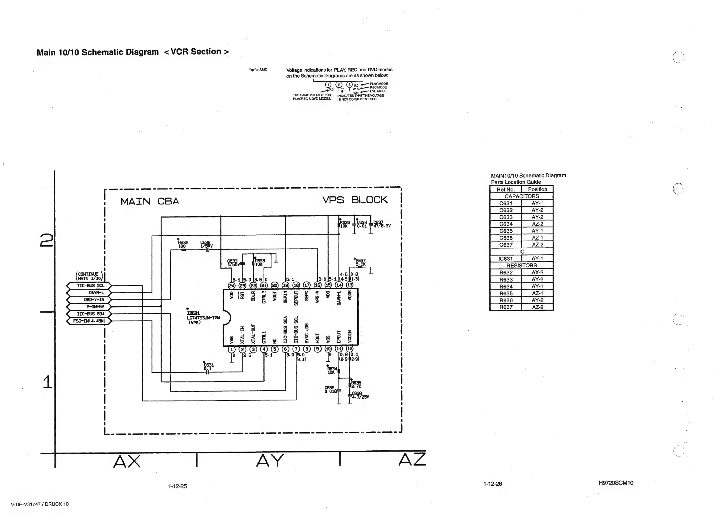
Main
10/10
Schematic
Diagram
<
VCR
Section
>
VIDE-V31747
/
DRUCK
10
CONTINUE
MAIN
1/10
|
MAIN
CBA
1-12-25
“@*=SMD
Voltage
indications
for
PLAY,
REC
and
DVD
modes
on
the
Schematic
Diagrams
are
as
shown
below:
a
PLAY
MODE
$0
“Te
“TY
5)
47
REC
MODE
Sop
_4-——
DVD
MODE
THE
SAME
VOLTAGE
FOR
INDICATES
THAT
THE
VOLTAGE
PLAY,REC
&
DVD
MODES.
—_
|g
NOT
CONSISTENT
HERE.
VPS
BLOCK
SEPOUT
[‘s)
(@]
IIC-BUS
SDA
(@]
SYNC
uDG
=a(2]
Tc-aus
scl
Ee
MAIN10/10
Schematic
Diagram
Parts
Location
Guide
|
RefNo.
|
Position
_|
AZ-2
P
Rese
|
AY-2
|
R637
|
|
AZ-2
|
1-12-26
cy
Ye
ae
F]
wo,
H9720SCM10

Other manuals for Philips DVP620VR

Related product manuals