EasyManua.ls Logo

Philips FR752/00 - Page 18

Philips FR752/00
28 pages
Print Icon
To Next Page IconTo Next Page
To Next Page IconTo Next Page
To Previous Page IconTo Previous Page
To Previous Page IconTo Previous Page
Loading...
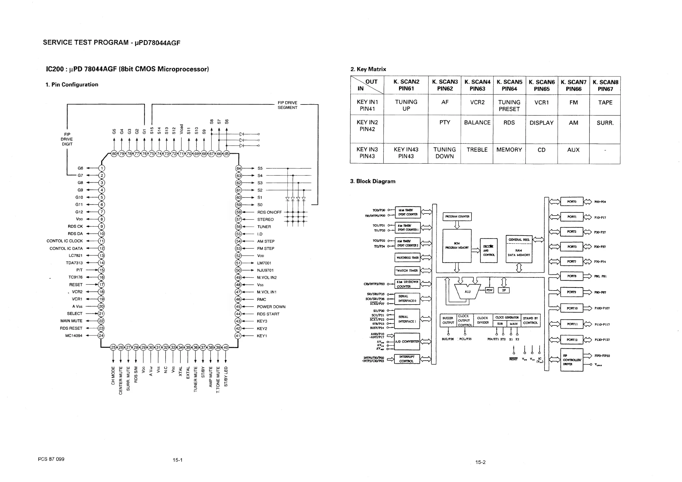
SERVICE
TEST
PROGRAM
-
pPD78044AGF
IC200
:
uPD
78044AGF
(8bit
CMOS
Microprocessor)
2.
or
Matrix
1.
Pin
Configuration
K.
SCANS
|
K.
SCAN4
K.
SCANS
|
K.
SCANG
|
K.
SCAN7
|
K.
SCAN8
PIN64 PIN65 PIN66
PIN67
PIN62
PIN63
FIP
DRIVE
TUNING
VCR1
FM
TAPE
SEGMENT
PRESET
2
8B
SB
PTY
BALANCE
RDS
DISPLAY
AM
SURR.
o +
Oo
=
2
+
Oa
Gc
Oo
o
FIP
odo
OO
OO
HnNDNHnN
HNN
FS
no
no
DRIVE
DIGIT
KEY
IN43
TUNING
TREBLE
|
MEMORY
CD
AUX
PIN43
DOWN
G6
$5
G7
S4
G8
$3
3.
Block
Diagram
G9
$2
a
:
Krom
G11
so
die
TOO/P30
O
16
ba
TOMER/
G12
RDS
ON/OFF
=>
moma
|
a
=
oe
Voo
STEREO
Ky
Pio-P17
RDS
CK
TUNER
TOME
ae
aay
es
111/P33
O
EVENT
COUNTER
|
RDS
DA
LD
P20-P27
CONTOL
IC
CLOCK
AM
STEP
TO2/P32
©
on
O
EVENT
2
CONTOL
IC
DATA
FM
STEP
Tips
Count
Panne
LC7821
Vop
|
warcaoos
max
K—)
TDA7313
LM7001
Fa-FaA
Prt
NJU9701
waren
men
K—>
2
TC9176
M.VOL
IN2
Peo
7a)
RESET
Vss
CIO/INTP3/PO3
O
ee
ke
.
VCR2
M.VOL
IN1
SIO/SBO/P25
©
P90-P97
VCR1
RMC
SO0/SB1/P26
©
eK
SCKO/P27
O
A
Vss
POWER
DOWN
P100-P107
S11/P20
O
SELECT
RDS
START
P21
©
Bm
some
ban
MAIN
MUTE
:
KEY3
s1B/P23
0
INTERFACE
1
P110-P117
RDS
RESET
KEY2
BUSY/P24
©
MC14094
KEY1
A
Ee
:
B39
7079
AYse
0
re
jas
BUZ/P36
=
PCL/P3S
PO4/XT1
XT2_-X1_«X2
Crom
KD
P120-P127
AYas
O
Wes
0
|
|
|
|
:
INTERRUPT
FP
[>
Fipo-Fip33
mrcape
cormor
K—v
rei
ie
S|
|
pel
wale
v,
ww
Ww
9
3
PR
Oo
8
ad
aw
>
ww
a
abe
S
es
SP2FEESSEE
GD
Q
<
x
xX
=
=
222
x
Sh
FS
>
xrQf¢ge
ea
aw
@
Oo
wg
WwW
Sa
Ze
55
s
ee
oom
uy
Fa
=
(Ss)
PCS
87
099
15-1
15-2

Related product manuals