EasyManua.ls Logo

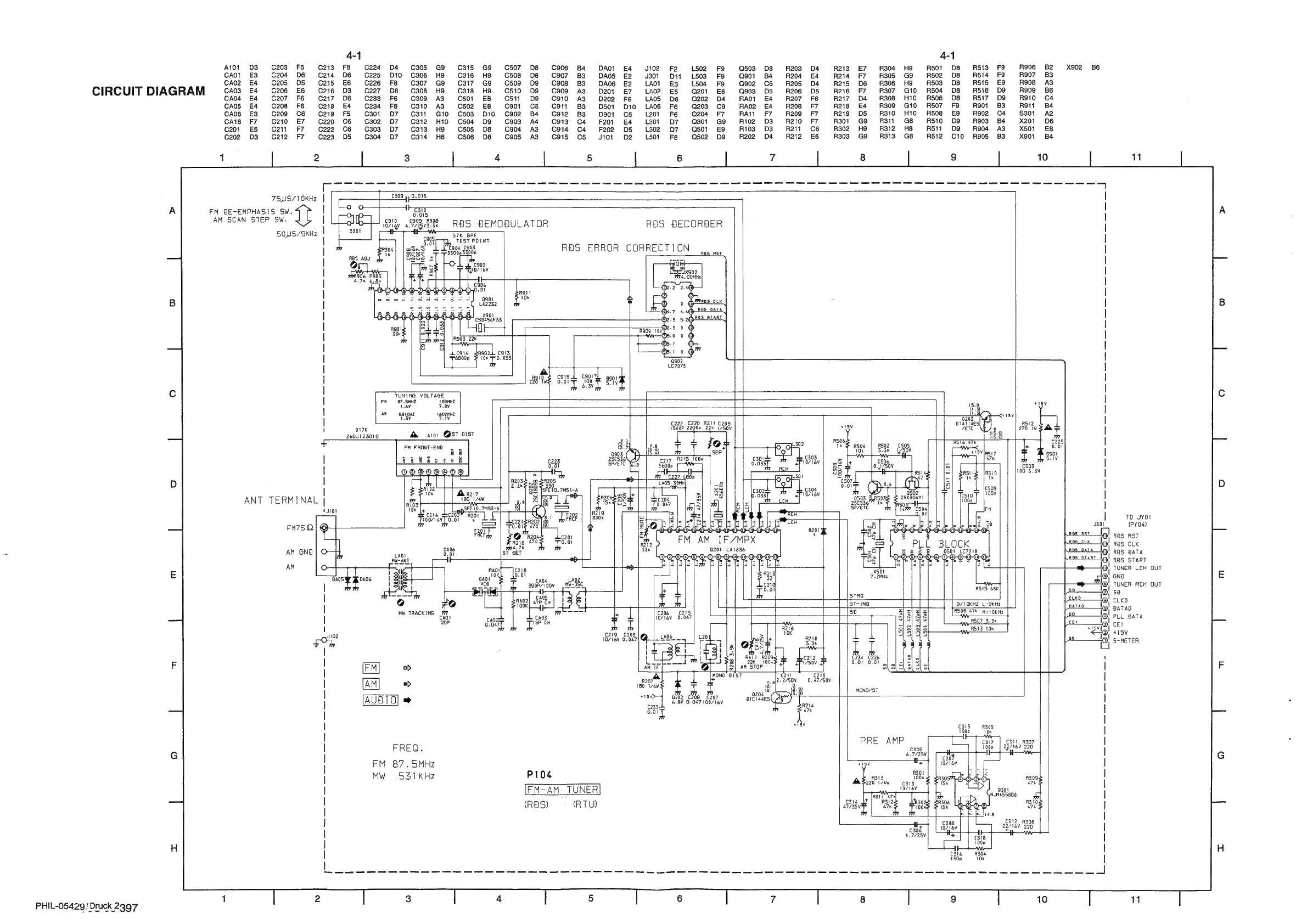
Philips FR980 - CIRCUIT DIAGRAM

Philips FR980
63 pages
Print Icon
To Next Page IconTo Next Page
To Next Page IconTo Next Page
To Previous Page IconTo Previous Page
To Previous Page IconTo Previous Page
Loading...
A101
D3
C203
FS
C213
F8
C224
D4
C305
G9
C315
G9
C507
D8
C906
B4
DA01
£4
J102
Fa
1502
F9
Q503
D8
R203
D4
R213
E7
R304
HO
A501
DB
R513
FI
R906
B2
xX902
BE
CAO1
E3
C204
D6
C214
D6
C225
D10
C306
H9
C316
H9
C508
D8
C907
B3
DAOS
E2
J301
D1i1
1503
F9
Q901
B4
R204
£4
R214
F7
R305
G9
R502
DB
R514
F9
R907
BS
Cao2
E4
C205
DS
C215
E6
C226
F8
C307
G9
C317
G9
C509
D9
C908
B3
DA06
E2
LAO1
E3
1504
F9
Q902
C6
R205
D4
R215
D6
R306
H9
ASO3
D&S
R515
E9
R908
AS
CAO3
E4
C206
E6
C216
D3
C227
D6
C308
H9
C318
H9
C510
D9
C909
A3
D201
E7
LAO2
E5
Q201
£6
Q903
D5
R206
D5
R216
F7
R307
G10
R504
DB
R516
D9
R909
BE
CA04
E4
C207
FE
C217
D6
C233
FE
C309
A3
C501
£8
C511
D9
C910
AS
D202
Fe
LAOS
D6
Q202
D4
RAOi
E4
R207
FE
R217
D4
R308
HIO0
R506
D&
R517
DI
R910
C4
CAOS
E4
C208
F6
C218
E4
C234
F8
C310
A3
C502
E8
C901
C5
C911
B3
D501
DiO0
LAO6
Fe
Q203
C9
RA02
£4
R208
F7
R218
E4
R309
G10
R507
F9
R901
B3
R911
B4
CAo6é
E—3
C209
C6
C219
F5
C301
D7
C311
G10
C503
D10
C902
B4
C912
B3
D901
C5
L201
FE
Q204
F7
RAI1
F7
R209
F7
R219
DS
R310
H10
R508
E9
R902
C4
S301
A2
CA18
F7
C210
E7
C220
C6
C302
D7
C312
H10
C504
D9
C903
A4
C913
C4
F201
E4
1301
D7
Q301
G9
R102
D3
R210
F7
R301
G9
R311
G&
R510
D9
R903
B4
X201
D6
c201
€5
C211
F7
C222
C6
C303
D7
C313
H9
C505
D8
C904
AS
C914
C4
F202
D5
L302
D7
Q501
E9
R103
D3
R211
C6
R302
H9
R312
HB
R511
D9
R904
AZ
X501
EB
c202
D3
C212
F7
C223
D5
C304
D7
C314
H8
C506
D8
C905
AS
C915
C5
J101
D2
L501
Fa
Qs02
D9
R202
D4
R212
E6
R303
G9
R313
G8
R512
C10
R905
BS
X901
B4
CIRCUIT
DIAGRAM
7SUS/1
OKHZ
FM
DE-EMPHAS]S
Sw.
AM
SCAN
STEP
Sw.
SO0US/9kKHz
0.015
157
1gy
6TLEBNS.
Se
RODS
PEMODULATOR
RBS
DECORBER
S7K
BPF
TEST
POINT
_
‘Lane
coos
ROS
ERROR
CORRECTION
,.
Res
ADJ
f
—aaH
Lax
R906
RIS
Co
Q4)-O-B-<D-«
6
12
2.468
tai
ae
-01
al
6.3V
TUNING
VOLTAGE
87.
SMHZ
1
08MHZ
1.6¥
7.8V
a
SBIR
1gozkHe
ons
C222
C220
R21!
c209
orafties|
Po)
017K
1800p
22000
22k
1/S0v
ETC
°
260123010
L
tie:
£
.
2
Op
zh
sa
FSIS
27K
C223
0.01
C503
100
6.3V
cSit
0.01
|
Z
:
|
L0@99000@
|
|
els
|
fi
180°
174W
1
ANT
TERMINAL
|
Be
ol
28
KG
t5101
10K
+
|pshE|.0.7MS3-A
1@
joe)
Tk
£504
mr
C216
C20;
F2
3
ar
bo.
‘oo/tevT
0.01
Regt
R202
a
FAP
= .
;
TO
JYOI
270
(18)
$
2
des
Lee
RS
ae
eee
ee
:
dz
3
J301
(PYQ4)
RST__@y
RDS
RST
a
S6KHz
SPETO
7MS3-A
ep
0502
A727
ai
=
2SK30AY1
RSOF!
or,
Qa6
@
R204.
20!
0.01
>
DATA
i
1
ROS
DATA
START
78;
ROS
_START
ab
i;
TUNER
LCH
OUT
DAOS
WY
J
DA0s
SI
AO
.
z
:
ml
ike
2
MW-05%
@®,
TUNER
RCH
OUT
R515
68K
@!
sp
|
LO!
cxko
9/1
0KHZ
L:9KHz
|
R508
47K
Hr
10KHz
j)
BATAO
|
|
ELE“)
RODS
CLK
<)
ra
00
[veo
RS07_
3.
3k
Oy)
PLL.
DATA
®,
CEl
R513
10K
ane
+15V
<),
S-METER
L501
478H
502
47aH L504
47aH
C219
«C203
10/16V
0.047
a
~
Rall
R209
a
32
22K
100k:
|
am
STOP
MONO
81ST
+
NAL,
can
C213
g.9[2-2/50V
0.47/50v
9
(3.9)
319
MONO/ST
R207
180
1/4W
0202
C208
C207
6.8V
0.047
100/16V
BIE
SEED
R214
47k
+15V
PRE
AMP
6311.
R307
2p/lev
220
FREQ.
C305
4.7/25V
cae
FM
87.5MHz
+
107
16V
+15V
MW
S31KHz
P104
es
ref
RS
ASZ220
17ew
0313
FM-AM
TUNER
1O/iby
(RBS)
=
(RTU)
LD
asig
C312)
R308
22/716N
220
=f
PHIL-0542g9
|
Druck
2397

Other manuals for Philips FR980

Related product manuals