EasyManua.ls Logo

Philips FR980 - BLOCK DIAGRAM

Philips FR980
63 pages
Print Icon
To Next Page IconTo Next Page
To Next Page IconTo Next Page
To Previous Page IconTo Previous Page
To Previous Page IconTo Previous Page
Loading...
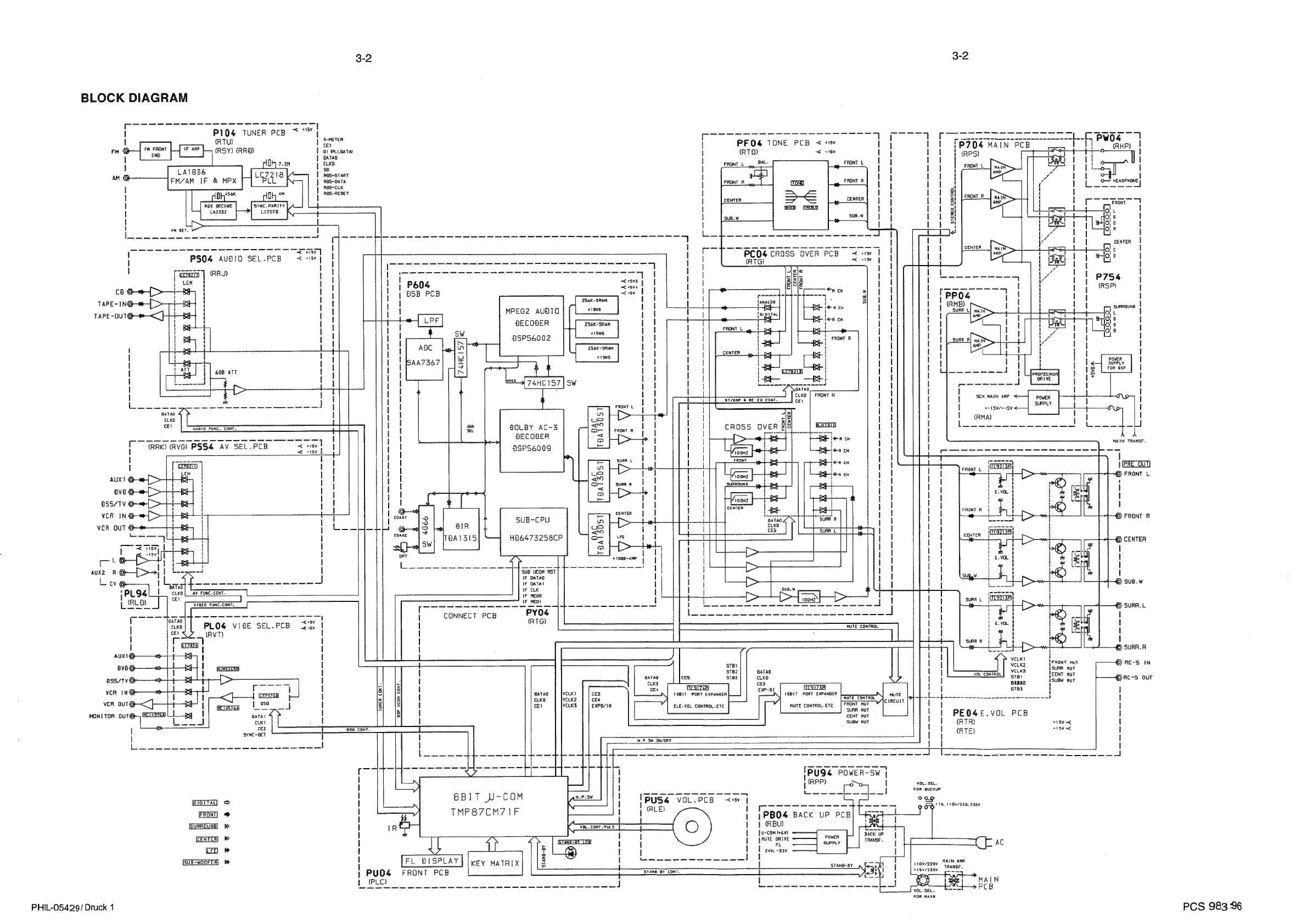
BLOCK
DIAGRAM
Pe
ayn
pe
RA
Rie
nook
AP
Tee
yiey
|
P104
TUNER
PcB
<4)
I
(ATU)
|
ru
@
[ F
a
|
(SY)
(RRB)
|
|
LA1836
ane
|
LC7218
=e
FM/AM
IF
&
MPX
|
‘|
456K
1]
4M
|
!
|
LA2232
Le7073
|
'
FM
GET.
>
i}
ee
ee
ea
ee
ee
a
(Kone
ase
Paes
mT]
|
PS04
AUDIO
SEL.PCB
<
~5¥]
[cama]
AR)
;
uCH
1
1
ba
C8
©
[>
TAPE-IN@
>
Bg
TAPE-OUT@
<|
ied
AUX!
@
DVvB@
assS/TV
@
VCR
IN@
VCR
OUT
©
~<-sv
(NIN22655)
y
Ey
fe)
|
iS
¥yes3ss8sS
SUB-WOOFE
PHIL-05429/
Druck
1
—<+sv
1
S-METER
Cel
Bl
PLLBATA
BATAO
cLKO
sO
ROS-STAAT
ROS-BATA
ROS-CLK
ROS-RESET
_
AA7367
74HC
15712
TUNER
CONT.
OSP_UCOM
CONT
8B1T
U-COM
TMP87CM71F
|
PUO4
FRONT
PCB
|
(PLC)
MPEG2
AUOIO
15s
om
ae
95P56002
a8
—}
4
<1SNS
Ltt
Sw
O5P56009
(RHP)
|
[i
a
a
|
HEADPHONE
I
Pera
ei
get
tenet,
Typ
a
eee
lS
pwo4.
PFO4
TONE
PCB
~<
+
|
1
|
+
P704
MAIN
PCB
"
ase
om
1
| 1 1
|
(RPS)
FRONT
L
BAL.
FRONT
L
|
papi
ere
Die
etait
aes
FRONT
R
i
|
1
toa
:
CENTER
I
| I
|
!
1 | [
I
93
1
|
1 1
#
|
1%
4B
_
STEREO
CONTROL
PC0O4
CROSS
OVER
PCB
(RTG)
elev
pocoote
TANALOG
1-83
|
larg iTaL
Ba
FRONT
L.
<+svo
—<+5VA
~<-sv
!
------
aise
wie
ee
FRONT
R
256K-SRAM
Le
ee
ae
eee
eee
—_--—--—-—
|
|
_sivose_&
RE EO
CONT.
SCH
MAIN
AMP.
eee
ed
FRONT
L
#-15V/+-5V
>
DOLBY
AC-3
come
|
|
of]
tot}
cross
over
8
6
|
emf}
Tt]
fp
EY
L~---------
DECODER
I
‘SuAR
L
|
arr
eal
I
rrony
.
|CS213Fh
>
|
;
I
i
1
I
!
{|
E-vou
!
rd
Coes
|
|
FRONT
R
|
4
=
SUB-CPU
|
‘STRAT
H
fives)
i
HO6473258CP
|
I
CENTER
|
H
>
I
I
i
H
l
;
E-voU}
i:
|
!
ect
Seb
ee
eee
tS
!
SUB
UCOH
RST
1
{
1F
BATAO
|
SURW
H
1F
BATA)
|
|
foe
eet
>
IF
CLK
enon
IF
REGO
1
y
sun
(CSZ13A
S
fo
OS
ea
Ge
IN
|
l
Hl
i
1
|
H
|
I
1
e.vow
f
1
|
'
i
1
1
!
(TcS17
4p)
10B1T
PORT
EXPANDER
tOBIT
PORT
EXPANDER
FRONT
MUT
SURR
HUT
CENT
MUT
SUBW
MUT
ELE.VOL
CONTROL.ETC
MUTE
CONTROL.
ETC
PEO4E.vOL
PCB
(RTR)
(RTE)
|
(RPP)
VOL.
SEL.
HEAR
ee
os
J
FOR
BUCKUP
pus.
VOL.PCB
<sv
foe
eye
oe
ie
iaeie:
anne
=)
|
(RBU)
hi
|
u-com
tov)
BACK
UP
MUTE
DRIVE
l
eL
TRANSF
.
AC
|
2a,
-33v
MAIN
AMP
110V/220V
TRANSF.
'iSv7230v
STANO-BY
FOR
MAIN
——
oy}
1 1
I
1
1
1
1
1
1
i}
1
1
1
i}
1
i}
I
1
1 1
i
1
i
{FRONT
NUT
TSURR
MUT
TCENT
MUT
1SUBW
MuT
t1SV<
-1SV<
|
PRE_OUT
©
FRONT
L
RC-S
IN
AC-S
OUT
PCS
983
96

Other manuals for Philips FR980

Related product manuals