EasyManua.ls Logo

Philips FTL2.4E - SSB: Backlight Control (B5 B); SSB: OTC-Flash (B5 C)

Philips FTL2.4E
118 pages
Print Icon
To Next Page IconTo Next Page
To Next Page IconTo Next Page
To Previous Page IconTo Previous Page
To Previous Page IconTo Previous Page
Loading...
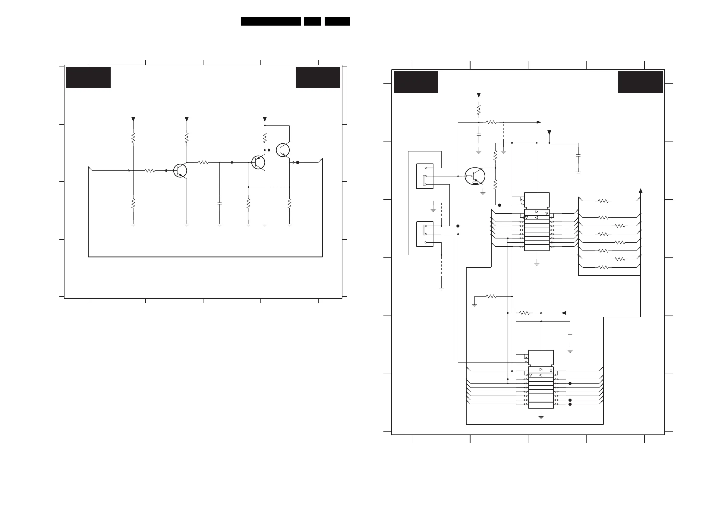
Circuit Diagrams and PWB Layouts
EN 45FTL2.4E AA 7.
SSB: Backlight Control
*
*
*
*
*
*
FC72 B4
IC50 B4
IC51 B3
IC52 B2
B5a
*
*
(
*
*
BACKLIGHT CONTROL
*
*
7020 B2
7021-1 B4
7021-2 B4
9019 C4
BACKLIGHT
4
A
D
A
D
2063 C3
3028 B2
3030 B2
3032 B2
3036 B4
3037 C4
3070 C3
)
B4
CONTROL
7021-2
1234
123
B
C
B
C
3022 B1
3023 C1
RES
BC847BPN
BC847BPN
7021-1
2063
100n
RES
10K
3032
3036
4K7
4K7
3030
7020
BC847BW
4K7
3028
2K2
3023
1K2
3022
3070
27K
FC72
9019
IC50
IC51
+5V_CON+5V_CON
IC52
3037
RES
+8V_CON
PWM_BACKLIGHT
ANTI-MOIRE
10K
B5B B5B
F_15460_021.eps
070405
8204 000 8482.1
SSB: OTC-Flash
G3
1
2
3EN2
3EN1
G3
1
2
3EN2
3EN1
b5a,c(2x)
b5a,c(2x)
b5a,c(2x)
b5a,c(2x)
b5a,c(2x)
b5a,c(2x)
b5c(2x)
b5c(2x)
3C00 A2
3C01 A2
3C03 B2
3C04 D2
3C05 D2
3C06-1 B4
3C06-2 C4
b5a,c(2x)
b5a,c(2x)
b5a,c(2x)
FOR SOFTWARE
OTC-FLASH
b5a(3x),c(2x)
b5a(3x),c(2x)
b5a(3x),c(2x)
b5a,c(2x)
A
B
C
D
E
F
1402 C1
1404 B1
2C00 A2
2C01 B3
2C02 E3
B5a,c
SWITCH
3V3
b5a,c(2x)
b5a,c(2x)
b5a,c(2x)
1234
A
B
C
D
E
F
3V3
b5c(2x)
b5c(2x)
b5a,c(2x)
DOWNLOAD
b5a,c(2x)
b5a,c(2x)
b5a,c(2x)
b5c(2x)
b5a,c(2x)
b5a,c(2x)
1234
b5a,c(2x)
b5a,c(2x)
b5a,c(2x)
b5a,c(2x)
b5c(2x)
b5a(3x),c(2x)
3C06-3 C4
3C06-4 C4
3C07-1 C4
3C07-2 C4
3C07-3 C4
3C07-4 D4
3C08 B2
7017 B1
7018 B3
7019 E3
9C00 A2
9C01 C1
9C02 D1
FC62 F3
FC63 F3
FC64 F3
FC65 C1
FC71 C2
b5c(2x)
SWITCH
0V1
b5a(3x),c(2x)
SWITCH
b5a,c(2x)
3C01
10R
b5a,c(2x)
b5a(3x),c(2x)
3C00
2K2
470R
3C05
3C04
10K
3C06-1
10R
3C03
10K
+3V3_INTOTC
10R
3C07-2
FC71
FC63
19
20
18
17
16
15
14
13
12
11
1
10
2
3
4
5
6
7
8
9
7019
74LVC245APW
9C02 9C01
7017
PDTC144EU
2C01
100n
10R
3C07-1
2C02
100n
2C00
100n
FC62
3C08
10K
11
1
10
19
20
6
7
8
9
18
17
16
15
14
13
12
74LVC245APW
7018
2
3
4
5
3C06-4
10R
10R
3C06-3
SSSS8
1402
3C06-2
10R
FC65
FC64
3C07-4
10R
10R
3C07-3
+3V3_INTOTC
+3V3_INTOTC
9C00
1404
SSSS8
EP_WE
SW_WE
SW_CS
SW_OE
EP_CS
EP_OE
VCCW
VCCW
WP
WP
WE
RAM_CS
RAM_OE
ROM_CS
ROM_OE
VPP-SW
VPP-EPG
SW_WE
EP_WE
EP_CS
SW_OEROM_OE
ROM_CS
RAM_OE
RAM_CS
WE
SW_CS
EP_OE
VPP-EPG
VPP-SW
EAn
VPP-EPG
VCCW
WP
WP
WE
RAM_CS
RAM_OE
ROM_CS
ROM_OE
VPP-SW
SW_WE
EP_WE
EP_CS
EP_OE
SW_CS
SW_OE
B5C B5C
F_15460_022.eps
080405
8204 000 8482.1

Table of Contents

Related product manuals